da
claudiocedrone » 6 giu 2013, 1:08

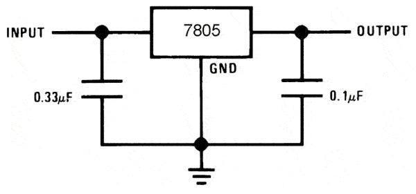
Guarda che (come è stato detto e ribadito) è il "telefono" che, dandogli in pasto i 5 V, gestisce la carica della batteria; è un po' come se avessi il caricatore attaccato alla rete con la corrente che va e viene, la batteria non ne risente più di tanto ma potresti ritrovarti con la stessa non sufficientemente carica proprio quando ti serve; d'altro canto la "semplicità" (e relativa economicità) della soluzione pannellino+7805 si scontra leggermente con la necessità di avere la batteria sempre in piena efficienza, ma per ottenere il risultato
ideale di avere un telefono che non si scarica mai ci vorrebbe una... magia

P.s. Carta topografica "militare" e bussola non richiedono corrente per funzionare

se fossi un escursionista tenderei piuttosto a usare quelle e ricorrerei al GPS solo in caso di "emergenza"...
"Non farei mai parte di un club che accettasse la mia iscrizione" (G. Marx)