Ciao,
il circuito
è a regime per t<0.
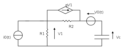
Dati:
V0(t) = 10 * 1(-t) V
i0(t) = 10 * 1(t) mA
R1 = 0,1 kohm
R2 = 200 kohm
C = 5 microFarad
g = 20 mS
Bisogna determinare la risposta completa della tensione ai capi del condensatore per t>0.
Ora il t non è indicato nella rete, ma presumo sia superfluo, nel senso che, essendo a regime, basta considerare i condensatori come circuiti aperti! Quindi procedo con l'analisi per t<0 per trovare le condizioni iniziali.
Avrei alcuni quesiti da porvi, poiché non riesco ad andare avanti nell'analisi!
1)É corretto tenere in considerazione l'effetto della tensione V0(t) dato che il circuito è aperto?
2) Come vanno interpretate le espressioni di V0(-t) e I(t)??? Nel senso, cosa significa quel 1(t) oppure 1(-t)?
Se non erro, non mi sembra ne un ingresso a gradino, ne un impulso. Cambia qualcosa nell'analisi per t>0 e t<0?
Help! Se mi aiutate a sbloccare la situazione, posterò la soluzione se la troverò....
Risposta completa rete RC con L-trasformate
Moderatori:
g.schgor,
IsidoroKZ
24 messaggi
• Pagina 1 di 3 • 1, 2, 3
0
voti
0
voti
Marcella ha scritto:É corretto tenere in considerazione l'effetto della tensione V0(t) dato che il circuito è aperto?
Si, visto che per t<0 quel generatore è "acceso"; 10*1(-t) vuol dire che la sua tensione presenta un gradino per t=0, e il segno meno sta ad indicare che per t<0 la fem del GIT vale 10 volt, mentre per t>0 vale zero
Marcella ha scritto: Come vanno interpretate le espressioni di V0(-t) e I(t)??? Nel senso, cosa significa quel 1(t) oppure 1(-t)? Se non erro, non mi sembra ne un ingresso a gradino, ne un impulso.
Come già detto, quel 1(t) e 1(-t) è uno dei modi (errato) di rappresentare dei gradini; senza dubbio più corrette sarebbero le scritture

Marcella ha scritto:Cambia qualcosa nell'analisi per t>0 e t<0?
Certo che cambia, per t<0 il GIT sarà acceso mentre il GIC sarà spento e viceversa per t>0.
"Il circuito ha sempre ragione" (Luigi Malesani)
0
voti
Grazie! Mi era sfuggita l'espressione del gradino... perché di solito utilizzo
.
Ok, provo a risolvere e postare la soluzione, per completezza!
.Ok, provo a risolvere e postare la soluzione, per completezza!
0
voti
Marcella ha scritto: Mi era sfuggita l'espressione del gradino... perché di solito utilizzo.
Scrittura errata pure quella!
BTW manca il verso sul GIC
"Il circuito ha sempre ragione" (Luigi Malesani)
1
voti
RenzoDF ha scritto:Scrittura errata pure quella!
Mi pare di ricordare che tra i libri sui quali ho studiato, ad esempio "Metodi matematici per l'ingegneria-M.Codegone", si indicavano cosi':
impulso in 
gradino in 
rampa in 
ecc...
-

rusty
4.075 2 9 11 - Utente disattivato per decisione dell'amministrazione proprietaria del sito
- Messaggi: 1578
- Iscritto il: 25 gen 2009, 13:10
0
voti
"Il circuito ha sempre ragione" (Luigi Malesani)
0
voti
rusty ha scritto:RenzoDF ha scritto:Scrittura errata pure quella!
Mi pare di ricordare che tra i libri sui quali ho studiato, ad esempio "Metodi matematici per l'ingegneria-M.Codegone", si indicavano cosi':impulso in
gradino in
rampa in
ecc...
Esatto.
Mi spiego: se non erro, la derivata della funzione a gradino unitario coincide, per definizione, con l'impulso di Dirac unitario (simbolo
), per questo viene indicata con l'espressione
. L'apice negativo sta ad indicare la funzione ottenuta per integrazione, per analogia con l'uso analogo dell'apice positivo per indicare le derivate successive di una funzione.0
voti
Comunque, io seguo le linee guida del mio corso, ma non essendo esperta in materia, mi fido se dite che è un'espressione meno corretta rispetto ad altre.
0
voti
RenzoDF ha scritto:
BTW manca il verso sul GIC
Hai ragione, lo posto con la soluzione. Comunque, per intenderci, va dal basso verso l'alto!
A titolo informativo, che significa "BTW"? (sicuramente un'ovvietà! Chiedo venia, sono nuova nel forum!)
0
voti
Si' io non so' quale sia lo standard internazionale per rappresentare impulsi gradini e rampe, noi usavamo quello, sicuramente non è universalmente riconosciuto come quello indicato da
RenzoDF.
Per la precisione noi usavamo i pedici, non gli apici.
Dai su', ora scrivi qualche KCL
P.S. BTW (By The Way)
Per la precisione noi usavamo i pedici, non gli apici.
Dai su', ora scrivi qualche KCL
P.S. BTW (By The Way)
-

rusty
4.075 2 9 11 - Utente disattivato per decisione dell'amministrazione proprietaria del sito
- Messaggi: 1578
- Iscritto il: 25 gen 2009, 13:10
24 messaggi
• Pagina 1 di 3 • 1, 2, 3
Torna a Elettrotecnica generale
Chi c’è in linea
Visitano il forum: Nessuno e 28 ospiti

Elettrotecnica e non solo (admin)
Un gatto tra gli elettroni (IsidoroKZ)
Esperienza e simulazioni (g.schgor)
Moleskine di un idraulico (RenzoDF)
Il Blog di ElectroYou (webmaster)
Idee microcontrollate (TardoFreak)
PICcoli grandi PICMicro (Paolino)
Il blog elettrico di carloc (carloc)
DirtEYblooog (dirtydeeds)
Di tutto... un po' (jordan20)
AK47 (lillo)
Esperienze elettroniche (marco438)
Telecomunicazioni musicali (clavicordo)
Automazione ed Elettronica (gustavo)
Direttive per la sicurezza (ErnestoCappelletti)
EYnfo dall'Alaska (mir)
Apriamo il quadro! (attilio)
H7-25 (asdf)
Passione Elettrica (massimob)
Elettroni a spasso (guidob)
Bloguerra (guerra)



