Procedendo nell'analisi per t<0, come nella spiegazione di cui sopra, il generatore di corrente si spegne ed equivale, quindi, ad un circuito aperto. Rimane:
Non scorre corrente sulla resistenza R1, di conseguenza non c'è caduta di tensione sulla resistenza e V1 scompare. Ergo, la variabile pilota del generatore dipendente di corrente si annulla: il generatore si spegne e viene sostituito da un circuito aperto. Rimane:
Non c'è caduta di tensione sulla resistenza R2, perché non scorre corrente, dunque Vc(0-) = Vc(0+) = -10 V.
To be continued...
Risposta completa rete RC con L-trasformate
Moderatori:
g.schgor,
IsidoroKZ
24 messaggi
• Pagina 2 di 3 • 1, 2, 3
1
voti
1
voti
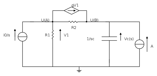
Analizzo il caso t > 0.
Il circuito nel dominio della trasformata di Laplace (con le opportune condizioni iniziali) si presenta nella forma:
Scelgo di risolvere la rete con il metodo dei potenziali ai nodi.
Siccome i generatori di corrente sono preferibili in questo genere di analisi, applico la trasformazione seguente (secondo Thevenin):

Procedo con l'analisi per arrivare alla soluzione.
To be continued...
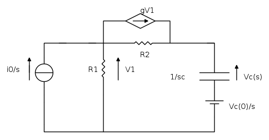
Il circuito nel dominio della trasformata di Laplace (con le opportune condizioni iniziali) si presenta nella forma:
Scelgo di risolvere la rete con il metodo dei potenziali ai nodi.
Siccome i generatori di corrente sono preferibili in questo genere di analisi, applico la trasformazione seguente (secondo Thevenin):

Procedo con l'analisi per arrivare alla soluzione.
To be continued...
1
voti
Marcella ha scritto:... applico la trasformazione seguente (secondo Thevenin):
Secondo Norton.
Marcella ha scritto:Scelgo di risolvere la rete con il metodo dei potenziali ai nodi.
A occhio, userei Thevenin per trovare la rete equivalente "vista" dal condensatore.
BTW non usare l'asterisco per il prodotto; in questo caso sarebbe consigliabile

... sui GIT ti consiglio di usare il segno + non la freccia, che riserverei ai GIC.
"Il circuito ha sempre ragione" (Luigi Malesani)
0
voti
Ah giusto, secondo Norton! C'è il parallelo!
Ho messo la freccia perché non ho trovato il + e il - per indicare i potenziali su Fidocad...
Continuerò la risoluzione più tardi, mi hanno richiamato per un imprevisto.
Ci terrei davvero tanto a vedere la risoluzione. Posterò più tardi....
Ho messo la freccia perché non ho trovato il + e il - per indicare i potenziali su Fidocad...
Continuerò la risoluzione più tardi, mi hanno richiamato per un imprevisto.
Ci terrei davvero tanto a vedere la risoluzione. Posterò più tardi....
0
voti
Procedo con l'analisi nodale:


in forma matriciale
= 

Ergo
= 
= 
A questo punto si risolve numericamente trovando U(A) e U(B).


in forma matriciale
= 

Ergo
= 
= 
A questo punto si risolve numericamente trovando U(A) e U(B).
0
voti


sommando algebricamente:

Perfetto! Ora non so più come andare avanti! Nel senso, so che devo trovare U(A) e U(B), ma ho un'unica equazione. Mi suggerisco di trovarne una seconda, magari sfruttando la relazione tra U(A) e U(B), passando per R2, ma poi c'è la corrente incognita
Altri suggerimenti???????????
3
voti
Sì ti suggerisco un ripassino di algebra lineare
...
le equazioni che hai sono già due, non te ne serve un'altra
solo che alla fine le hai "sciupate" sommandole
Mi pare che quello che stai facendo sia un tentativo del "Metodo dell'eliminazione di Gauss" che invece dovresti fare sommando opportuni multipli delle due equazioni in modo che una delle incognite si cancelli nella somma
esempio:
hai questo sistema

se ad esempio tu moltiplicassi ambo membri della prima per
otterresti


che ora sì sommate ti danno un'equazione in una sola incognita dove l'altra è stata eliminata

e poi rifacendo lo stesso giochetto puoi fare in modo di eliminare l'altra incognita invece
le equazioni che hai sono già due, non te ne serve un'altra
Mi pare che quello che stai facendo sia un tentativo del "Metodo dell'eliminazione di Gauss" che invece dovresti fare sommando opportuni multipli delle due equazioni in modo che una delle incognite si cancelli nella somma
esempio:
hai questo sistema

se ad esempio tu moltiplicassi ambo membri della prima per
otterresti

che ora sì sommate ti danno un'equazione in una sola incognita dove l'altra è stata eliminata

e poi rifacendo lo stesso giochetto puoi fare in modo di eliminare l'altra incognita invece
Se ti serve il valore di beta: hai sbagliato il progetto!
3
voti
Marcella ha scritto:Altri suggerimenti?
Come ha già sottolineato
In questo caso per esempio, come già ti avevo suggerito, userei Thevenin per ricavare la rete equivalente ai morsetti del ramo capacitivo.
Risulta infatti semplicissimo scrivere la tensione a vuoto direttamente dalla sola ispezione della rete

come facile è anche determinare la resistenza equivalente visto che, forzando la rete passivata con un GIC forzante esterno unitario, tale valore sarà numericamente uguale alla tensione ai morsetti del GIC, e avremo quindi, sempre direttamente dalla sola ispezione della rete

Lascierei quindi il GIT serie per la condizione iniziale sul condensatore e in questo modo per determinare
la
basterà una semplice KVL.BTW una domanda sui dati del problema, sei sicura dei valori riportati ? ... quei tre ordini di grandazza fra i due valori resistivi mi sembrano un po' "strani".
"Il circuito ha sempre ragione" (Luigi Malesani)
0
voti
carloc ha scritto:Sì ti suggerisco un ripassino di algebra lineare...
Mi pare che quello che stai facendo sia un tentativo del "Metodo dell'eliminazione di Gauss" che invece dovresti fare sommando opportuni multipli delle due equazioni in modo che una delle incognite si cancelli nella somma
Sì esatto! Effettivamente, avevo preso a modello un esercizio svolto in classe (pessimo modo di procedere lo ammetto!) grazie del consiglio, ripasserò...
RenzoDF ha scritto:BTW una domanda sui dati del problema, sei sicura dei valori riportati ? ... quei tre ordini di grandazza fra i due valori resistivi mi sembrano un po' "strani".
Domando scusa! Ho messo "solo"un "K" in più
RenzoDF ha scritto:a volte, spendere un po' di tempo sulla valutazione delle diverse "strade" percorribili, può risultare molto utile.
Vero! Mi sono un po' complicata la vita, ma in realtà avevo scelto quel metodo solo per esercizio.
E mi stavo perdendo nella LCK ai nodi!
Grazie del consiglio comunque!
RenzoDF ha scritto:
come facile è anche determinare la resistenza equivalente visto che, forzando la rete passivata con un GIC forzante esterno unitario, tale valore sarà numericamente uguale alla tensione ai morsetti del GIC, e avremo quindi, sempre direttamente dalla sola ispezione della rete![]()
Ok ho capito l'applicazione di Thevenin, ma dov'è finito i0(s) nell'espressione di Rth?
Un'altra domanda: ho dato un'occhiata qui --> http://www.electroyou.it/vis_resource.p ... on=RP&id=7
Tu hai scelto di mettere un GiC, ma è indifferente mettere un Gic unitario o un GiT unitario o c'è una regola precisa?
0
voti
Marcella ha scritto:Domando scusa! Ho messo "solo"un "K" in più--> R2= 200 ohm.
QED
Marcella ha scritto:Ok ho capito l'applicazione di Thevenin, ma dov'è finito i0(s) nell'espressione di Rth?
Questa non l'ho capita, come potrebbe dipendere dalla corrente del GIC?
Marcella ha scritto:Un'altra domanda: ... Tu hai scelto di mettere un GiC, ma è indifferente mettere un Gic unitario o un GiT unitario o c'è una regola precisa?
No, si usa quello più conveniente.
"Il circuito ha sempre ragione" (Luigi Malesani)
24 messaggi
• Pagina 2 di 3 • 1, 2, 3
Torna a Elettrotecnica generale
Chi c’è in linea
Visitano il forum: Nessuno e 24 ospiti

Elettrotecnica e non solo (admin)
Un gatto tra gli elettroni (IsidoroKZ)
Esperienza e simulazioni (g.schgor)
Moleskine di un idraulico (RenzoDF)
Il Blog di ElectroYou (webmaster)
Idee microcontrollate (TardoFreak)
PICcoli grandi PICMicro (Paolino)
Il blog elettrico di carloc (carloc)
DirtEYblooog (dirtydeeds)
Di tutto... un po' (jordan20)
AK47 (lillo)
Esperienze elettroniche (marco438)
Telecomunicazioni musicali (clavicordo)
Automazione ed Elettronica (gustavo)
Direttive per la sicurezza (ErnestoCappelletti)
EYnfo dall'Alaska (mir)
Apriamo il quadro! (attilio)
H7-25 (asdf)
Passione Elettrica (massimob)
Elettroni a spasso (guidob)
Bloguerra (guerra)






