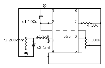
salve sto assemblando questo schema sulla breadboard , ma il 555 diventa incandescente , e mi fa solo il fade in senza il fade out non ho la resistenza variabile R3 e ne ho messa una fissa da 100k e non ho quella da 200 ohm ma ne ho messe 3 da 56 ohm una da 10om e una da 20 ohm in serie e raggiungo i 198 ohm ora metto lo schema copiandolo dalla mia breadboard e poi incollo lo schema originale
non so cosa controllare siccome è tardi sicuramente avrò sbagliato qualcosa ma ora non mi sovviene grazie
Breathing LED
Moderatore:
IsidoroKZ
8 messaggi
• Pagina 1 di 1
0
voti
[1] Breathing LED
-

CavaliereSbullonato
43 6 - Frequentatore

- Messaggi: 173
- Iscritto il: 18 ott 2011, 17:16
0
voti
Ciao
CavaliereSbullonato,
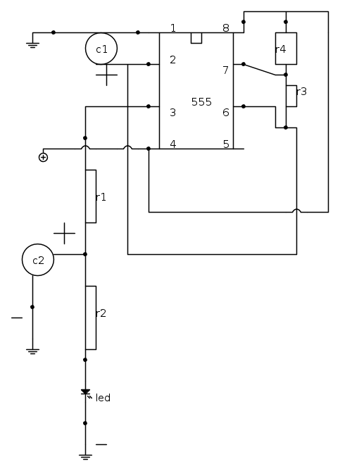
Al fine di farti fare uno schema migliore e più comprensibile, ti ricordo che fidocadj ha una vasta libreria di componenti passivi ed attivi e tanto altro.
C'è pure il 555 anche se io preferisco sempre farmelo da me. Mi piace di più. Son gusti.
Come vedi ho cercato di riprodurre al meglio il tuo schema facendo riferimento all'immagine allegata. È più ordinato e comprensibile rispetto a quello che hai fatto. Spero che questa piccola nota ti sia utile per la prossima volta.
Ad ogni modo (anche se non mi piace molto quel circuito, per esempio il potenziometro così montato etc.) non ho capito bene qual è il comportamento che vuoi dare al circuito. Se lo descrivi in maniera chiara e dettagliata forse si può migliorare qualcosina.
Sarà l'ora..
Al fine di farti fare uno schema migliore e più comprensibile, ti ricordo che fidocadj ha una vasta libreria di componenti passivi ed attivi e tanto altro.
C'è pure il 555 anche se io preferisco sempre farmelo da me. Mi piace di più. Son gusti.
Come vedi ho cercato di riprodurre al meglio il tuo schema facendo riferimento all'immagine allegata. È più ordinato e comprensibile rispetto a quello che hai fatto. Spero che questa piccola nota ti sia utile per la prossima volta.
Ad ogni modo (anche se non mi piace molto quel circuito, per esempio il potenziometro così montato etc.) non ho capito bene qual è il comportamento che vuoi dare al circuito. Se lo descrivi in maniera chiara e dettagliata forse si può migliorare qualcosina.
Sarà l'ora..
0
voti
Nello schema ci sono difetti fondamentali:
La resistenza R4 va messa in serie al potenziometro
e il pin7 va collegato al cursore di questo.
Per evitare che il potenziometro vada a zero è inoltre
opportuno mettere una resistenza di 1K in serie fra
questo e C1 (L'attuale configurazione è la causa
dell'eccessivo riscaldamento del 555)
Per l'uscita, R1 è troppo elevata e dovrebbe al massimo
essere 1K per pernettere una corrente minima nel LED
La resistenza R4 va messa in serie al potenziometro
e il pin7 va collegato al cursore di questo.
Per evitare che il potenziometro vada a zero è inoltre
opportuno mettere una resistenza di 1K in serie fra
questo e C1 (L'attuale configurazione è la causa
dell'eccessivo riscaldamento del 555)
Per l'uscita, R1 è troppo elevata e dovrebbe al massimo
essere 1K per pernettere una corrente minima nel LED
0
voti
grazie per lo schema e le risposte , ieri sera cercavo uno schema per dare a 3 led da 3v (collegati in parallelo ) un effetto breathing e ho trovato questo schemino che mi è sembrato non troppo complicato , c'è anche il video del tizio e il led funziona ora provo a cambiare la sede dei componenti seguendo lo schema aggiornato
lo schema che avevo disegnato era quello effettivo della messa in posa dei componenti , perché dovevo farvi vedere come li ho montati non avrebbe avuto senso disegnare lo schema che ho stampato sulla carta
lo schema che avevo disegnato era quello effettivo della messa in posa dei componenti , perché dovevo farvi vedere come li ho montati non avrebbe avuto senso disegnare lo schema che ho stampato sulla carta
-

CavaliereSbullonato
43 6 - Frequentatore

- Messaggi: 173
- Iscritto il: 18 ott 2011, 17:16
0
voti
questo è lo schema aggiornato con i componenti dell'ultimo schema di simo85
è sempre uno schema con la reale posizione dei pezzi su una ipotetica PCB (scusate ma non mi piace disegnare i componenti schematizzati perché alla fine non lo riesco a leggere bene preferisco disegnare direttamente la posizione sulla scheda così quando lo vado a saldare so gia dove vanno i pezzi e lo seguo passo passo)
è sempre uno schema con la reale posizione dei pezzi su una ipotetica PCB (scusate ma non mi piace disegnare i componenti schematizzati perché alla fine non lo riesco a leggere bene preferisco disegnare direttamente la posizione sulla scheda così quando lo vado a saldare so gia dove vanno i pezzi e lo seguo passo passo)
-

CavaliereSbullonato
43 6 - Frequentatore

- Messaggi: 173
- Iscritto il: 18 ott 2011, 17:16
1
voti
Piccolo OT.
Ho preso spunto da questa discussione e QUI l' ho realizzato con un microcontrollore.
Non ho saputo resistere!

Ho preso spunto da questa discussione e QUI l' ho realizzato con un microcontrollore.
Non ho saputo resistere!
"La follia sta nel fare sempre la stessa cosa aspettandosi risultati diversi".
"Parla soltanto quando sei sicuro che quello che dirai è più bello del silenzio".
Rispondere è cortesia, ma lasciare l'ultima parola ai cretini è arte.
"Parla soltanto quando sei sicuro che quello che dirai è più bello del silenzio".
Rispondere è cortesia, ma lasciare l'ultima parola ai cretini è arte.
-

TardoFreak
73,9k 8 12 13 - -EY Legend-

- Messaggi: 15754
- Iscritto il: 16 dic 2009, 11:10
- Località: Torino - 3° pianeta del Sistema Solare
8 messaggi
• Pagina 1 di 1
Torna a Elettronica e spettacolo
Chi c’è in linea
Visitano il forum: Nessuno e 22 ospiti

Elettrotecnica e non solo (admin)
Un gatto tra gli elettroni (IsidoroKZ)
Esperienza e simulazioni (g.schgor)
Moleskine di un idraulico (RenzoDF)
Il Blog di ElectroYou (webmaster)
Idee microcontrollate (TardoFreak)
PICcoli grandi PICMicro (Paolino)
Il blog elettrico di carloc (carloc)
DirtEYblooog (dirtydeeds)
Di tutto... un po' (jordan20)
AK47 (lillo)
Esperienze elettroniche (marco438)
Telecomunicazioni musicali (clavicordo)
Automazione ed Elettronica (gustavo)
Direttive per la sicurezza (ErnestoCappelletti)
EYnfo dall'Alaska (mir)
Apriamo il quadro! (attilio)
H7-25 (asdf)
Passione Elettrica (massimob)
Elettroni a spasso (guidob)
Bloguerra (guerra)




