Salve ragazzi. Sono un neoiscritto al forum e spero di ricevere da voi quell'aiuto di cui ho assolutamente bisogno visto che di elettronica e elettrotecnica non ne capisco tanto ma, essendo all'università, sono obbligato a darle.
L'esercizio di cui vorrei capire i procedimenti è il seguente:
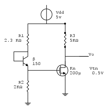
Mi chiede di determinare la tensione Vo. Non so proprio da dove cominciare. Grazie Mille!!!!
Esercizio BJT + MOSFET
Moderatori:
carloc,
g.schgor,
BrunoValente,
IsidoroKZ
13 messaggi
• Pagina 1 di 2 • 1, 2
2
voti
ok andiamo per gradi, la prima è facile facile...
secondo te quanto vale la corrente di gate del MOS
secondo te quanto vale la corrente di gate del MOS
Se ti serve il valore di beta: hai sbagliato il progetto!
1
voti
Ottimo
quindi direi che si potrebbe calcolare la tensione VGS su questo circuito equivalente
cioè fregandosene allegramente del MOS (per ora).
Ora la domanda diventa "Secondo te in che zona di funzionamento si trova il BJT? Giustificando la risposta"

quindi direi che si potrebbe calcolare la tensione VGS su questo circuito equivalente
cioè fregandosene allegramente del MOS (per ora).
Ora la domanda diventa "Secondo te in che zona di funzionamento si trova il BJT? Giustificando la risposta"
Se ti serve il valore di beta: hai sbagliato il progetto!
1
voti
carloc ha scritto:Ora la domanda diventa "Secondo te in che zona di funzionamento si trova il BJT? Giustificando la risposta"
Secondo me il BJT si trova in Zona attiva diretta perché come possiamo vedere dal circuito
si ha che

da cui

Alla maglia d'uscita avremo :

Essendo la
positiva e maggiore di 0.3 V (tensione di saturazione), allora il BJT è in zona attiva diretta.3
voti
Sì ok è in ZAD
anche IB mi pare ok
poi però IC devi aver sbagliato il conto o arrotondato in modo abnorme

e scrivere IC=0,9mA è veramente troppo
comunque calcolare IB mi pare inutile (come mi pare inutile anche il beta dato) e come tutte le cose inutili è anche pericoloso: rischi di fare qualche errore "per niente"
io direi più semplicemente
i) se B e C sono attaccati insieme la giunzione BC non potrà mai essere "in diretta" quindi non potrà mai essere saturo
ii) allora è in ZAD allora VBE=VCE=0,7V
iii) la maglia di uscita:

Poi, per calcolare la corrente nel MOS ci serve la sua VGS.... idee?

P.S. se copi e incolli disegni FCD il browser sbaglia la codifica dei caratteri "strani" e ti perdi omega, beta etc. in Chrome basta impostare la codifica delle pagine su "automatico" per latri browser sentiamo qualche esperto
anche IB mi pare ok
poi però IC devi aver sbagliato il conto o arrotondato in modo abnorme 
e scrivere IC=0,9mA è veramente troppo
comunque calcolare IB mi pare inutile (come mi pare inutile anche il beta dato) e come tutte le cose inutili è anche pericoloso: rischi di fare qualche errore "per niente"
io direi più semplicemente
i) se B e C sono attaccati insieme la giunzione BC non potrà mai essere "in diretta" quindi non potrà mai essere saturo
ii) allora è in ZAD allora VBE=VCE=0,7V
iii) la maglia di uscita:

Poi, per calcolare la corrente nel MOS ci serve la sua VGS.... idee?
P.S. se copi e incolli disegni FCD il browser sbaglia la codifica dei caratteri "strani" e ti perdi omega, beta etc. in Chrome basta impostare la codifica delle pagine su "automatico" per latri browser sentiamo qualche esperto
Se ti serve il valore di beta: hai sbagliato il progetto!
3
voti
Ottimo
a questo punto io farei una ipotesi sulla zona di funzionamento del MOS saturo o triodo ed userei la formula corrispondente per calcolare ID
io proverei saturo
poi la maglia di uscita del MOS per calcolare VDS
e infine verifica che l'ipotesi fatta sulla zona di lavoro sia corretta...
a questo punto io farei una ipotesi sulla zona di funzionamento del MOS saturo o triodo ed userei la formula corrispondente per calcolare ID
io proverei saturo
poi la maglia di uscita del MOS per calcolare VDS
Se ti serve il valore di beta: hai sbagliato il progetto!
13 messaggi
• Pagina 1 di 2 • 1, 2
Chi c’è in linea
Visitano il forum: Nessuno e 60 ospiti

Elettrotecnica e non solo (admin)
Un gatto tra gli elettroni (IsidoroKZ)
Esperienza e simulazioni (g.schgor)
Moleskine di un idraulico (RenzoDF)
Il Blog di ElectroYou (webmaster)
Idee microcontrollate (TardoFreak)
PICcoli grandi PICMicro (Paolino)
Il blog elettrico di carloc (carloc)
DirtEYblooog (dirtydeeds)
Di tutto... un po' (jordan20)
AK47 (lillo)
Esperienze elettroniche (marco438)
Telecomunicazioni musicali (clavicordo)
Automazione ed Elettronica (gustavo)
Direttive per la sicurezza (ErnestoCappelletti)
EYnfo dall'Alaska (mir)
Apriamo il quadro! (attilio)
H7-25 (asdf)
Passione Elettrica (massimob)
Elettroni a spasso (guidob)
Bloguerra (guerra)







dovrebbe essere la tensione ai capi della resistenza
, che è data da:
è data da:
dalla maglia d'uscita è:
la condizione di lavoro è verificata.