filippozanandreis ha scritto:..il disegno forse è giusto l intervallo che ho scritto no, va di mezzo volt alla volta, e ne ho salato uno...
Sì hai "saltato" 11V.
filippozanandreis ha scritto:...i conti restano esatti?!
No.
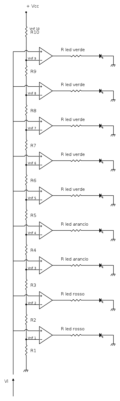
Il tuo circuito iniziale è corretto:
Invece nei miei conti, vedi post n° 18, occorre correggere l' operazione per ottenere la
, cioè:
allora la resistenza in più,
, risulta:
e sostituendo si ottiene:


Elettrotecnica e non solo (admin)
Un gatto tra gli elettroni (IsidoroKZ)
Esperienza e simulazioni (g.schgor)
Moleskine di un idraulico (RenzoDF)
Il Blog di ElectroYou (webmaster)
Idee microcontrollate (TardoFreak)
PICcoli grandi PICMicro (Paolino)
Il blog elettrico di carloc (carloc)
DirtEYblooog (dirtydeeds)
Di tutto... un po' (jordan20)
AK47 (lillo)
Esperienze elettroniche (marco438)
Telecomunicazioni musicali (clavicordo)
Automazione ed Elettronica (gustavo)
Direttive per la sicurezza (ErnestoCappelletti)
EYnfo dall'Alaska (mir)
Apriamo il quadro! (attilio)
H7-25 (asdf)
Passione Elettrica (massimob)
Elettroni a spasso (guidob)
Bloguerra (guerra)







