Salve a tutti,
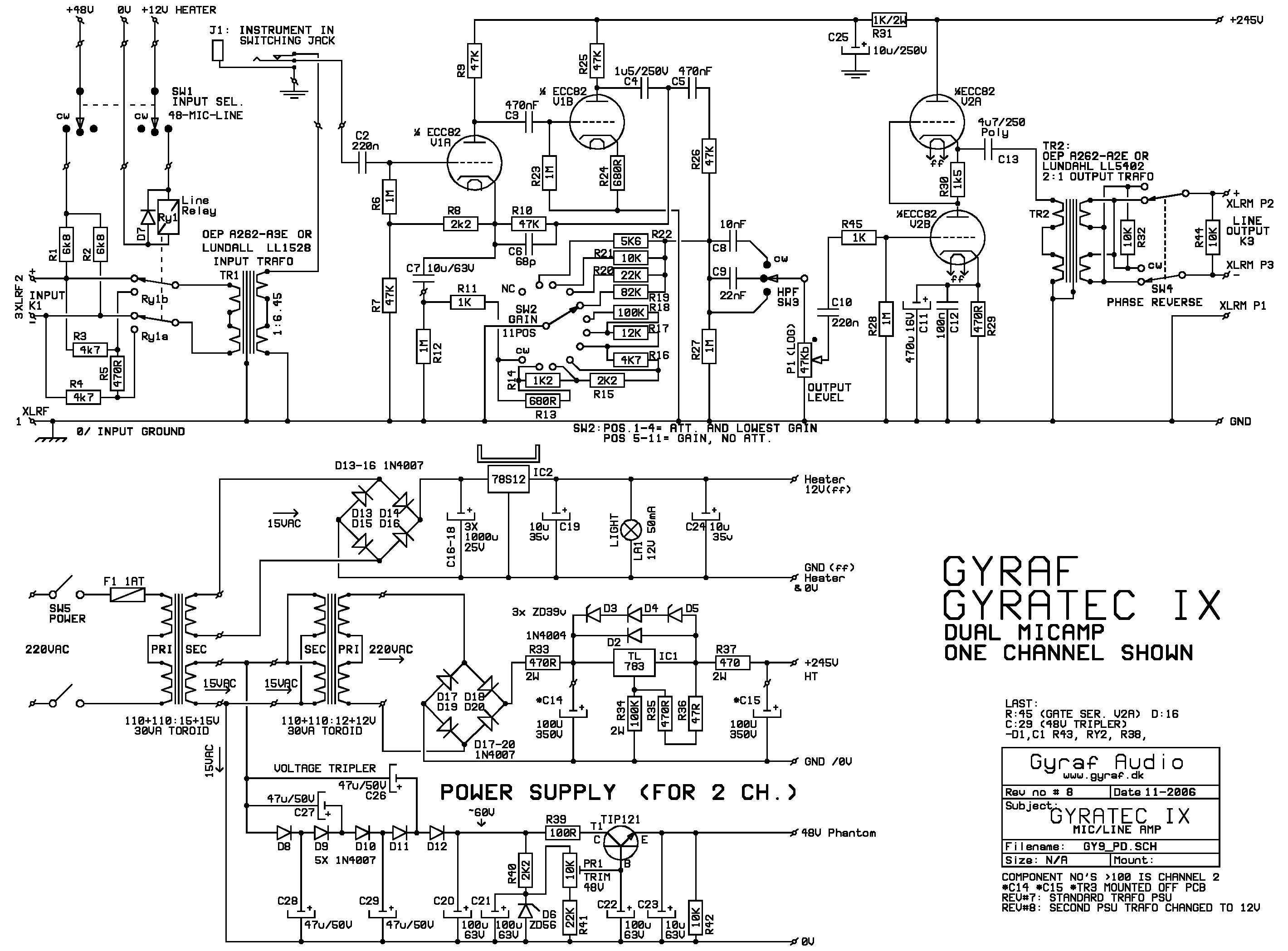
sono alle prese con un (semplice? ) circuito per l'alimentazione phantom +48V. Mi sono basato su questo schema che ho trovato http://www.gyraf.dk/gy_pd/g9/g9_sch.gif Praticamento sto utilizzando solo la sezione della phantom.
Ora il problema che ho riscontrato è che mi si brucia di continuo la R da 2K2 (R40) appena do tensione al circuito; e in usita al TIP ho al massimo 5V con il trimmer al minimo.
Adesso il dubbio che mi viene è che lo schema è per due canali, invece io ne ho uno solo; però ad ogni modo è strano perché in ingresso ai diodi c'è un 15Vac che non dovrebbe dipendere dal numero dei canali.
grazie mille,
Phantom +48V
Moderatore:
IsidoroKZ
42 messaggi
• Pagina 1 di 5 • 1, 2, 3, 4, 5
0
voti
[2] Re: phantom +48V
MrJack ha scritto: Ora il problema che ho riscontrato è che mi si brucia di continuo la R da 2K2 (R40) appena do tensione al circuito; e in usita al TIP ho al massimo 5V con il trimmer al minimo.
Hai controllato di non aver collegato lo zener all'incontrario?
Ciao
Piercarlo
0
voti
[3] Re: phantom +48V
Si, occorre controllare il verso dello zener, basta misurare la tensione ai capi dello stesso.
Se si brucia qualcosa lascialo staccato non succede nulla, il phantom deve dare di suo i 48 se R40 funziona. Se è rotta la tensione in uscita deve andare al massimo.
Controllare tensione sul collettore del TIP e poi sull'emettitore, a occhio e croce dal momento che c'e' un triplicatore occorre controllare bene tutti i condensatori e soprattutto che il circuito sia realizzato secondo lo schema (assolutamente non critico anche il numero dei canali è ininfluente) inoltre il C in parallelo allo zener ....
Se si brucia qualcosa lascialo staccato non succede nulla, il phantom deve dare di suo i 48 se R40 funziona. Se è rotta la tensione in uscita deve andare al massimo.
Controllare tensione sul collettore del TIP e poi sull'emettitore, a occhio e croce dal momento che c'e' un triplicatore occorre controllare bene tutti i condensatori e soprattutto che il circuito sia realizzato secondo lo schema (assolutamente non critico anche il numero dei canali è ininfluente) inoltre il C in parallelo allo zener ....
-

Lelettrico
2.458 1 4 6 - Master

- Messaggi: 1108
- Iscritto il: 13 set 2010, 12:24
0
voti
[4] Re: phantom +48V
ok ho risolto, mi avevano dato uno zener di valore sbagliato.
un'altra cosa ho notato: ho fatto una prova mettendo prima uno zener da 0,5 W e poi uno da 1,3 W (dello stesso valore) e la tensione di uscita è diversa: in particolare con quello da 1,3 W è più bassa di circa 3 volt. A che cosa è dovuta questa caduta di tensione?
un'altra cosa ho notato: ho fatto una prova mettendo prima uno zener da 0,5 W e poi uno da 1,3 W (dello stesso valore) e la tensione di uscita è diversa: in particolare con quello da 1,3 W è più bassa di circa 3 volt. A che cosa è dovuta questa caduta di tensione?
0
voti
[5] Re: phantom +48V
Difficile dire non deve cambiare nulla se la V dello zener e la stessa la corrente è la stessa e la base del BJT è polarizzata uguale. Misura ai capi dello zener, se cambia sono diversi ...
-

Lelettrico
2.458 1 4 6 - Master

- Messaggi: 1108
- Iscritto il: 13 set 2010, 12:24
0
voti
[6] Re: phantom +48V
MrJack ha scritto: un'altra cosa ho notato: ho fatto una prova mettendo prima uno zener da 0,5 W e poi uno da 1,3 W (dello stesso valore) e la tensione di uscita è diversa: in particolare con quello da 1,3 W è più bassa di circa 3 volt. A che cosa è dovuta questa caduta di tensione?
Al fatto che c'è troppa poca corrente per accenderlo. Hai almeno tre possibilità per risolvere il problema:
1) diminuisci il valore di R40 (lo dimezzi).
2) raddoppi R41 (la porti ad almeno 39 kohm).
3) ti prendi uno zener da 48 volt (al limite ne metti in serie due da 24 volt - se proprio l'uscita deve essere 48 volt "spaccati" aggiungi in serie al o agli zener che ti danno 48 volt, due diodi polarizzati direttamente), togli R41 e il trimmer da 10 kohm e al suo posto metti un'altra resistenza da 2.2 kohm che colleghi lo zener con la base del TIP121. In questo caso R40 va bene da 2.2 kohm.
Ciao
Piercarlo
0
voti
[7] Re: phantom +48V
Buongiorno,
riprendo questo vecchio post per chiedere una cosa. Ho realizzato il circuito con i valori dello schema tranne lo zener che è da 1,3W e ho sostituito il trimmer con una resistenza fissa da 4,12K. Provando con questi valori appena acceso ho all'incirca i 48V, ma dopo qualche minuto la tensione cresce fino a raggiungere circa i 49,3V.
Secondo voi quale può essere il problema, forse devo cambiare la resistenza fissa con altro valore?
Grazie
riprendo questo vecchio post per chiedere una cosa. Ho realizzato il circuito con i valori dello schema tranne lo zener che è da 1,3W e ho sostituito il trimmer con una resistenza fissa da 4,12K. Provando con questi valori appena acceso ho all'incirca i 48V, ma dopo qualche minuto la tensione cresce fino a raggiungere circa i 49,3V.
Secondo voi quale può essere il problema, forse devo cambiare la resistenza fissa con altro valore?
Grazie
0
voti
[8] Re: phantom +48V
Il link allo schema sembra non funzionare più...
Edit: credo di avere qualche problema io, perché neanche questo secondo link funziona... sto usando Firefox...
Edit: credo di avere qualche problema io, perché neanche questo secondo link funziona... sto usando Firefox...
Ultima modifica di
MavKtr il 13 giu 2013, 15:41, modificato 1 volta in totale.
0
voti
[9] Re: phantom +48V
mmm....a me si...comunque è questo http://www.gyraf.dk/gy_pd/g9/g9_sch.gif
42 messaggi
• Pagina 1 di 5 • 1, 2, 3, 4, 5
Torna a Elettronica e spettacolo
Chi c’è in linea
Visitano il forum: Nessuno e 23 ospiti

Elettrotecnica e non solo (admin)
Un gatto tra gli elettroni (IsidoroKZ)
Esperienza e simulazioni (g.schgor)
Moleskine di un idraulico (RenzoDF)
Il Blog di ElectroYou (webmaster)
Idee microcontrollate (TardoFreak)
PICcoli grandi PICMicro (Paolino)
Il blog elettrico di carloc (carloc)
DirtEYblooog (dirtydeeds)
Di tutto... un po' (jordan20)
AK47 (lillo)
Esperienze elettroniche (marco438)
Telecomunicazioni musicali (clavicordo)
Automazione ed Elettronica (gustavo)
Direttive per la sicurezza (ErnestoCappelletti)
EYnfo dall'Alaska (mir)
Apriamo il quadro! (attilio)
H7-25 (asdf)
Passione Elettrica (massimob)
Elettroni a spasso (guidob)
Bloguerra (guerra)




