Phantom +48V
Moderatore:
IsidoroKZ
42 messaggi
• Pagina 3 di 5 • 1, 2, 3, 4, 5
0
voti
[22] Re: phantom +48V
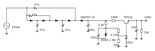
Con che tensione di lavoro hai messo gli elettrolitici? Te lo chiedo perché nello schema originale mi sembrano un po' giuste (specie quella del C20).
MrJack, mi sfugge l'utilità dello zener nel tuo schema, con quella configurazione.
Nello schema originale serviva a stabilizzare la tensione al partitore di base del transistor, ma ora....
Nello schema originale serviva a stabilizzare la tensione al partitore di base del transistor, ma ora....
Ultima modifica di
FedericoSibona il 13 giu 2013, 17:40, modificato 2 volte in totale.
-

FedericoSibona
5.022 3 5 8 - Master

- Messaggi: 3951
- Iscritto il: 19 mar 2013, 11:43
0
voti
[24] Re: phantom +48V
Ops... avevo visto male anch'io per lo zener...
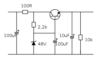
MrJack Il tuo circuito è come lo hai postato nel tuo schema, o è come questo?
0
voti
[28] Re: phantom +48V
Allora io procederei come ho scritto al post 20.
Non dovresti perdere quasi niente in tensione, giacchè il carico è davvero irrisorio... può solo servire a stabilizzarla un po'.
MrJack ha scritto:E in teoria una volta collegato il carico la tensione si dovrebbe abbassare un po.
Non dovresti perdere quasi niente in tensione, giacchè il carico è davvero irrisorio... può solo servire a stabilizzarla un po'.
0
voti
[29] Re: phantom +48V
Però, se ho capito qualcosa,
Piercarlo. al punto 3, aveva suggerito un qualcosa di più semplice, concettualmente simile a questo
-

FedericoSibona
5.022 3 5 8 - Master

- Messaggi: 3951
- Iscritto il: 19 mar 2013, 11:43
0
voti
[30] Re: phantom +48V
MavKtr ha scritto:Allora io procederei come ho scritto al post 20.
Infatti nello schema originale e' previsto un trimmer da 10K; comunque quel tipo di stabilizzazione e' alquanto precario e soggetto a troppe varianti e tolleranze; non credo poi che applicare un carico possa "stabilizzare" una tensione.
marco
42 messaggi
• Pagina 3 di 5 • 1, 2, 3, 4, 5
Torna a Elettronica e spettacolo
Chi c’è in linea
Visitano il forum: Nessuno e 3 ospiti

Elettrotecnica e non solo (admin)
Un gatto tra gli elettroni (IsidoroKZ)
Esperienza e simulazioni (g.schgor)
Moleskine di un idraulico (RenzoDF)
Il Blog di ElectroYou (webmaster)
Idee microcontrollate (TardoFreak)
PICcoli grandi PICMicro (Paolino)
Il blog elettrico di carloc (carloc)
DirtEYblooog (dirtydeeds)
Di tutto... un po' (jordan20)
AK47 (lillo)
Esperienze elettroniche (marco438)
Telecomunicazioni musicali (clavicordo)
Automazione ed Elettronica (gustavo)
Direttive per la sicurezza (ErnestoCappelletti)
EYnfo dall'Alaska (mir)
Apriamo il quadro! (attilio)
H7-25 (asdf)
Passione Elettrica (massimob)
Elettroni a spasso (guidob)
Bloguerra (guerra)






