ok ! realizzo l'opera lo metto sotto carico se non riscalda e il cb esce senza far abbassare le sue lucine vuol dire che è tutto ok , altrimenti verro a chiedervi il parallelo! OK?
Non ci sarà bisogno di qualche condensatore di filtro per le correnti negative dell'alternatore?
Riduttore
Moderatori:
carloc,
g.schgor,
BrunoValente,
IsidoroKZ
45 messaggi
• Pagina 4 di 5 • 1, 2, 3, 4, 5
0
voti
[32] Re: Riduttore
Mar48 ha scritto:Non ci sarà bisogno di qualche condensatore di filtro per le correnti negative dell'alternatore?
Non credo, comunque prova, poi eventualmente ci inventiamo qualcosa.
marco
0
voti
[33] Re: Riduttore
ok ! A Presto!
La soluzione dei bu8ck era piu semplice , ma se mettiamo il tempo che devo aspettare per avere il prodotto , poi c'è da vedere se funziona , perche se non funzionano è uno spreco di denaro e di tempo .
La soluzione dei bu8ck era piu semplice , ma se mettiamo il tempo che devo aspettare per avere il prodotto , poi c'è da vedere se funziona , perche se non funzionano è uno spreco di denaro e di tempo .
-

PietroBaima
90,7k 7 12 13 - G.Master EY

- Messaggi: 12206
- Iscritto il: 12 ago 2012, 1:20
- Località: Londra
0
voti
[36] Re: Riduttore
Mar48 ha scritto::shock: allora dimmi cosa è
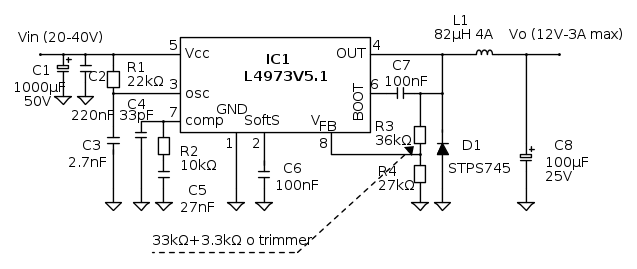
E' un circuito che abbassa la tensione di ingresso in modo molto efficiente.
Il risultato è un circuito poco pesante, molto elegante e che dissipa poca potenza a fronte di quella assorbita, quindi ha un rendimento decisamente elevato.
Mar48 ha scritto:e come si costruisce !
Se ho fatto i conti giusti, così:
Mar48 ha scritto:Scusa la mia ignoranza!
ma figurati, tutti qui nel forum scopriamo ogni giorno cose che non sappiamo. Io oggi ne ho scoperte già due
Ciao,
Pietro.
EDIT: Corretto il valore di C1, che doveva essere 1000
F e non 10
F-

PietroBaima
90,7k 7 12 13 - G.Master EY

- Messaggi: 12206
- Iscritto il: 12 ago 2012, 1:20
- Località: Londra
0
voti
[38] Re: Riduttore
marco438 ha scritto:Credo che l'unica difficolta' sia reperire un'induttanza con quei valori; ho cercato un po' in giro ma........
Quando vedo circuiti che richiedono bobine o induttanze ........nel cestino!!!!
Sai quanti amplificatori ho scartato nell'autocostruirmi per via di quella bobina messa in serie agli autoparlanti. Ho persino cercato in rete come si autocostruisce una bobina ma non mi entra niente!
Con tutto rispetto parlando per il circuito di Pietrobaima che puo essere molto utile e magari migliore di altri!

0
voti
[39] Re: Riduttore
-

PietroBaima
90,7k 7 12 13 - G.Master EY

- Messaggi: 12206
- Iscritto il: 12 ago 2012, 1:20
- Località: Londra
0
voti
[40] Re: Riduttore
Il componente che hai indicato nel link è un "common mode choke" non è utilizzabile come induttore per un convertitore buck.
Stefano
-

stefanodelfiore
1.673 3 8 - Master

- Messaggi: 569
- Iscritto il: 28 mar 2009, 20:15
- Località: Bologna
45 messaggi
• Pagina 4 di 5 • 1, 2, 3, 4, 5
Chi c’è in linea
Visitano il forum: Nessuno e 76 ospiti

Elettrotecnica e non solo (admin)
Un gatto tra gli elettroni (IsidoroKZ)
Esperienza e simulazioni (g.schgor)
Moleskine di un idraulico (RenzoDF)
Il Blog di ElectroYou (webmaster)
Idee microcontrollate (TardoFreak)
PICcoli grandi PICMicro (Paolino)
Il blog elettrico di carloc (carloc)
DirtEYblooog (dirtydeeds)
Di tutto... un po' (jordan20)
AK47 (lillo)
Esperienze elettroniche (marco438)
Telecomunicazioni musicali (clavicordo)
Automazione ed Elettronica (gustavo)
Direttive per la sicurezza (ErnestoCappelletti)
EYnfo dall'Alaska (mir)
Apriamo il quadro! (attilio)
H7-25 (asdf)
Passione Elettrica (massimob)
Elettroni a spasso (guidob)
Bloguerra (guerra)


pigreco]=π
