Ho un problema a calcolarmi le correnti I1 e I2 in un circuito a parametri equivalenti di un quadripolo. Il fatto è che sto iniziando adesso a studiare circuiti di questo tipo.
Info aggiuntive:
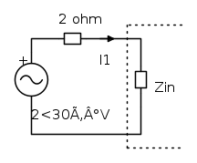
I1 = 2<20° A
I2 = 1<-60° A
Risoluzione esercizio: parametri impedenze
Moderatori:
g.schgor,
IsidoroKZ
13 messaggi
• Pagina 1 di 2 • 1, 2
1
voti
Ci sono diversi modi per risolverlo, puoi partire per esempio dalle equazioni costitutive a parametri Z (rappresentazione comandata in corrente), le conosci?
Si tratterà di risolvere un sistema che ha come incognite le tensioni e le correnti ai morsetti del bipolo, usando appunto le due suddette equazioni associate alle due KVL esterne, nel tuo caso una è particolarmente semplice, ovvero
V2=0
Se scrivi il sistema lo controlliamo.
BTW ... sparito pure questo!
... mi sa che farò proprio meglio a dedicarmi completamente al sufr! 
Si tratterà di risolvere un sistema che ha come incognite le tensioni e le correnti ai morsetti del bipolo, usando appunto le due suddette equazioni associate alle due KVL esterne, nel tuo caso una è particolarmente semplice, ovvero
V2=0
Se scrivi il sistema lo controlliamo.
BTW ... sparito pure questo!
"Il circuito ha sempre ragione" (Luigi Malesani)
1
voti
RenzoDF ha scritto:BTW ... sparito pure questo!... mi sa che farò proprio meglio a dedicarmi completamente al sufr!
Quanta invidia
1
voti
Ci sono diversi modi per risolverlo, puoi partire per esempio dalle equazioni costitutive a parametri Z (rappresentazione comandata in corrente), le conosci?
Se non sbaglio dovrebbero essere queste:
con I2=0
con I1 = 0
con I2 = 0
con I1 = 0Se scrivi il sistema lo controlliamo.
Se ho capito si tratta di impostare il sistema generale in cui compaiono le variabili dipendenti (I1 e I2) con le variabili indipendenti (V1 nota e V2).
Il sistema che scriverei io è questo:


-

lorenzoantenucci
10 2 - Messaggi: 12
- Iscritto il: 14 giu 2013, 11:47
0
voti
Si però ho sottointeso che V2 = 0 e lo sostituito nella seconda. Beh si non sono stato molto chiaro. Comunque sostituendo i valori e facendo alcuni passaggi ottengo questo sistema:



Sto facendo bene oppure no?



Sto facendo bene oppure no?
-

lorenzoantenucci
10 2 - Messaggi: 12
- Iscritto il: 14 giu 2013, 11:47
2
voti
lorenzoantenucci ha scritto:... Si però ho sottointeso che V2 = 0 e lo sostituito nella seconda...
Questo l'avevo capito, ma ripeto, anche nell'ultimo sistema ci sono ancora tre incognite e due equazioni.
Manca la KVL all'anello sinistro.
"Il circuito ha sempre ragione" (Luigi Malesani)
0
voti
Se non tralascio tensioni dovrebbe essere, ponendo Vg la tensione del generatore sinusoidale:

Quest'ultima non introduce nessun incognita poiché Vg è nota dal problema.

Quest'ultima non introduce nessun incognita poiché Vg è nota dal problema.
Ultima modifica di
lorenzoantenucci il 19 giu 2013, 23:13, modificato 1 volta in totale.
-

lorenzoantenucci
10 2 - Messaggi: 12
- Iscritto il: 14 giu 2013, 11:47
0
voti
lorenzoantenucci ha scritto:Se non tralascio tensioni dovrebbe essere, ponendo Vg la tensione del generatore sinusoidale:
Quest'ultima non introduce nessun incognita poiché Vg è nota dal problema.
Scusa ma avevo risposto al volo
No, quella non è l'equazione mancante e non capisco il tuo commento relativo all'introduzione di ulteriori incognite.
"Il circuito ha sempre ragione" (Luigi Malesani)
13 messaggi
• Pagina 1 di 2 • 1, 2
Torna a Elettrotecnica generale
Chi c’è in linea
Visitano il forum: Nessuno e 49 ospiti

Elettrotecnica e non solo (admin)
Un gatto tra gli elettroni (IsidoroKZ)
Esperienza e simulazioni (g.schgor)
Moleskine di un idraulico (RenzoDF)
Il Blog di ElectroYou (webmaster)
Idee microcontrollate (TardoFreak)
PICcoli grandi PICMicro (Paolino)
Il blog elettrico di carloc (carloc)
DirtEYblooog (dirtydeeds)
Di tutto... un po' (jordan20)
AK47 (lillo)
Esperienze elettroniche (marco438)
Telecomunicazioni musicali (clavicordo)
Automazione ed Elettronica (gustavo)
Direttive per la sicurezza (ErnestoCappelletti)
EYnfo dall'Alaska (mir)
Apriamo il quadro! (attilio)
H7-25 (asdf)
Passione Elettrica (massimob)
Elettroni a spasso (guidob)
Bloguerra (guerra)





