Cos'è ElectroYou | Login Iscriviti

ElectroYou - la comunità dei professionisti del mondo elettrico

Risoluzione esercizio su circuito RLC

Circuiti, campi elettromagnetici e teoria delle linee di trasmissione e distribuzione dell’energia elettrica

Moderatori: Foto Utenteg.schgor, Foto UtenteIsidoroKZ

0
voti

[1] Risoluzione esercizio su circuito RLC

Messaggioda Foto Utentegiova88 » 19 giu 2013, 11:28

Buongiorno vorrei aiuto circa un esercizio di analisi delle reti.

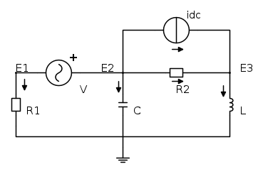
il circuito è il seguente con
V=110cos20t
idc=14
R_1=12
R_2=2
C=0.01
L=0.2
Per risolvere il circuito ho utilizzato come suggerito da voi la sovrapposizione.
Ora devo utilizzare pspice per vedere il comportamento di corrente e tensione su induttanza e capacita.
Avviata la simulazione mettendo sulle ascisse la frequenza trovo che la corrente sul condensatore e quella sulla serie condensatore e resistore(2) sono perfettamente uguali. Che significa aiuto.
Avatar utente
Foto Utentegiova88
37 5
New entry
New entry
 
Messaggi: 95
Iscritto il: 22 mag 2013, 22:53

0
voti

[2] Re: Circuito rlc

Messaggioda Foto Utenteg.schgor » 19 giu 2013, 19:52

Mancano le unità di misura e la direzione della corrente.
Avatar utente
Foto Utenteg.schgor
57,8k 9 12 13
G.Master EY
G.Master EY
 
Messaggi: 16971
Iscritto il: 25 ott 2005, 9:58
Località: MILANO

0
voti

[3] Re: Circuito rlc

Messaggioda Foto Utentegiova88 » 20 giu 2013, 9:11


Naturalmente con le unità di misura ho:
V=110 cos20t V
idc=14A
R1=12ohm
R2=2ohm
C=0.01F
L=0.2H
w=20rad/s
Avatar utente
Foto Utentegiova88
37 5
New entry
New entry
 
Messaggi: 95
Iscritto il: 22 mag 2013, 22:53

0
voti

[4] Re: Circuito rlc

Messaggioda Foto Utenteg.schgor » 20 giu 2013, 10:04

Suggerirei ora di iniziare col solo generatore di corrente.
Puoi indicare la distribuzione delle correnti nei rami
e delle tensioni ai nodi?
Avatar utente
Foto Utenteg.schgor
57,8k 9 12 13
G.Master EY
G.Master EY
 
Messaggi: 16971
Iscritto il: 25 ott 2005, 9:58
Località: MILANO

0
voti

[5] Re: Circuito rlc

Messaggioda Foto Utentegiova88 » 20 giu 2013, 10:08

egregio ingegnere ho gia risolto il circuito con la sovrapposizione considerando quindi prima il solo generatore di corrente e poi il generatore di tensione. Io dovrei risolverlo utilizzando l'analisi nodale modificata. Qui nasce il mio dubbio ossia devo per forza utilizzare la sovrapposizione visto che sono in domini diversi o c'è un altro modo?
Avatar utente
Foto Utentegiova88
37 5
New entry
New entry
 
Messaggi: 95
Iscritto il: 22 mag 2013, 22:53

0
voti

[6] Re: Circuito rlc

Messaggioda Foto Utenteg.schgor » 20 giu 2013, 10:52

Credo si possa applicare ma può creare una certa confusione.
Su questo punto lascio la parola ai professori.
Avatar utente
Foto Utenteg.schgor
57,8k 9 12 13
G.Master EY
G.Master EY
 
Messaggi: 16971
Iscritto il: 25 ott 2005, 9:58
Località: MILANO


Torna a Elettrotecnica generale

Chi c’è in linea

Visitano il forum: Nessuno e 92 ospiti