Un cordiale saluto a tutti Voi
volevo sottoporre alla Vostra attenzione il seguente quesito.
A seguito di collaudo su impianto luci scale condominiale, il progettista mi contesta il fatto che pur avendo installato tutti i pulsanti per l'accensione delle luci sul conduttore neutro( come peraltro prescritto da normative), con colorazione dell'isolante blu, abbia però utilizzato come colorazione per il conduttore di "ritorno del pulsante"il colore bianco, nonostante quest'ultimo sia poi specificatamente evidenziato all'interno delle scatole di derivazione con apposita etichettatura. Egli mi contesta il fatto che tale colorazione deve essere impiegata per soluzioni di circuiti a 24 V o giù di lì e a nulla valgono le mie rimostranze che l'utilizzo di conduttori con isolante blu sia per parte "attiva"che per parte "passiva" possano generare solo confusione....
Come posso fare per ovviare al problema, posso utilizzare in alternativa conduttori con colorazione dell'isolante turchese o viola facilmente abbinabili come blu, ci sono normative che possono venirmi in soccorso?
Grazie.
Domanda sul colore dei conduttori
Moderatori:
sebago,
MASSIMO-G,
lillo,
Mike
13 messaggi
• Pagina 1 di 2 • 1, 2
0
voti
1
voti
Gli unici colori OBBLIGATORI sono:
- Giallo/verde = terra
- Blu chiaro = neutro
Per tutto il resto non ci sono obblighi, ognuno può fare come vuole. Probabilmente quei colori erano prescritti a progetto e allora la contestazione ci sta tutta.
Ah! I comandi NON vanno mai inseriti sul neutro!
- Giallo/verde = terra
- Blu chiaro = neutro
Per tutto il resto non ci sono obblighi, ognuno può fare come vuole. Probabilmente quei colori erano prescritti a progetto e allora la contestazione ci sta tutta.
Ah! I comandi NON vanno mai inseriti sul neutro!
--
Michele Lysander Guetta
--
"Non pensare mai al dolore, al pericolo o ai nemici un momento più lungo del necessario per combatterli." — Ayn Rand
Michele Lysander Guetta
--
"Non pensare mai al dolore, al pericolo o ai nemici un momento più lungo del necessario per combatterli." — Ayn Rand
-

Mike
55,6k 7 10 12 - G.Master EY

- Messaggi: 17001
- Iscritto il: 1 ott 2004, 18:25
- Località: Conegliano (TV)
1
voti
Nei circuiti fase-neutro gli interruttori di comando unipolari devono essere inseriti sul conduttore di fase
--
Michele Lysander Guetta
--
"Non pensare mai al dolore, al pericolo o ai nemici un momento più lungo del necessario per combatterli." — Ayn Rand
Michele Lysander Guetta
--
"Non pensare mai al dolore, al pericolo o ai nemici un momento più lungo del necessario per combatterli." — Ayn Rand
-

Mike
55,6k 7 10 12 - G.Master EY

- Messaggi: 17001
- Iscritto il: 1 ott 2004, 18:25
- Località: Conegliano (TV)
0
voti
Vuol dire che i comandi funzionali devono interrompere la fase.
Del resto ci sono dei relè passo passo, con circuito di comando e potenza in comune, in cui bisogna necessariamente portare il neutro ai pulsanti per non avere poi la fase diretta ai portalampade.
Tuttavia,
non mi pare che esista alcuna norma che prescriva questo... semmai il contrario!
NB: Il collegamento con neutro ai pulsanti è quasi uno standard negli schemi di cablaggio di alcuni relè interruttori/commutatori di un noto produttore di tale componentistica, ma questa non è certo una "norma".
Saluti
Del resto ci sono dei relè passo passo, con circuito di comando e potenza in comune, in cui bisogna necessariamente portare il neutro ai pulsanti per non avere poi la fase diretta ai portalampade.
Tuttavia,
mikhael77 ha scritto:avendo installato tutti i pulsanti per l'accensione delle luci sul conduttore neutro( come peraltro prescritto da normative)
non mi pare che esista alcuna norma che prescriva questo... semmai il contrario!
NB: Il collegamento con neutro ai pulsanti è quasi uno standard negli schemi di cablaggio di alcuni relè interruttori/commutatori di un noto produttore di tale componentistica, ma questa non è certo una "norma".
Saluti
Ognuno sta solo sul cuor della terra
trafitto da un raggio di sole:
ed è subito sera
Salvatore Quasimodo
trafitto da un raggio di sole:
ed è subito sera
Salvatore Quasimodo
0
voti
L'utente penso faccia riferimento alla serie 27 della finder, dove i pulsanti devono essere obbligatoriamente sul neutro (a meno di non voler portare fase diretta alle lampade).
Cito
MassimoB con gli articoli come ti collego http://www.electroyou.it/massimob/wiki/come-ti-collego-vol-1 (tra l'altro c'è un errore nella jpg del relè 27.01 i morsetti sono contrassegnati in modo sbagliato).
Che poi finder non sappia fare i relè non mi interessa (comunque sono marchiati CE e IMQ, ma non è importante).
Per me il conduttore tra il pulsante e il relè può essere pure a pois, ma non blu.
Cito
Che poi finder non sappia fare i relè non mi interessa (comunque sono marchiati CE e IMQ, ma non è importante).
Per me il conduttore tra il pulsante e il relè può essere pure a pois, ma non blu.
"La progettazione, il primo presidio della sicurezza" [Michele Guetta]
0
voti
Grazie per le risposte,
una mia errata segnalazione al posto di "normative" volevo scrivere da "capitolato", probabilmente il progettista si è basato su una sua interpretazione del collegamento dei relé o non ha specificato come voleva che l'impianto fosse eseguito, peraltro rileggendo il capitolato non mi impone prescrizione alcuna sui conduttori si appella solamente alla regola d'arte.
Saluti
una mia errata segnalazione al posto di "normative" volevo scrivere da "capitolato", probabilmente il progettista si è basato su una sua interpretazione del collegamento dei relé o non ha specificato come voleva che l'impianto fosse eseguito, peraltro rileggendo il capitolato non mi impone prescrizione alcuna sui conduttori si appella solamente alla regola d'arte.
Saluti
0
voti
MCSA Windows Server 2012 R2
Cisco CCNA R&S - Cisco CCNA Security - Cisco CCNA Cyber Ops
CompTia A+ - CompTia Linux+ - CompTIA Systems Support Specialist CSSS
CompTia Pentest+ LPIC-1 - VCP VMware - Cisco CCNP Enterprise
Cisco CCNA R&S - Cisco CCNA Security - Cisco CCNA Cyber Ops
CompTia A+ - CompTia Linux+ - CompTIA Systems Support Specialist CSSS
CompTia Pentest+ LPIC-1 - VCP VMware - Cisco CCNP Enterprise
0
voti
Ps
Se i pulsanti agiscono sul neutro come nella serie 27 Finder i pois sono errati mentre il cavo blu no perché identifica la connessione al neutro come è giusto che sia.
Mentre il ritorno che va al relè è capitato anche a me che mi sia stato richiesto anchesso blu come in altri casi senza prescrizione è stato scelto il colore bianco o arancio per motivi di distinzione.
Se i pulsanti agiscono sul neutro come nella serie 27 Finder i pois sono errati mentre il cavo blu no perché identifica la connessione al neutro come è giusto che sia.
Mentre il ritorno che va al relè è capitato anche a me che mi sia stato richiesto anchesso blu come in altri casi senza prescrizione è stato scelto il colore bianco o arancio per motivi di distinzione.
MCSA Windows Server 2012 R2
Cisco CCNA R&S - Cisco CCNA Security - Cisco CCNA Cyber Ops
CompTia A+ - CompTia Linux+ - CompTIA Systems Support Specialist CSSS
CompTia Pentest+ LPIC-1 - VCP VMware - Cisco CCNP Enterprise
Cisco CCNA R&S - Cisco CCNA Security - Cisco CCNA Cyber Ops
CompTia A+ - CompTia Linux+ - CompTIA Systems Support Specialist CSSS
CompTia Pentest+ LPIC-1 - VCP VMware - Cisco CCNP Enterprise
0
voti
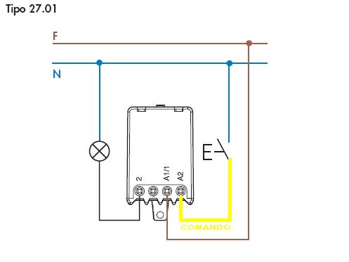
Ora inserisco le immagini del documento tecnico dei finder 27.01.
Mi semmbra che il nome dei morsetti non coincide. Ma basta cercare una foto del relè per capirlo.
Per quanto riguarda l'ultima foto, ho evidenziato in giallo il conduttore di comando.
Secondo me usare un conduttore blu lì tra il pulsante e il relè non è molto sicuro. Crea incertezza, immaginiamo che quel conduttore transiti in qualche cassetta di derivazione, qualcuno potrebbe immaginare si tratti di neutro "fisso". Forse il blu è il colore più giusto, ma a me non piace.
"La progettazione, il primo presidio della sicurezza" [Michele Guetta]
13 messaggi
• Pagina 1 di 2 • 1, 2
Torna a Impianti, sicurezza e quadristica
Chi c’è in linea
Visitano il forum: Nessuno e 34 ospiti

Elettrotecnica e non solo (admin)
Un gatto tra gli elettroni (IsidoroKZ)
Esperienza e simulazioni (g.schgor)
Moleskine di un idraulico (RenzoDF)
Il Blog di ElectroYou (webmaster)
Idee microcontrollate (TardoFreak)
PICcoli grandi PICMicro (Paolino)
Il blog elettrico di carloc (carloc)
DirtEYblooog (dirtydeeds)
Di tutto... un po' (jordan20)
AK47 (lillo)
Esperienze elettroniche (marco438)
Telecomunicazioni musicali (clavicordo)
Automazione ed Elettronica (gustavo)
Direttive per la sicurezza (ErnestoCappelletti)
EYnfo dall'Alaska (mir)
Apriamo il quadro! (attilio)
H7-25 (asdf)
Passione Elettrica (massimob)
Elettroni a spasso (guidob)
Bloguerra (guerra)



