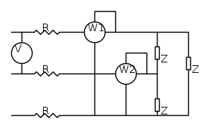
V= 380 V
f=50 Hz
R= 20 mOHM
Potenza persa in linea per effetto Joule P = 20 kW
Il fattore di potenza ai morsetti di ingresso è 0.78.
Calcolare l'impedenza del carico e le indicazioni dei due watmetri
qual è la tensione sul carico e il suo sfasameto rispetto alla tensione di alimentazione?
Ai morsetti del carico vengono disposte in parallelo al carico tre capacita a stella C=2.8 mF. La tensione e mantenuta costante
Calcolare i nuovi valori della tensione sul carico e della potenza persa in linea.
Ciao a tutti. Ho fato il seguente:

Questa è la caduta di tensione della line quindi mi calcolo la tensione sul carico (tensione di fase):



Risultato corretto.
Adesso faccio lo stesso con la potenza apparente per ricavare l'induttanza del carico:


Questo risultato è sbagliato. Dovrebbe venire 0.713 OHM.
Ho visto la soluzione di questo esercizio fatta dal prof e lui calcola la Q usando la tensione V di 380 V. Ma non è sbagliato questo? Cioè il valore del voltmetro V e 380 perche si trova a monte delle due resistenze di linea. Ma la tensione di linea ( = alla tensione di fase in questo caso) che raggiunge l'impedenza e minore di due volte la caduta di tensione sulla singola linea. Qualcuno mi puo aiutare a capire?

Elettrotecnica e non solo (admin)
Un gatto tra gli elettroni (IsidoroKZ)
Esperienza e simulazioni (g.schgor)
Moleskine di un idraulico (RenzoDF)
Il Blog di ElectroYou (webmaster)
Idee microcontrollate (TardoFreak)
PICcoli grandi PICMicro (Paolino)
Il blog elettrico di carloc (carloc)
DirtEYblooog (dirtydeeds)
Di tutto... un po' (jordan20)
AK47 (lillo)
Esperienze elettroniche (marco438)
Telecomunicazioni musicali (clavicordo)
Automazione ed Elettronica (gustavo)
Direttive per la sicurezza (ErnestoCappelletti)
EYnfo dall'Alaska (mir)
Apriamo il quadro! (attilio)
H7-25 (asdf)
Passione Elettrica (massimob)
Elettroni a spasso (guidob)
Bloguerra (guerra)




![\[\begin{array}{l}
{I_L} = \sqrt {\frac{{{P_J}}}{{3{R_L}}}} = \sqrt {\frac{{20 \times {{10}^3}}}{{3 \times 20 \times {{10}^{ - 3}}}}} = \frac{{{{10}^3}}}{{\sqrt 3 }} = 577{\rm{A}}\\
\\
{P_i} = \sqrt 3 V{I_L}\cos \varphi = \sqrt 3 \times 380 \times 577 \times 0,78 = 296{\rm{kW}}\\
\\
{Q_i} = {Q_Z} = \sqrt 3 V{I_L}\sin \varphi = \sqrt 3 \times 380 \times 577 \times 0,626 = 238{\rm{kvar}}\\
\\
{P_Z} = {P_i} - {P_L} = 296 - 20 = 276{\rm{kW}}\\
\\
{S_Z} = \sqrt {P_Z^2 + Q_Z^2} = \sqrt {{{276}^2} + {{238}^2}} = 364{\rm{kVA}}\\
\\
{V_Z} = \frac{{{S_Z}}}{{\sqrt 3 {I_L}}} = \frac{{364 \times {{10}^3}}}{{\sqrt 3 \times 577}} = 365{\rm{V}}
\end{array}\] \[\begin{array}{l}
{I_L} = \sqrt {\frac{{{P_J}}}{{3{R_L}}}} = \sqrt {\frac{{20 \times {{10}^3}}}{{3 \times 20 \times {{10}^{ - 3}}}}} = \frac{{{{10}^3}}}{{\sqrt 3 }} = 577{\rm{A}}\\
\\
{P_i} = \sqrt 3 V{I_L}\cos \varphi = \sqrt 3 \times 380 \times 577 \times 0,78 = 296{\rm{kW}}\\
\\
{Q_i} = {Q_Z} = \sqrt 3 V{I_L}\sin \varphi = \sqrt 3 \times 380 \times 577 \times 0,626 = 238{\rm{kvar}}\\
\\
{P_Z} = {P_i} - {P_L} = 296 - 20 = 276{\rm{kW}}\\
\\
{S_Z} = \sqrt {P_Z^2 + Q_Z^2} = \sqrt {{{276}^2} + {{238}^2}} = 364{\rm{kVA}}\\
\\
{V_Z} = \frac{{{S_Z}}}{{\sqrt 3 {I_L}}} = \frac{{364 \times {{10}^3}}}{{\sqrt 3 \times 577}} = 365{\rm{V}}
\end{array}\]](/forum/latexrender/pictures/e47ea31bd6062567945897664177f81f.png)




![\[\left( \begin{array}{l}
{W_1} + {W_2} = {P_Z}\\
\frac{{{W_1} - {W_2}}}{{\sqrt 3 }} = {Q_Z}
\end{array} \right.\] \[\left( \begin{array}{l}
{W_1} + {W_2} = {P_Z}\\
\frac{{{W_1} - {W_2}}}{{\sqrt 3 }} = {Q_Z}
\end{array} \right.\]](/forum/latexrender/pictures/2379449a38d6f3f090e4381fdb6540f6.png)






