Cos'è ElectroYou | Login Iscriviti

ElectroYou - la comunità dei professionisti del mondo elettrico

Esercizio doppio bipolo

Circuiti, campi elettromagnetici e teoria delle linee di trasmissione e distribuzione dell’energia elettrica

Moderatori: Foto Utenteg.schgor, Foto UtenteIsidoroKZ

0
voti

[1] Esercizio doppio bipolo

Messaggioda Foto Utentedaymos » 27 giu 2013, 16:34



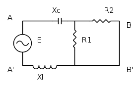
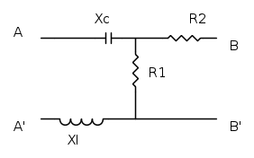
R1 = 48 ohm
R2 = 72 ohm
Xl = 24 ohm
Xc=60 ohm

a) determinare i parametri di trasmissione diretta ( Primario A A')
I morsetti B B' sono chiusi in cortocircuito;Tra i morsetti A A' è posto un generatore sinusoidale che eroga esclusivamente potenza attiva P= 2000 W
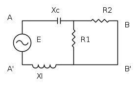
b) calcolare la tensione del generatore e la sua frequenza
c)Determinare la forza media agente sulle armature del condensatore suposto a facce piane parallele ( distanza d= 0.05 mm, permettivita elettrica relativa del dielettrico \epsilon_r=18)


Per il punto a)

Per i parametri
A={V_1 \over V_2} con I_2 = 0

C={I_1 \over V_2} con I_2 = 0




V= 1\angle 0
Z= 60\angle -37
V_2 = 0.016 \cdot R_1 = 0.8 V
A =1.25
C= 0.020

Ora per calcolare I parametri B e D cortocircuito B B'
I risultati sono:
B= 119
D=2.5

Per il punto b)




P= 2000 W

I = \sqrt{2000 \over 29} = 8.3 A
P = VI poiche Q = 0
E = {2000\over 8.3}= 240 V

Ora per calcolare la frequenza mi calcolo prima L e C con la veccia frequanza:

L = {24 \over 2 \pi 50} = 0.076 H
C= {1 \over 2 \pi \cdot 50 \cdot 60} = 5.3 \cdot 10^-5 F

Ora per calcolare la nuova frequenza impongo che Xc e Xl siano uguali

f = 79 Hz.

Per il punto c)
uso

F_x = -{1 \over 2} {q^2 \over \epsilon S}
q carica
epsilon permettivita elettrica.
ora:
q=CV
\epsilon = {C d \over S}
sostituisco e ottengo

F=-{1 \over 2} \cdot {C V^2 \over d}

Qualcuno mi puo dire se trova errori in quanto fatto?
Avatar utente
Foto Utentedaymos
83 3 7
Frequentatore
Frequentatore
 
Messaggi: 201
Iscritto il: 20 mar 2013, 12:15

2
voti

[2] Re: Esercizio doppio bipolo

Messaggioda Foto UtenteRenzoDF » 27 giu 2013, 17:32

daymos ha scritto:Qualcuno mi puo dire se trova errori in quanto fatto?


a) Tanto per cominciare i parametri della matrice di trasmissione, che sono (in generale) coefficienti complessi.

b) per la domanda b una strada alternativa poteva essere

E=\sqrt{P({{R}_{1}}||{{R}_{2}})}=240\,\text{V}

e visto che il rapporto fra le reattanza induttiva e capacitiva è proporzionale al quadrato della frequenza

{{f}_{2}}={{f}_{1}}\sqrt{\frac{{{X}_{C}}}{{{X}_{L}}}}\approx 79.1\,\text{Hz}

ma, vista la domanda c), la corrente e la capacità dovevano comunque essere calcolate.
"Il circuito ha sempre ragione" (Luigi Malesani)
Avatar utente
Foto UtenteRenzoDF
55,9k 8 12 13
G.Master EY
G.Master EY
 
Messaggi: 13189
Iscritto il: 4 ott 2008, 9:55

0
voti

[3] Re: Esercizio doppio bipolo

Messaggioda Foto Utentedaymos » 28 giu 2013, 11:38

Ho ricalcolato i parametri:

A= 1- j0.75
C = 0.0208 + j 0
B= 71 + j90
D= 2,5 +j 0

Non capisco il ragionamento per la strada alternativa che proponi per calcolare la tensione di E
Avatar utente
Foto Utentedaymos
83 3 7
Frequentatore
Frequentatore
 
Messaggi: 201
Iscritto il: 20 mar 2013, 12:15

0
voti

[4] Re: Esercizio doppio bipolo

Messaggioda Foto UtenteRenzoDF » 28 giu 2013, 15:25

daymos ha scritto:Ho ricalcolato i parametri:
A= 1- j0.75
C = 0.0208 + j 0
B= 71 + j90
D= 2,5 +j 0

A parte B=72-j90, concordo sui rimanenti.

daymos ha scritto:Non capisco il ragionamento per la strada alternativa che proponi per calcolare la tensione di E

Ho solo usato P=V^2/R
"Il circuito ha sempre ragione" (Luigi Malesani)
Avatar utente
Foto UtenteRenzoDF
55,9k 8 12 13
G.Master EY
G.Master EY
 
Messaggi: 13189
Iscritto il: 4 ott 2008, 9:55

0
voti

[5] Re: Esercizio doppio bipolo

Messaggioda Foto Utentedaymos » 28 giu 2013, 17:07

Ho ricalcolato B. A me viene 72+j91. Sto considerando I2 positivo entrante dal morsetto A. Potrebbe essere un problema di convenzioni?
Avatar utente
Foto Utentedaymos
83 3 7
Frequentatore
Frequentatore
 
Messaggi: 201
Iscritto il: 20 mar 2013, 12:15

2
voti

[6] Re: Esercizio doppio bipolo

Messaggioda Foto UtenteRenzoDF » 28 giu 2013, 18:00

daymos ha scritto:Ho ricalcolato B. A me viene 72+j91. Sto considerando I2 positivo entrante dal morsetto A. Potrebbe essere un problema di convenzioni?

Non credo, le correnti si suppongono sempre entranti alle porte; nelle equazioni costitutive della matrice di trasmissione si fa solo (per comodità) riferimento a quella uscente ovvero alla -i2, ma la i2 entra sempre ai morsetti secondari; ad ogni modo provo a mettere il discorso in forma grafo-algebrica, ovvero dalla rete


posso ricavare la corrente uscente -i2 attraverso la seguente accoppiata partitore di corrente + Ohm,

-{{i}_{2}}={{i}_{1}}\frac{{{R}_{1}}}{{{R}_{1}}+{{R}_{2}}}=\frac{{{v}_{1}}}{{{R}_{1}}||{{R}_{2}}+j({{X}_{L}}-{{X}_{C}})}\cdot \frac{{{R}_{1}}}{{{R}_{1}}+{{R}_{2}}}=\frac{{{v}_{1}}}{28.8-j36}\cdot \frac{48}{120}

dalla quale ricavo la transimpedenza B, tenendo sempre il segno meno "incollato" alla i2

B={{\left. \frac{{{v}_{1}}}{-{{i}_{2}}} \right|}_{{{v}_{2}}=0}}=72-j90

Per controllo si può ricavare la matrice di trasmissione anche da quella dell'impedenza, più facile da determinare

Z=\left[ \begin{matrix}
   {{Z}_{11}} & {{Z}_{12}}  \\
   {{Z}_{21}} & {{Z}_{22}}  \\
\end{matrix} \right]=\left[ \begin{matrix}
   48-j36 & 48  \\
   48 & 120  \\
\end{matrix} \right]\quad \Rightarrow \quad

T=\left[ \begin{matrix}
   A & B  \\
   C & D  \\
\end{matrix} \right]=\left[ \begin{matrix}
   \frac{{{Z}_{11}}}{{{Z}_{21}}} & \frac{{{Z}_{11}}{{Z}_{22}}-Z_{21}^{2}}{{{Z}_{21}}}  \\
   \frac{1}{{{Z}_{21}}} & \frac{{{Z}_{22}}}{{{Z}_{21}}}  \\
\end{matrix} \right]=\left[ \begin{matrix}
   1-j0.75 & 72-j90  \\
   0.0208 & 2.5000  \\
\end{matrix} \right]
"Il circuito ha sempre ragione" (Luigi Malesani)
Avatar utente
Foto UtenteRenzoDF
55,9k 8 12 13
G.Master EY
G.Master EY
 
Messaggi: 13189
Iscritto il: 4 ott 2008, 9:55

0
voti

[7] Re: Esercizio doppio bipolo

Messaggioda Foto Utentedaymos » 1 lug 2013, 12:14

ok, grazie. Stavo sbagliando io nella convenzione.
Avatar utente
Foto Utentedaymos
83 3 7
Frequentatore
Frequentatore
 
Messaggi: 201
Iscritto il: 20 mar 2013, 12:15


Torna a Elettrotecnica generale

Chi c’è in linea

Visitano il forum: Nessuno e 93 ospiti