Cos'è ElectroYou | Login Iscriviti

ElectroYou - la comunità dei professionisti del mondo elettrico

Regolatore di tensione con TL431...

Elettronica lineare e digitale: didattica ed applicazioni

Moderatori: Foto Utentecarloc, Foto Utenteg.schgor, Foto UtenteBrunoValente, Foto UtenteIsidoroKZ

0
voti

[1] Regolatore di tensione con TL431...

Messaggioda Foto Utentestevenitro » 29 giu 2013, 16:58

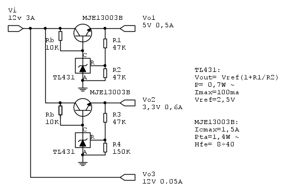
Salve a tutti, a causa di un guasto all'alimentatore interno del decoder,mi è venuto in mente di realizzarne uno partendo da un alimentatore 12V 3A.
Il decoder ha bisogno di 3 alimentazioni rispettivamente da 12 da 5 e 3,3 volt.
So bene che esiste l'integrato lm317 ma Il mio intento sarebbe quello di realizzare il suddetto alimentatore utilizzando i componenti presenti nel mio cassetto e possibilmente senza utilizzare dei dissipatori (causa mancanza di spazio nel case del decoder)... g--k
Ho buttato giù questo schema partendo da quello presente nel datasheet del TL431.



Che ne dite, secondo voi è fattibile?
Questo è il datasheet dell'integrato : http://www.ti.com/lit/ds/symlink/tl431.pdf (lo schema si trova a pagina 30).
Credo di aver dato tutti i dati,se ne mancasse qualcuno non esitate a chiedere.
Un grazie a tutti colore che mi aiuteranno O_/

Domanda niubbia time:
Siccome credo che i Watt dissipabili dal BJT non bastino,è possibile metterne piu di uno in modo che il singolo BJT, assorbendo meno corrente, riesca a dissipare la potenza? :cool:
Avatar utente
Foto Utentestevenitro
25 3
 
Messaggi: 48
Iscritto il: 4 ago 2012, 18:19

0
voti

[2] Re: Regolatore di tensione con TL431...

Messaggioda Foto Utentemarco438 » 29 giu 2013, 17:43

Ognuno e' padrone di complicarsi l'esistenza come vuole :mrgreen:
Il circuito poteva esserere risolto con 2 regolatori e qualche condensatore invece di tutta quella roba; comunque riguarderei meglio i conteggi relativi alla Vout 3.3V che, a prima vista, non mi paiono esatti (ma potrei sbagliare).
stevenitro ha scritto:Domanda niubbia time:
Siccome credo che i Watt dissipabili dal BJT non bastino,è possibile etterne piu' di uno in modo che il singolo BJT, assorbendo meno corrente, riesca a dissipare la potenza? :cool:

Per caricare ancora il circuito di componenti? Meno male che non hai spazio nel decoder. :D
Scegli due transistor piu' performanti e hai risolto (o hai anche quelli nel cassetto?)
marco
Avatar utente
Foto Utentemarco438
37,1k 7 11 13
-EY Legend-
-EY Legend-
 
Messaggi: 16323
Iscritto il: 24 mar 2010, 15:09
Località: Versilia

0
voti

[3] Re: Regolatore di tensione con TL431...

Messaggioda Foto Utentestevenitro » 29 giu 2013, 19:04

Innanzi tutto ti ringrazio per la risposta...
Per quanto riguarda la Vout di 3,3V hai ragione, in teoria l'uscita con quei resistori sarebbe di 3,28V e ad essere proprio precisi servirebbero 48k invece di 47 per avere 3,3 precisi,ma vatti a fidare dei resistori con tolleranza del 5%...
così ,tanto per aggiungere un altro componente, avevo pensato di mettere in serie a R3 un trimmer da 5K, così mi regolo per benino l'uscita :mrgreen:

Per caricare ancora il circuito di componenti? Meno male che non hai spazio nel decoder.


Non ti preoccupare sono abilissimo nel ridurre al minimo le dimensioni della basetta... :^o

Scegli due transistor piu' performanti e hai risolto (o hai anche quelli nel cassetto?)


Diciamo che ho un po di tutto ma di transistor più potenti di quelli ne ho trovato solo 1 e stando al datasheet regge fino a 3,5W!
Diciamo che ho un po di dubbi ma per quello che serve a me dovrebbe bastare...
Ecco il datasheet:
http://www.brynmawr.edu/physics/courses ... ip3055.pdf

Per quanto riguarda la domanda niubbia non ho ben capito se la cosa è fattibile, in questo caso metterei insieme i due mje13003... :roll:
Avatar utente
Foto Utentestevenitro
25 3
 
Messaggi: 48
Iscritto il: 4 ago 2012, 18:19

0
voti

[4] Re: Regolatore di tensione con TL431...

Messaggioda Foto Utentemarco438 » 29 giu 2013, 19:07

Si si possono mettere piu' transistor in parallelo ma lo spazio? Meglio se metti i TIP3055, 90W sono senza dubbio sufficienti.
marco
Avatar utente
Foto Utentemarco438
37,1k 7 11 13
-EY Legend-
-EY Legend-
 
Messaggi: 16323
Iscritto il: 24 mar 2010, 15:09
Località: Versilia

1
voti

[5] Re: Regolatore di tensione con TL431...

Messaggioda Foto Utentecarloc » 1 lug 2013, 12:23

....occhio che quelle Rb=10kohm non sono assolutamente sufficienti a fornire la corrente di base necessaria per le correnti di uscita che hai scritto ;-)

Poi invece un paio di cose non sicure ma che comunque mi fanno pensare:
io calerei un po' le resistenze del partitore R1,R2,R3,R4 sia per evitare offset dovuti alla corrente Iref, sia per evitare di introdurre (insieme alle capacità di ingresso e parassite) poli troppo in basso nella catena di feedback.

Infine valuterei la possibilità di inserire una compensazione (tipo figura 22 a pag.29 del datasheet del TL431 che hai linkato)
Se ti serve il valore di beta: hai sbagliato il progetto!
Avatar utente
Foto Utentecarloc
33,8k 6 11 13
G.Master EY
G.Master EY
 
Messaggi: 2153
Iscritto il: 7 set 2010, 19:23

0
voti

[6] Re: Regolatore di tensione con TL431...

Messaggioda Foto UtenteFedericoSibona » 1 lug 2013, 13:18

Foto Utentecarloc, sei un problema, quando intervieni tu non resta più niente da dire :D
Avatar utente
Foto UtenteFedericoSibona
5.022 3 5 8
Master
Master
 
Messaggi: 3951
Iscritto il: 19 mar 2013, 11:43

0
voti

[7] Re: Regolatore di tensione con TL431...

Messaggioda Foto Utentethunderbolt128 » 1 lug 2013, 13:58

Scusate, ma un decoder quanto consuma?
A prima vista mi sembrano molti 12v 3A (66 watt).
Non so di che decoder si tratti ma temo che sia un po' sprecato un alimentatore del genere per quello scopo.
Potrei anche sbagliare ovviamente :-) quindi chiedo conferma a chi ne capisce molto più di me.....

:D
Alla fine, non ricorderemo le parole dei nostri nemici, ma i silenzi dei nostri amici.
Martin Luther King
Avatar utente
Foto Utentethunderbolt128
1.640 1 8 13
Expert
Expert
 
Messaggi: 721
Iscritto il: 4 set 2012, 13:57

0
voti

[8] Re: Regolatore di tensione con TL431...

Messaggioda Foto Utenterusty » 1 lug 2013, 15:58

thunderbolt128 ha scritto:Scusate, ma un decoder quanto consuma?
A prima vista mi sembrano molti 12 V 3A (66 watt).


Se fossero 36 W pero' non sarebbe tanto assurdo, no? :mrgreen:
Avatar utente
Foto Utenterusty
4.075 2 9 11
Utente disattivato per decisione dell'amministrazione proprietaria del sito
 
Messaggi: 1578
Iscritto il: 25 gen 2009, 13:10

0
voti

[9] Re: Regolatore di tensione con TL431...

Messaggioda Foto Utentethunderbolt128 » 1 lug 2013, 18:21

rusty ha scritto:Se fossero 36 W pero' non sarebbe tanto assurdo, no? :mrgreen:

Già..... :ok:
Alla fine, non ricorderemo le parole dei nostri nemici, ma i silenzi dei nostri amici.
Martin Luther King
Avatar utente
Foto Utentethunderbolt128
1.640 1 8 13
Expert
Expert
 
Messaggi: 721
Iscritto il: 4 set 2012, 13:57

0
voti

[10] Re: Regolatore di tensione con TL431...

Messaggioda Foto Utentestevenitro » 1 lug 2013, 22:43

Grazie a tutti per le risposte...
Ma comunque penso di dover abbandonare il progetto in quanto temo che lo spazio sul decoder non sia sufficente, figuariamoci se devo aggiungere componenti come suggerito da carloc ...
In alternativa potrei rivalutare la proposta fattami da marco nel post numero 2, sempre se sia possibile non utilizzare un dissipatore, oppure acquistare questo modulo trovato su ebay:
http://www.ebay.com/itm/121130279452
ssPageName=STRK:MEWAX:IT&_trksid=p3984.m1438.l2649
Secondo voi regge?
Avatar utente
Foto Utentestevenitro
25 3
 
Messaggi: 48
Iscritto il: 4 ago 2012, 18:19

Prossimo

Torna a Elettronica generale

Chi c’è in linea

Visitano il forum: Google Adsense [Bot] e 51 ospiti