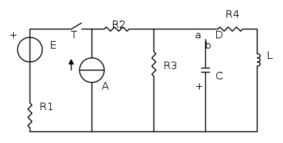
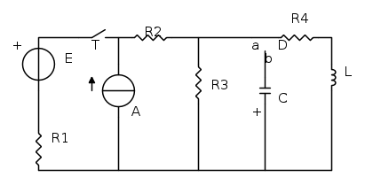
R1= 25 ohm
R2= 25 ohm
R3=75 ohm
R4=20 ohm
L=25 mH
C=400 microF
A= 6A
E=300V
Il condensatore è carico alla tensione di 40 V. All'istante t=0 viene chiuso l'interruttore T.
a)calcolare l'andamento della corrente nell'induttore
b)Calcolare la potenza istantanea del generatore E
A transitorio estinto ilil commutatore D è portato in posizione b
c)Utilizzando le trasformate di Laplace, definire durata e tipologia del transitorio e calcolare l'andamento della corrente nell'induttore.
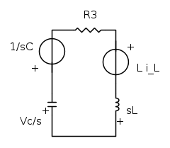
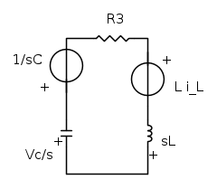
Per il punto a) utilizzo la formula
![I_L = I(t = \infty)+ [I(t= 0)-I(t= \infty)]e^{t \over \tau} I_L = I(t = \infty)+ [I(t= 0)-I(t= \infty)]e^{t \over \tau}](/forum/latexrender/pictures/0d394dbfe69c5d70e289b795e78df5d8.png)
= la corrente nel ramo 4 con solo il GIC attaccato
= la corrente nel ramo 4 con entrambi i generatori attaccatiPer calcolare questo valore applico Thevenin tagliando ai capi dell'induttore.
Poi applico sovrapposizione delgi effetti per cercare la tensione ai capi di R3.



Il nuovo circuito è:
la costante di tempo vale L / Rth


Per il punto b) non ho idea di come si faccia. la potenza istantanea credo che sia il prodotto tra tensione e corrente attraverso il GIT in forma sinusoidale ma è un generatore i continua. Mi sta chiedendo il valore della potenza istantanea durante il transitorio? Se qualcuno sa come si procede?
Per il punto c)
L'equazione nel dominio del tempo è:

Nel dominio di Laplace:
l'equazione diventa:



E giusto fino a qui? non ho risutati di questo esercizio.

Elettrotecnica e non solo (admin)
Un gatto tra gli elettroni (IsidoroKZ)
Esperienza e simulazioni (g.schgor)
Moleskine di un idraulico (RenzoDF)
Il Blog di ElectroYou (webmaster)
Idee microcontrollate (TardoFreak)
PICcoli grandi PICMicro (Paolino)
Il blog elettrico di carloc (carloc)
DirtEYblooog (dirtydeeds)
Di tutto... un po' (jordan20)
AK47 (lillo)
Esperienze elettroniche (marco438)
Telecomunicazioni musicali (clavicordo)
Automazione ed Elettronica (gustavo)
Direttive per la sicurezza (ErnestoCappelletti)
EYnfo dall'Alaska (mir)
Apriamo il quadro! (attilio)
H7-25 (asdf)
Passione Elettrica (massimob)
Elettroni a spasso (guidob)
Bloguerra (guerra)





che hai calcolato andrai a ricavarti la
erogata dal generatore e quindi la potenza istantanea con un semplice prodotto 
, corrente che potremo rinominare come nuova
, se facciamo ripartire il tempo dal momento della chiusura del deviatore D.
ma bensì
... no asterischi ... per i prodotti numerici usa la X, per es. 


ho usato la sovrapposizione degli effetti. Mi viene 180 V solo con il GIT e 225 V solo con il GIC.
io l'ho sempre usato per indicare il prodotto esterno tra due vettori. Se uso il punto
va bene per tutti?