Cos'è ElectroYou | Login Iscriviti

ElectroYou - la comunità dei professionisti del mondo elettrico

Esercizio Teorema di Boucherot

Circuiti, campi elettromagnetici e teoria delle linee di trasmissione e distribuzione dell’energia elettrica

Moderatori: Foto Utenteg.schgor, Foto UtenteIsidoroKZ

0
voti

[1] Esercizio Teorema di Boucherot

Messaggioda Foto Utentelorenzoantenucci » 4 lug 2013, 23:34

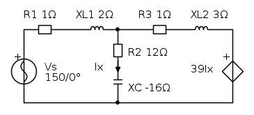
Il mio problema è il seguente. Devo calcolare le potenze attive e reattive assorbite da ogni impedenza e quelle erogate dai generatori. Poi devo verificare il risultato attraverso il teorema di Boucherot.


Pensavo di risolverlo applicando il principio di sovrapposizione degli effetti ma non conoscendo Ix, la tensione del generatore controllato è incognita.

Quindi pensavo di risolverlo utilizzando il metodo alle maglie impostando un sistema di 3 equazioni in 3 incognite, cioè:

\begin{equation}
   \begin{cases}
   150=(Z_1+Z_2)I_1-Z_2 I_2\\-39I_X = (Z_2 + Z_3)I_2 - Z_2 I_1\\Ix = I_1-I_2
   \end{cases}
\end{equation}

Vorrei sapere se è giusto il sistema è soprattutto se porta da qualche parte perché mi è venuto il dubbio che le correnti non mi siano d'aiuto nel calcolare le potenze dei vari componenti. Qualche consiglio??

Nota: perché il simbolo di ohm sullo schema mi viene mostrato in quel modo ??
Avatar utente
Foto Utentelorenzoantenucci
10 2
 
Messaggi: 12
Iscritto il: 14 giu 2013, 11:47

3
voti

[2] Re: Esercizio Teorema di Boucherot

Messaggioda Foto UtenteRenzoDF » 5 lug 2013, 0:11

Il sistema è corretto, alternativamente si potrebbe usare Millman, ma ricavare direttamente le correnti di maglia porta al risparmio delle successive applicazioni di Ohm generalizzato e quindi direi sia il metodo migliore. :ok:

Se posti i valori corretti dei parametri poi correggo io lo schema.

Perbacco se servono le correnti, come pensavi di calcolarle le potenze?
"Il circuito ha sempre ragione" (Luigi Malesani)
Avatar utente
Foto UtenteRenzoDF
55,9k 8 12 13
G.Master EY
G.Master EY
 
Messaggi: 13189
Iscritto il: 4 ott 2008, 9:55

0
voti

[3] Re: Esercizio Teorema di Boucherot

Messaggioda Foto Utentelorenzoantenucci » 6 lug 2013, 11:35

Un' ultima domanda una volta che ho calcolato le correnti di maglia posso calcolare le potenze attive e reattive utilizzando joule in questo modo?

P_1 = R_1 I_1^2
e poi
Q_1 = X_1 I_1^2
e cosi via.
E per i generatori ?? Utilizzo sempre la corrente di maglia vero ??
Avatar utente
Foto Utentelorenzoantenucci
10 2
 
Messaggi: 12
Iscritto il: 14 giu 2013, 11:47

2
voti

[4] Re: Esercizio Teorema di Boucherot

Messaggioda Foto UtenteRenzoDF » 6 lug 2013, 11:48

Per P1 e Q1 si, visto che la corrente di maglia viene a coincidere con quella di ramo, ma per il ramo centrale la corrente te la devi calcolare dalla somma algebrica delle due correnti d'anello.

Per i generatori non puoi usare il semplice modulo, ma devi calcolare la potenza complessa via prodotto fasoriale (fasore della tensione ai morsetti moltiplicato per il coniugato della corrente) e chiaramente dovrai valutare il segno (generata o assorbita) in base alla convenzione (se dei generatori o degli utilizzatori).

BTW occhio al tipo di rappresentazione fasoriale che vai ad usare; se usi fasori a valore massimo devi dividere tutto per due anche P1 e Q1. ;-)
"Il circuito ha sempre ragione" (Luigi Malesani)
Avatar utente
Foto UtenteRenzoDF
55,9k 8 12 13
G.Master EY
G.Master EY
 
Messaggi: 13189
Iscritto il: 4 ott 2008, 9:55

0
voti

[5] Re: Esercizio Teorema di Boucherot

Messaggioda Foto Utentelorenzoantenucci » 6 lug 2013, 12:08

per il ramo centrale la corrente te la devi calcolare dalla somma algebrica delle due correnti d'anello.

Si, in questo caso:
P_2 = R_2 I_x^2
Q_2 = X_2_2 I_x^2

devi calcolare la potenza complessa via prodotto fasoriale

Giusto, non conoscendo lo sfasamento tra tensione e corrente non posso ricavarmi la potenza attiva/reattiva e quindi neanche la potenza complessa.

occhio al tipo di rappresentazione fasoriale che vai ad usare; se usi fasori a valore massimo devi dividere tutto per due anche P1 e Q1.


Le grandezze che hanno un pedice sono espresse in valore efficace. In questo particolare caso sono i generatori di tensione e le correnti calcolate.

Grazie ancora !!!
Avatar utente
Foto Utentelorenzoantenucci
10 2
 
Messaggi: 12
Iscritto il: 14 giu 2013, 11:47

1
voti

[6] Re: Esercizio Teorema di Boucherot

Messaggioda Foto UtenteRenzoDF » 6 lug 2013, 19:33

lorenzoantenucci ha scritto:...Giusto, non conoscendo lo sfasamento tra tensione e corrente non posso ricavarmi la potenza attiva/reattiva e quindi neanche la potenza complessa.

Questa non l'ho capita.

lorenzoantenucci ha scritto:... Le grandezze che hanno un pedice sono espresse in valore efficace. ...

E questa cos'è, un'altra regola H-demica? ... e se volessi usare fasori a valore massimo, come dovrei indicarli?

BTW ... qui su EY è consuetudine postare la soluzione al problema; per i lettori del Forum. ;-)
"Il circuito ha sempre ragione" (Luigi Malesani)
Avatar utente
Foto UtenteRenzoDF
55,9k 8 12 13
G.Master EY
G.Master EY
 
Messaggi: 13189
Iscritto il: 4 ott 2008, 9:55


Torna a Elettrotecnica generale

Chi c’è in linea

Visitano il forum: Nessuno e 26 ospiti