Cos'è ElectroYou | Login Iscriviti

ElectroYou - la comunità dei professionisti del mondo elettrico

Resistenza variabile automatica

Elettronica lineare e digitale: didattica ed applicazioni

Moderatori: Foto Utentecarloc, Foto Utenteg.schgor, Foto UtenteBrunoValente, Foto UtenteIsidoroKZ

0
voti

[1] Resistenza variabile automatica

Messaggioda Foto UtenteBeppe83 » 9 lug 2013, 14:15

Ciao a tutti, sono un nuovo utente.
Scrivo qui per cercare un aiuto circa uno schema elettronico.
Prima di tutto ci tengo a dire che non sono espertissimo; sono più un hobbysta appassionato :-)

Io in pratica ho un circuito bastato su due ne555, con i quali faccio lampeggiare dei led. Per variare la frequenza dei lampeggi agisco su un potenziometro da 1 Mega Ohm.
Vorrei rimpiazzarlo con un circuito che simuli una resistenza variabile/programmabile, per non dover agire tutte le volte sul potenziometro, per cambiare la frequenza dei lampeggi, per poter ottenere giochi di luce/lampeggi automatizzati :-)

Preciso che non vorrei utilizzare un microcontroller come l'arduino, ma realizzare la cosa in maniera più semplice.. In giro ho letto che potrei realizzare la cosa con un multiplexer HEF4067 alle quali uscite potrei collegare varie resistenze per cambaire automaticamente i lampeggi/frequenze.. Ad esempio: quando il potenziometro è ad 1 Mega Ohm i lampeggi sono lenti e più diminuisco la resistenza dal potenziometro i lampeggi sono più veloci.. E quindi al posto del potenziometro vorrei collegare un circuito che vari automaticamente la frequenza ogni tot secondi (ad es: 10 secondi a 1 mega ohm, dopo dieci secondi a 500 kohm, dopo altri dieci a 200 kohm e così via, ciclicamente).
Avete un qualche schema da suggerirmi per ottenere la cosa?

EDIT: Il seguente è lo schema che utilizzo:
Immagine

Praticamente vorrei sostituire il potenziometro da 1 Mega Ohm (evidenziato in rosso) col circuito che vari automaticamente la resistenza in maniera ciclica e temporizzata.

Grazie mille per l'attenzione.
Avatar utente
Foto UtenteBeppe83
10 3
 
Messaggi: 11
Iscritto il: 9 lug 2013, 1:48

1
voti

[2] Re: Resistenza variabile automatica

Messaggioda Foto Utentesimo85 » 9 lug 2013, 14:37

Ciao Foto UtenteBeppe83,

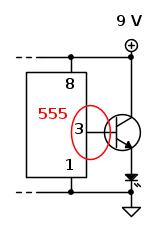
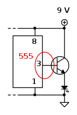
Nello schema c'è un errore sul secondo 555 (quello di destra) che subito salta all'occhio, cerchiato in rosso.



Il transistore si rompe subito. Meglio così:



Gli schemi meglio farli in FidoCad. ;-)
Avatar utente
Foto Utentesimo85
30,9k 7 12 13
Disattivato su sua richiesta
 
Messaggi: 9927
Iscritto il: 30 ago 2010, 4:59

0
voti

[3] Re: Resistenza variabile automatica

Messaggioda Foto UtenteBeppe83 » 9 lug 2013, 14:50

Ciao Simo,

grazie per il suggerimento! Ad ogni modo dopo mesi di utilizzo, per fortuna, il transistor non si è bruciato :-)
Ma ad ogni modo se mi dici che è meglio configurarlo secondo le tue modifiche, così farò!
Quali sono i valori delle resistenze R1 e R2?

Grazie.
Avatar utente
Foto UtenteBeppe83
10 3
 
Messaggi: 11
Iscritto il: 9 lug 2013, 1:48

0
voti

[4] Re: Resistenza variabile automatica

Messaggioda Foto Utentesimo85 » 9 lug 2013, 15:00

Beppe83 ha scritto:Quali sono i valori delle resistenze R1 e R2?

Io userei questi valori.

\begin{align}R_1 \approx 180\,\Omega\\
R_2 \approx 15\,\text{k}\Omega\end{align}
Avatar utente
Foto Utentesimo85
30,9k 7 12 13
Disattivato su sua richiesta
 
Messaggi: 9927
Iscritto il: 30 ago 2010, 4:59

0
voti

[5] Re: Resistenza variabile automatica

Messaggioda Foto UtenteBeppe83 » 9 lug 2013, 15:03

Bene, grazie mille!
Oggi provvederò alla modifica :-)

Hai anche qualche suggerimento per la sostituzione del potenziometro da 1 Mega Ohm con qualcosa di automatizzato? :-)
Avatar utente
Foto UtenteBeppe83
10 3
 
Messaggi: 11
Iscritto il: 9 lug 2013, 1:48

0
voti

[6] Re: Resistenza variabile automatica

Messaggioda Foto Utentemarco438 » 9 lug 2013, 16:30

Quello che chiedi non e' di semplice attuazione e richiede qualche informazione in piu', prima fra tutte quante volte deve cambiare la frequenza e in base a quale criterio di tempo; in piu', se si tratta soltanto di fare lampeggiare dei led, il circuito che hai postato non mi pare il massimo e potrebbe essere semplificato.
Quanti sono i led ed in quale configurazione?
marco
Avatar utente
Foto Utentemarco438
37,1k 7 11 13
-EY Legend-
-EY Legend-
 
Messaggi: 16323
Iscritto il: 24 mar 2010, 15:09
Località: Versilia

0
voti

[7] Re: Resistenza variabile automatica

Messaggioda Foto UtenteBeppe83 » 9 lug 2013, 19:07

Ciao Foto Utentemarco438

Allora: il circuito dovrebbe cambiare frequenza ogni dieci secondi (questo per dare un esempio: poi potrei decidere di far cambiare frequenza ogni 20 secondi) E la frequenza, come detto, è determinata dal valore in ohm del potenziometro da 1 Mega Ohm. Quindi ora, anziché parlare di frequenza, parlerò di valore in Ohm dato che ques'ultima è determinata dalla resistenza.
Esempio:

Step1:
10 secondi a 1 Mega Ohm
step2:
10 secondi a 500 K Ohm
step3
10 secondi a 200 K Ohm
step4:
10 secondi a 70 K Ohm

Per poi ripetere il tutto in loop.

N.B: Questi valori in Ohm sono al momento indicativi; mi devo mettere col tester a misurare i valori in Ohm precisi in base ai vari lampeggi che voglio ottenere.

Pensavo anche di poter utilizzare un commutatore a tre vie ad ognuna delle quali mettere una resistenza di diverso valore, in modo tale da non dover stare a girare il potenziometro per trovare la frequenza dei lampeggi che più mi aggrada, ma sarebbe comunque un cambiamento da eseguire manualmente. Quindi io cercavo un circuito che potesse fare il tutto automaticamente.

I led sono 40, in parallelo, per questo, differentemente dal circuito mostrato ho messo un transistor che possa gestire una corrente più alta.
Avatar utente
Foto UtenteBeppe83
10 3
 
Messaggi: 11
Iscritto il: 9 lug 2013, 1:48

0
voti

[8] Re: Resistenza variabile automatica

Messaggioda Foto Utenterusty » 9 lug 2013, 19:30

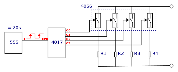
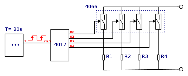
Idea al volo che mi è venuta... tanto per cominciare a buttar giu' qualcosa.
Il tutto molto generico, reset sul 4017 da implementare, dipende da quanti valori vuoi commutare.
Al posto del 4017 ci vedrei bene anche 4 DFF o JKFF.



P.S. In questo caso userei un micro... qui ci vorrebbe proprio :mrgreen:
Avatar utente
Foto Utenterusty
4.075 2 9 11
Utente disattivato per decisione dell'amministrazione proprietaria del sito
 
Messaggi: 1578
Iscritto il: 25 gen 2009, 13:10

0
voti

[9] Re: Resistenza variabile automatica

Messaggioda Foto Utentemarco438 » 9 lug 2013, 19:39

rusty ha scritto:P.S. In questo caso userei un micro... qui ci vorrebbe proprio :mrgreen:

Certo sarebbe piu' semplice ma l'idea che hai avuto non e' male e implementandola dovrebbe funzionare; sentiamo cosa ne pensa Foto UtenteBeppe83.
Quello che non mi torna e' il perche' tu abbia usato quella configurazione con due 555 se ti basta un semplice lampeggio.
marco
Avatar utente
Foto Utentemarco438
37,1k 7 11 13
-EY Legend-
-EY Legend-
 
Messaggi: 16323
Iscritto il: 24 mar 2010, 15:09
Località: Versilia

0
voti

[10] Re: Resistenza variabile automatica

Messaggioda Foto UtenteBeppe83 » 9 lug 2013, 19:56

Come ho già avuto modo di dire inizalmente io sono un semplice appassionato di elettronica e quindi se l'idea di Foto Utenterusty funziona nel modo che dico io, domani posso già andare a comprare i componenti :-)

In tal proposito, rusty, potresti disegnarmi, gentilmente, lo schema completo (anche con le altre piedinature del 555 ed il numero dei pin del 4066)? Come detto non sono un esperto e dunque te ne sarei molto grato :-)

Foto Utentemarco438:
Ho usato due ne555 per poter regolare anche il duty cicle e la luminosità; in tal modo, quando i lampeggi hanno una bassa frequenza emettono una luce bassa che io posso alzare con l'altro potenziometro, mentre ad alta frequenza la luminosità è quasi al massimo e la posso abbassare sempre con l'altro potenziometro.
Avatar utente
Foto UtenteBeppe83
10 3
 
Messaggi: 11
Iscritto il: 9 lug 2013, 1:48

Prossimo

Torna a Elettronica generale

Chi c’è in linea

Visitano il forum: Nessuno e 89 ospiti