Il gatto a nove code con te è insufficiente... 
Moderatori:
carloc,
g.schgor,
BrunoValente,
IsidoroKZ


claudiocedrone ha scritto:(se ti serve posso prestarti il gatto a nove code)
tecfil ha scritto:4.3 quadratini, perché devo prendere tutte le frequenze dispari al di sotto del filtro, quindi in totale 4.3
nel disegno dell'onda quadra? Nota bene che adesso stiamo parlando di un segnale nel tempo, non abbiamo ancora cominciato l'analisi in frequenza...claudiocedrone ha scritto:#-o Il gatto a nove code con te è insufficiente...matteoDL procurati anche una fune e un taser
![]()
tecfil ha scritto:Ok allora servono 2 quadratini![]()
![]()
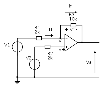
in funzione di
e
?
in funzione di
e
.
è pari a
. Il modello ci permette di assumere inoltre
, di conseguenza la caduta di tensione su
è...
. Morale della favola abbiamo che
è dato dalla somma di
e
moltiplicati per alcuni coefficienti che comunque nella nostra analisi non ci interessano.
ha frequenza 1000,
ha frequenza 300, quindi
dato dalla somma dei due sarà ancora un periodico ma con che frequenza?
però non so come ricavarla
, dell'altro
. Si tratta quindi di trovare il periodo totale, cioè dopo quanto tempo il segnale ritorna a essere uguale, ovvero il minimo comune multiplo dei due periodi..Visitano il forum: Nessuno e 75 ospiti