A quando il posto è occupato. Sul soffitto vi sono 2 led: il led rosso si accende quando il posto è occupato, mentre il led verde si accende quando il posto è libero. All'ingresso del posteggio c'è un display che indica il numero di posteggi disponibili. Dopo averlo implementato, ho controllato la soluzione ed ho notato che vi è un derivatore che io non utilizzato e non capisco la sua funzione. Qualcuno può aiutarmi???? Allego lo schema.. Grazie milleProblema derivatore
Moderatori:
carloc,
g.schgor,
BrunoValente,
IsidoroKZ
13 messaggi
• Pagina 1 di 2 • 1, 2
0
voti
Salva a tutti, ho implementato un progetto che richiedeva di gestire un posteggio. Praticamente vi sono 10 posteggi ognuno dei quali ha un sensore di prossimità che fornisce una corrente di 50
A quando il posto è occupato. Sul soffitto vi sono 2 led: il led rosso si accende quando il posto è occupato, mentre il led verde si accende quando il posto è libero. All'ingresso del posteggio c'è un display che indica il numero di posteggi disponibili. Dopo averlo implementato, ho controllato la soluzione ed ho notato che vi è un derivatore che io non utilizzato e non capisco la sua funzione. Qualcuno può aiutarmi???? Allego lo schema.. Grazie mille
A quando il posto è occupato. Sul soffitto vi sono 2 led: il led rosso si accende quando il posto è occupato, mentre il led verde si accende quando il posto è libero. All'ingresso del posteggio c'è un display che indica il numero di posteggi disponibili. Dopo averlo implementato, ho controllato la soluzione ed ho notato che vi è un derivatore che io non utilizzato e non capisco la sua funzione. Qualcuno può aiutarmi???? Allego lo schema.. Grazie mille0
voti
)A parte l'assurdità del "progetto" (un sensore per ogni
posto-macchina? 2 LED per segnalare se il posto è occupato o no?
impiego di logica TTL, ecc.), consiglierei di vedere come funziona
un contatore 74192 (in particolare la TRUTH TABLE)
posto-macchina? 2 LED per segnalare se il posto è occupato o no?
impiego di logica TTL, ecc.), consiglierei di vedere come funziona
un contatore 74192 (in particolare la TRUTH TABLE)
0
voti
In effetti, per sapere se e quanti posti liberi ci sono è sufficiente il conteggio delle auto che entrano e di quelle che escono. Perché poi i led sul soffitto? Chi entra di solito vede se un posto macchina è occupato o no
Titti89 se ci sono motivi particolari a favore della complessità del tuo circuito, faccelo sapere.
-

FedericoSibona
5.022 3 5 8 - Master

- Messaggi: 3951
- Iscritto il: 19 mar 2013, 11:43
0
voti
In moltissimi nuovi centri commerciali esiste un sistema che indica i posti liberi con una lucina verde e quelli occupati con la rispettiva spia rossa, con annesso tabellone conta posti all'entrata e tabelloni luminosi indicanti come raggiungere i posti liberi.
http://www.fuchs-technik.com/it/fuchs/prodotti/parking-system/rilevamento-veicoli.html
http://www.fuchs-technik.com/it/fuchs/prodotti/parking-system/rilevamento-veicoli.html
- Allegati
-
- Prinzip_05.jpg (52.89 KiB) Osservato 12650 volte
0
voti
Grazie per la risposta
g.schgor, in effetti ho dei dubbi a riguardo su come ho implementato l'UP/DOWN del contatore
.
Se non erro l'integrato 74192 è un contatore up/down decimale. Le linee UP/DOWN: sono sempre alti. Sul fronte di salita di UP, il contatore si incrementa di 1, sul fronte di salita di DOWN il contatore si decrementa di 1; LOAD a livello alto e CLEAR a livello basso in entrambi i casi.
Non capisco bene cosa devo collegare agli ingressi UP/DOWN, per far si che si verifichino tali condizioni. Confido in un Suo aiuto
Se non erro l'integrato 74192 è un contatore up/down decimale. Le linee UP/DOWN: sono sempre alti. Sul fronte di salita di UP, il contatore si incrementa di 1, sul fronte di salita di DOWN il contatore si decrementa di 1; LOAD a livello alto e CLEAR a livello basso in entrambi i casi.
Non capisco bene cosa devo collegare agli ingressi UP/DOWN, per far si che si verifichino tali condizioni. Confido in un Suo aiuto
0
voti
Grazie per la risposta
FedericoSibona. Dal prof il progetto è stato impostato in questo modo, a noi le considerazioni didattiche, la mia perplessità riguarda l'utilizzo dei derivatori. In quanto il derivatore è un dispositivo che dà in uscita un segnale proporzionale alla derivata del segnale d’ingresso; ossia la forma d’onda d'uscita è la derivata della forma d’onda d’ingresso, e non capisco la sua l'implementazione nel progetto 
0
voti
Grazie
matteo92, dovrei implementare qualcosa del genere, ho svolto il progetto, ma guardando la soluzione ho notato che sono utilizzati i derivatori (dispositivo che dà in uscita un segnale proporzionale alla derivata del segnale d’ingresso; ossia la forma d’onda d'uscita è la derivata della forma d’onda d’ingresso) e non riesco a capire il motivo di tale utilizzo

0
voti
Quello nel messaggio [1] è lo schema della soluzione proposta dal professore oppure è lo schema della tua soluzione? Suppongo la tua vero?
Magari allega o copia il testo del problema..
Magari allega o copia il testo del problema..
0
voti
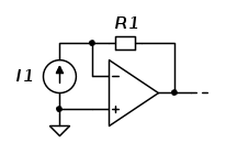
Titti89 ha scritto:(..) la parte riguardante il derivatore è stata suggerita dal prof.
L'ho chiesto perché la implementazione del convertitore corrente >> tensione non convince.
Penso che un circuito come questo sia più corretto:
Dove il generatore di corrente
rappresenta il sensore.Onestamente non capisco bene lo scopo del derivatore.
Vedo più utile un comparatore ad isteresi ma non so che idea abbia il tuo professore.
13 messaggi
• Pagina 1 di 2 • 1, 2
Chi c’è in linea
Visitano il forum: Nessuno e 171 ospiti

Elettrotecnica e non solo (admin)
Un gatto tra gli elettroni (IsidoroKZ)
Esperienza e simulazioni (g.schgor)
Moleskine di un idraulico (RenzoDF)
Il Blog di ElectroYou (webmaster)
Idee microcontrollate (TardoFreak)
PICcoli grandi PICMicro (Paolino)
Il blog elettrico di carloc (carloc)
DirtEYblooog (dirtydeeds)
Di tutto... un po' (jordan20)
AK47 (lillo)
Esperienze elettroniche (marco438)
Telecomunicazioni musicali (clavicordo)
Automazione ed Elettronica (gustavo)
Direttive per la sicurezza (ErnestoCappelletti)
EYnfo dall'Alaska (mir)
Apriamo il quadro! (attilio)
H7-25 (asdf)
Passione Elettrica (massimob)
Elettroni a spasso (guidob)
Bloguerra (guerra)






