dbe8f ha scritto:Speò essere stato abbastanza chiaro, non è facile da spiegare.
Allora, mi pare di aver capito quasi tutto.

Solo un ultimo dubbio: come si capisce in che direzione si stanno muovendo i treni? Il sistema invia un valore di tensione diverso? Perché se non c'è modo di saperlo direttamente, mi sa che serve considerare almeno tre diversi blocchi, non due.
boiler ha scritto:Anche il primo è asincrono
E come tali io non ci farei affidamento.
KISS: Keep it strictly synchronous.
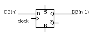
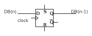
Certo che anche il primo è asincrono, ma quello è così palese che non ci ho tenuto a specificarlo. Sull'ingresso di clock
non è collegato un clock. E, come ho detto, non funziona.
Sul fatto di non fare affidamento su alcun circuito asincrono, sono totalmente in disaccordo: evitare logica asincrona è essenziale se si sta lavorando in domini di logica sincrona. Qua stiamo parlando di un plastico ferroviario, non di una FPGA. Non per niente, il motto KISS è nato nell'ambito dei progetti sincroni statici su CPLD/FPGA.
Non vedo perché ad un semaforo dovrebbe dare fastidio un ingresso asincrono (rispetto a quale clock poi? il semaforo ha un clock?).
