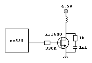
Ho alcuni vecchi mosfet IRF640 con i quali dovrei pilotare dei motori DC in PWM.
Ho sistemato un astabile (in PWM) con ne555 che mi genera un'onda pulita (vista all'oscilloscopio).Ovviamente quando collego l'uscita dell'ne555 al gate del mosfet questo viene totalmente distorto (varia anche la frequenza).
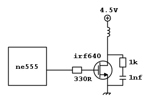
Ho pensato che magari una picola resistenza di 330 ohm potesse risolvere il problema (in effetti il segnale rimane piuttosto pulito):
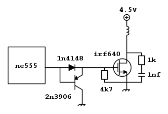
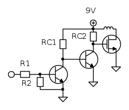
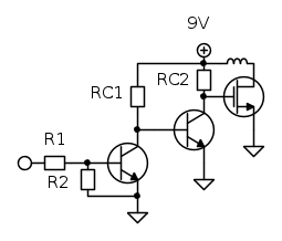
Ho provato ad interfacciarli ricordandomi uno schema di nuova elettronica ma probabilmente ricordo male:
il transistor pnp dovrebbe far "scaricare" prima il fet...
La domanda è: esiste qualcosa di più "elegante" per interfacciare l'ne555 al mosfet?

Elettrotecnica e non solo (admin)
Un gatto tra gli elettroni (IsidoroKZ)
Esperienza e simulazioni (g.schgor)
Moleskine di un idraulico (RenzoDF)
Il Blog di ElectroYou (webmaster)
Idee microcontrollate (TardoFreak)
PICcoli grandi PICMicro (Paolino)
Il blog elettrico di carloc (carloc)
DirtEYblooog (dirtydeeds)
Di tutto... un po' (jordan20)
AK47 (lillo)
Esperienze elettroniche (marco438)
Telecomunicazioni musicali (clavicordo)
Automazione ed Elettronica (gustavo)
Direttive per la sicurezza (ErnestoCappelletti)
EYnfo dall'Alaska (mir)
Apriamo il quadro! (attilio)
H7-25 (asdf)
Passione Elettrica (massimob)
Elettroni a spasso (guidob)
Bloguerra (guerra)










