Ho iniziato a guardare un po' di argomenti per l'esame di elettrotecnica, ho questo esercizio semplice che non riesco a capire bene come impostarlo.
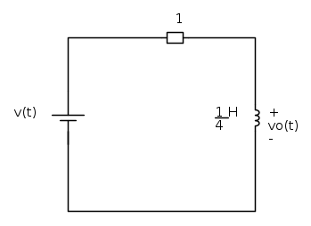
"A quale frequenza la tensione di uscita
sarà uguale alla tensione di ingresso
?Vedo che ho un'impedenza, io so che:
e che
, però non riesco a capire quando l'uscita è uguale all'ingresso.Grazie
Ciaoo :)

Elettrotecnica e non solo (admin)
Un gatto tra gli elettroni (IsidoroKZ)
Esperienza e simulazioni (g.schgor)
Moleskine di un idraulico (RenzoDF)
Il Blog di ElectroYou (webmaster)
Idee microcontrollate (TardoFreak)
PICcoli grandi PICMicro (Paolino)
Il blog elettrico di carloc (carloc)
DirtEYblooog (dirtydeeds)
Di tutto... un po' (jordan20)
AK47 (lillo)
Esperienze elettroniche (marco438)
Telecomunicazioni musicali (clavicordo)
Automazione ed Elettronica (gustavo)
Direttive per la sicurezza (ErnestoCappelletti)
EYnfo dall'Alaska (mir)
Apriamo il quadro! (attilio)
H7-25 (asdf)
Passione Elettrica (massimob)
Elettroni a spasso (guidob)
Bloguerra (guerra)



