ciao a tutti
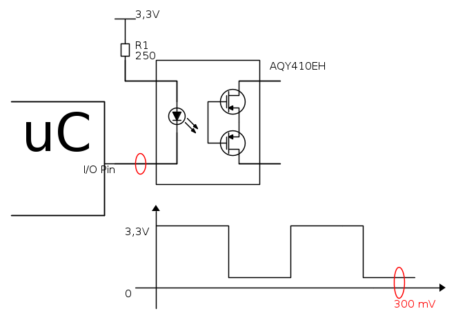
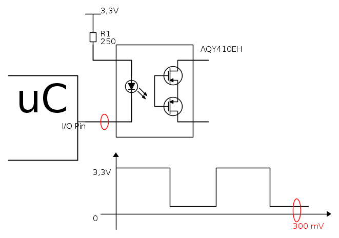
ho il seguente circuito
Un microcontrollore atmel sam3u pilota un foto-mos.
posizionando la sonda dell'oscillo sul punto indicato dal cerchietto rosso vedo che il pilotaggio del micro non va a zero ma resta sopra lo zero di circa 300 mv...
Non riesco a capirne il motivo
Potrebbero esserci effetti negativi con alte temperature?
Grazie fatemi sapere
Strano pilotaggio LED con microcontrollore
Moderatori:
carloc,
g.schgor,
BrunoValente,
IsidoroKZ
10 messaggi
• Pagina 1 di 1
0
voti
I 300 mV da te misurati dovrebbe essere la tensione
del MOS N interno del pin. Secondo me per un MOS del micro con quella corrente sono tanti
Che microcontrollore usi per esattezza?
EDIT: A quale frequenza e duty cycle viene pilotato il LED?
del MOS N interno del pin. Secondo me per un MOS del micro con quella corrente sono tantiChe microcontrollore usi per esattezza?
EDIT: A quale frequenza e duty cycle viene pilotato il LED?
0
voti
come posso vedere la tensione Vds se il led illumina una circuiteria che trasforma la luce in tensione per pilotare il MOS?
il micro come già detto è un atmel sam3u h**p://www.atmel.com/Images/doc6430.pdf
il led viene pilotato una volta ogni secondo per circa 150ms (segnale a zero per 150 ms ed alto per 1s)
è possibile che nel pin del micro entri troppa corrente?
il micro come già detto è un atmel sam3u h**p://www.atmel.com/Images/doc6430.pdf
il led viene pilotato una volta ogni secondo per circa 150ms (segnale a zero per 150 ms ed alto per 1s)
è possibile che nel pin del micro entri troppa corrente?
0
voti
franticEY ha scritto:come posso vedere la tensione Vds (..)
Non ho capito bene la domanda comunque la misuri no?
franticEY ha scritto:il led viene pilotato una volta ogni secondo per circa 150ms (segnale a zero per 150 ms ed alto per 1s)
Hai misurato i 3V3 con l'oscilloscopio?
1
voti
Mah, io non mi stupirei più di tanto visto che il pin è ben caricato.
"La follia sta nel fare sempre la stessa cosa aspettandosi risultati diversi".
"Parla soltanto quando sei sicuro che quello che dirai è più bello del silenzio".
Rispondere è cortesia, ma lasciare l'ultima parola ai cretini è arte.
"Parla soltanto quando sei sicuro che quello che dirai è più bello del silenzio".
Rispondere è cortesia, ma lasciare l'ultima parola ai cretini è arte.
-

TardoFreak
73,9k 8 12 13 - -EY Legend-

- Messaggi: 15754
- Iscritto il: 16 dic 2009, 11:10
- Località: Torino - 3° pianeta del Sistema Solare
0
voti
ho fatto i conti e sono 8mA... (il led dell'opto richiede una corrente compresa tra 5 e 10mA)
Un'altra domanda potrebbero esserci problemi a temperature tipo 70° 40%RH?
Fammi sapere grazie
Un'altra domanda potrebbero esserci problemi a temperature tipo 70° 40%RH?
Fammi sapere grazie
0
voti
perché non piloti il tutto in questo modo?
Devi verificare gli AMR da datasheet
franticEY ha scritto: potrebbero esserci problemi a temperature tipo 70° 40%RH?
Devi verificare gli AMR da datasheet

-

rusty
4.075 2 9 11 - Utente disattivato per decisione dell'amministrazione proprietaria del sito
- Messaggi: 1578
- Iscritto il: 25 gen 2009, 13:10
3
voti
TardoFreak ha scritto:Mah, io non mi stupirei più di tanto visto che il pin è ben caricato.
Infatti il datasheet a pag. 1108 riporta una VOL tra i 200 e 400mV con una IOL di 8mA.
Ad ogni modo è sempre meglio usare un transistore esterno.
10 messaggi
• Pagina 1 di 1
Chi c’è in linea
Visitano il forum: Nessuno e 145 ospiti

Elettrotecnica e non solo (admin)
Un gatto tra gli elettroni (IsidoroKZ)
Esperienza e simulazioni (g.schgor)
Moleskine di un idraulico (RenzoDF)
Il Blog di ElectroYou (webmaster)
Idee microcontrollate (TardoFreak)
PICcoli grandi PICMicro (Paolino)
Il blog elettrico di carloc (carloc)
DirtEYblooog (dirtydeeds)
Di tutto... un po' (jordan20)
AK47 (lillo)
Esperienze elettroniche (marco438)
Telecomunicazioni musicali (clavicordo)
Automazione ed Elettronica (gustavo)
Direttive per la sicurezza (ErnestoCappelletti)
EYnfo dall'Alaska (mir)
Apriamo il quadro! (attilio)
H7-25 (asdf)
Passione Elettrica (massimob)
Elettroni a spasso (guidob)
Bloguerra (guerra)




