Cos'è ElectroYou | Login Iscriviti

ElectroYou - la comunità dei professionisti del mondo elettrico

Circuito stacca batteria sotto gli 11V

Elettronica lineare e digitale: didattica ed applicazioni

Moderatori: Foto Utentecarloc, Foto Utenteg.schgor, Foto UtenteBrunoValente, Foto UtenteIsidoroKZ

0
voti

[1] Circuito stacca batteria sotto gli 11V

Messaggioda Foto Utentedaninde64 » 29 lug 2013, 0:35

Ciao a tutti

Un collega mi ha chiesto se lo aiutavo a realizzare un piccolo circuito per risolvere il seguente problema.
In un terreno terrazzato per portare l'acqua da un livello inferiore ad uno superiore usa una pompa alimentata da una batteria d'auto. Per proteggere la batteria voleva però che a 11 volt la batteria venisse sconnessa.

Il primo circuito che mi è venuto in mente in mente è un comparatore con un Operazionale che confronta la tensione della batteria in scarica con una di riferimento .
L'uscita dell'operazionale , pilota un transistor usato come interruttore il quale a sua volta , quando è in saturazione , permette ad un relè di eccitarsi e "staccare" il carico.

Ecco il circuito :
StaccaBatteria1_ridotto.jpg
StaccaBatteria1_ridotto.jpg (73.47 KiB) Osservato 13731 volte


Per poter sperimentare il circuito ho collegato un aspirapolvere da auto che assorbe circa 1,6 ampere (la pompa del mio collega assorbe circa 2 A , ma non avevo altro sottomano) . Come alimentazione ho usato un alimentatore variabile che eroga 2,5 A nel range 9-14 volt.

Facendo , quindi calare la tensione da 12.8 a 11 volt speravo che il relè staccasse in modo netto. In realtà questo succede solo quando giro il potenziometro a zero di colpo , ma la batteria ha un suo tempo di scarica molto piu' lento , per fortuna :-) . Niente da fare vibra paurosamente. Diminuendo il carico a 200 mA la vibrazione non si sente più , anche se la simulazione della scarica è molto lenta.

Ho pensato allora di separare la tensione di alimentazione del circuito con un regolatore LM7809 , in modo che non subisse influenze dalla batteria , lasciando solo il ramo collegato al pin 2 del comparatore TL081 , collegato alla batteria ..... la vibrazione diminuisce ma non come vorrei.

In un pdf che avevo ho trovato un circuito
stacca_bat12v.gif
stacca_bat12v.gif (6.2 KiB) Osservato 13731 volte
che fa uso di un mosfet invece che del relè . Una volta realizzato e provato anche questo ha uno strano comportamento in quanto sembra che il mosfet non si inneschi , cioè non va in conduzione , dando una tensione positiva sul GATE (forse non è sufficentemente grande la tensione dell'impulso). Allora sono tornato sul relè e mi piacerebbe realizzarlo in questo modo.

Riuscite a darmi qualche dritta affinchè sto benedetto relè , stacchi quando la tensione della batteria è a circa 11 volt , in modo netto e senza vibrazioni ??

grazie

ciao
daniele
Avatar utente
Foto Utentedaninde64
20 1 3
 
Messaggi: 37
Iscritto il: 26 lug 2013, 0:07

0
voti

[2] Re: Circuito stacca batteria sotto gli 11V

Messaggioda Foto Utentestefanodelfiore » 29 lug 2013, 0:46

Devi solo introdurre un po' di isteresi nel comparatore.

Stefano
Avatar utente
Foto Utentestefanodelfiore
1.668 3 8
Master
Master
 
Messaggi: 567
Iscritto il: 28 mar 2009, 20:15
Località: Bologna

0
voti

[3] Re: Circuito stacca batteria sotto gli 11V

Messaggioda Foto Utentemarco438 » 29 lug 2013, 8:18

Ciao, Foto Utentedaninde64 e benvenuto.
Vedo pero' che hai dimenticato di leggerti le regole del forum, altrimenti non avresti postato gli schemi in quel modo ma usando, come tutti facciamo, FidocadJ.
Le istruzioni le trovi nella fascia rosa sopra i messaggi; dopo, sara' piu' semplice aiutarti modificando o correggendo lo schema cosi' postato evitando incomprensioni.
O_/
marco
Avatar utente
Foto Utentemarco438
37,1k 7 11 13
-EY Legend-
-EY Legend-
 
Messaggi: 16323
Iscritto il: 24 mar 2010, 15:09
Località: Versilia

1
voti

[4] Re: Circuito stacca batteria sotto gli 11V

Messaggioda Foto Utentedaninde64 » 29 lug 2013, 11:38

Grazie del benvenuto ,
e si confesso che non ho letto il regolamento , di cui poi ho visto almeno la sintesi.

Comunque ho già scaricato FidocadJ e lo userò.

Stefano dice di dare più isteresi ... Dai miei ricordi elettronici , mi sembra che per dare isteresi ad un AmpOp dovevo retroazionare con una resistenza l'uscita col piedino non-invertente e su quello invertente il segnale da controllare ?? Giusto??

Appena ho disegnato un esempio lo posto cosi lo si guarda insieme

grazie della disponibilità :-)

ciao O_/

daniele


PS. Ho visto ora di aver installato tempo fa FIDOCAD 0.96PL4 .... potrebbe andare bene lo stesso ??
Avatar utente
Foto Utentedaninde64
20 1 3
 
Messaggi: 37
Iscritto il: 26 lug 2013, 0:07

0
voti

[5] Re: Circuito stacca batteria sotto gli 11V

Messaggioda Foto Utentethunderbolt128 » 29 lug 2013, 15:40

Intanto che disegni lo schema ti posto uno schema che ha lo stesso scopo. L'ho trovato tempo fa sulla rete.
Chissà Foto Utentemarco438 che ne pensa :-)

:D
Alla fine, non ricorderemo le parole dei nostri nemici, ma i silenzi dei nostri amici.
Martin Luther King
Avatar utente
Foto Utentethunderbolt128
1.640 1 8 13
Expert
Expert
 
Messaggi: 721
Iscritto il: 4 set 2012, 13:57

0
voti

[6] Re: Circuito stacca batteria sotto gli 11V

Messaggioda Foto Utentemarco438 » 29 lug 2013, 16:53

daninde64 ha scritto:PS. Ho visto ora di aver installato tempo fa FIDOCAD 0.96PL4 .... potrebbe andare bene lo stesso ??

Quella e' la vecchia versione di Fidocad, ormai abbandonata, come sviluppo, da alcuni anni; meglio se scarichi il nuovo FidocadJ da qui.
marco
Avatar utente
Foto Utentemarco438
37,1k 7 11 13
-EY Legend-
-EY Legend-
 
Messaggi: 16323
Iscritto il: 24 mar 2010, 15:09
Località: Versilia

1
voti

[7] Re: Circuito stacca batteria sotto gli 11V

Messaggioda Foto Utentedaninde64 » 31 lug 2013, 3:01

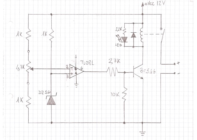
Ciao a tutti , come promesso posto il circuito fatto con FidoCadJ :



Rispolverando i vecchi testi sacri di scuola :-) , e seguendo il consiglio di Foto Utentestefanodelfiore ho provato a retroazionare il segnale per introdurre un po' di isteresi . Sinceramente ho provato diversi valori della resistenza indicata come VediTesto , da 1Meg a 1k , ma non ho avuto nessun beneficio . La cosa che mi sfugge è perché , se collego piccoli carichi al relè tutto va bene , ma appena si superano i 200mA comincia a vibrare . Qualche colpa potrebbe averla l'alimentatore ?

Per quanto riguarda lo schema proposto da Foto Utentethunderbolt128 l'ho provato al simulatore (uso LTSpice IV) . Con i valori in dicati non andava , ma sostituendo il Darlington BC618 con un comune BC546 e diminuendo la resistenza da 15k a 1k , una volta portato il potenziometro al 90% del suo valore , la commutazione avviene a circa 10.8 volt .... In effetti puo essere uno schema valido , ma io mi sono incaponito e vorrei usare il mio schema , ... se mi aiutate :-) .

Ok visto l'orario vi saluto e attendo fiducioso :-)

ciao
a tutti

daniele
Avatar utente
Foto Utentedaninde64
20 1 3
 
Messaggi: 37
Iscritto il: 26 lug 2013, 0:07

0
voti

[8] Re: Circuito stacca batteria sotto gli 11V

Messaggioda Foto Utenteg.schgor » 31 lug 2013, 7:43

Se stacchi il carico, la tensione della batteria sale
(quindi il tuo dispositivo lo riattacca...)
devi fare in modo che lo stacco sia permanente.
(ripristinandolo solo manualmente)
Avatar utente
Foto Utenteg.schgor
57,8k 9 12 13
G.Master EY
G.Master EY
 
Messaggi: 16971
Iscritto il: 25 ott 2005, 9:58
Località: MILANO

0
voti

[9] Re: Circuito stacca batteria sotto gli 11V

Messaggioda Foto Utentedaninde64 » 31 lug 2013, 13:34

Ciao Giovanni ,

avevo pensato di affrontare anche questa problematica dopo. Mi spiego meglio , .... per testare il circuito ho bisogno di simulare una batteria che si scarica lentamente.

Ho sostituito il potenziometro di un alimentatore che eroga 2,5 A nel range 9-12 , con un multigiri in modo da far calare la tensione lentamente , proprio come se fosse una batteria.

Ho collegato un voltmetro all'alimentazione e un carico da 1,6 A (una lampadina dell'auto) al contatto normalmente chiuso del relè in modo che il relè entri in funzione solo per staccare il carico a 11v.

Appena comincio la simulazione imposto l'alimentatore a 12.8v (circa lo stato di una batt.carica al max) e da qui diminuisco a mano (sarebbe interessante progettare un circuito che simula lo scarico di una batteria , ... magari appena risolto questo mi ci posso dedicare :-)) la tensione fino a circa 11v. Il problema è che appena accendo l'alimentatore , a relè diseccitato , la lampadina dovrebbe accendersi perché connessa ai contati N.C. e invece si accende con meta' dell'intensita luminosa che dovrebbe avere e i contatti del relè cominciano a vibrare. Alzando la tensione sino a 14,2 v la lampadina si accende al pieno della sua luminosità e il relè smette di vibrare.

Credo che il problema sia nell'alimentatore che si autolimita nell'erogazione . Dopo i 12v sino a 15v la corrente che eroga (c'è scritto su un'etichetta posta sul frontale) è 3.5 A.

Se le cose stanno così come posso simulare in modo sicuro la scarica di una batteria , senza ovviamente usare una batteria :-) ?????


ciao

Daniele
Avatar utente
Foto Utentedaninde64
20 1 3
 
Messaggi: 37
Iscritto il: 26 lug 2013, 0:07

0
voti

[10] Re: Circuito stacca batteria sotto gli 11V

Messaggioda Foto Utenteg.schgor » 31 lug 2013, 14:20

daninde64 ha scritto:come posso simulare in modo sicuro la scarica di una batteria , senza ovviamente usare una batteria ?????

Con un programma di simulazione (ad es. Microcap)
Se metti il relè a valle del suo contatto (bypassato
da un pulsante di ripristino), dovresti risolvere
il problema delle vibrazioni
Avatar utente
Foto Utenteg.schgor
57,8k 9 12 13
G.Master EY
G.Master EY
 
Messaggi: 16971
Iscritto il: 25 ott 2005, 9:58
Località: MILANO

Prossimo

Torna a Elettronica generale

Chi c’è in linea

Visitano il forum: Nessuno e 46 ospiti