Finalmente sono arrivate le ferie

e mi sono potuto dedicare al circuito senza interruzioni.....
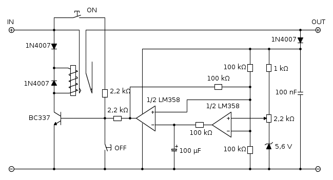
Dunque , ho messo su il circuito proposto da
GuidoB su breadboard

- LightOn.jpg (49.12 KiB) Osservato 10575 volte
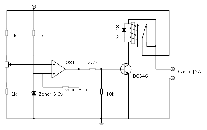
Per tarare il circuito devi regolare il tuo alimentatore su 11 V, collegare un tester come voltmetro tra l'uscita del primo operazionale e la massa, e premere il pulsante ON.
Il primo problema che ho incontrato nella taratura è che non ho capito a quale dei due operazionali ti riferivi. Allora ho messo un voltmetro all'uscita di entrambe.
Quando hai il relè attratto, dovresti leggere un valore intorno a 9 V sul tester collegato all'uscita del primo operazionale.
Il valore di 8,6 l'ho rilevato all'uscita dell'operazionale la cui uscita va alla base del transistor. Presumo che quindi ti riferivi a questo operazionale. Nel proseguo chiamerò questo 1° comparatore e l'altro 2°.
Comunque la taratura è riuscita , e come carico sui contatti di uscita del relè ho messo prima un led con la sua resistenza , poi una ventolina con assorbimento di 200mA max e fin qui il circuito si comportava bene staccando il carico al calare della tensione all'ingresso (da 12.8 lo stacco avveniva a 11.00 , cioè al valore imposto durante la taratura) .
Quando ho collegato la lampadina di uno stop dell'auto , come in foto , che assorbiva 1.35 A , dopo 10' circa dalla pressione del pulsante ON , il rele' staccava.
Mi sono messo a misurare tutti i livelli di tensione

nelle varie situazioni per vedere di capirci qualcosa :
TENSIONE 12.8 CARICO = LED Vout 1° comp. PIN 1 = 10,2v
Vout 2° comp. PIN7 = 0v TENSIONE 12.8 CARICO = VENTOLINA 200mA Vout 1° comp. PIN 1 = 10,2v
Vout 2° comp. PIN7 = 0TENSIONE 12.8 CARICO = LAMPADINA STOP 1,35 A Vout 1° comp. PIN 1 = 8,5v
Vout 2° comp. PIN7 = 7,3 vQuesto è ciò che ho misurato ... sembra che dopo una certa soglia la corrente che alimenta il carico , attraverso il diodo di alimentazione del circuito , vada starare la tensione impostata sul PIN 5 con il trimmer

GuidoB il circuito l'avevi messo sù "realmente" o è un progetto teorico . Te lo chiedo perché magari io ho usato componenti con approssimazioni diverse , come le resistenze , oppure un relè con una resistenza della bobina diversa ....
Attendo i vs. consigli
(se siete in ferie godetevele naturalmente)
un saluto
daniele