Ciao a tutti,
mi consigliate una schedina embedded tipo (foxboard, netduino, arduino, flyport ...) che riesca a gestire più pin digitali con interrupt contemporanei senza perdere informazioni?
spero sono riuscita a farmi capire.
Bye
Carmen
Interrupt
Moderatori:
carloc,
g.schgor,
BrunoValente,
IsidoroKZ
28 messaggi
• Pagina 1 di 3 • 1, 2, 3
1
voti
[2] Re: interrupt
Della famiglia Microchip devi puntare a schede embedded con PIC24, dsPIC o PIC32.
Se ti va bene una scheda di sviluppo, per fare delle prove, ti consiglio Explorer 16.
Spero di averti dato una risposta utile.
Ciao.
Paolo.
Se ti va bene una scheda di sviluppo, per fare delle prove, ti consiglio Explorer 16.
Spero di averti dato una risposta utile.
Ciao.
Paolo.
"Houston, Tranquillity Base here. The Eagle has landed." - Neil A.Armstrong
-------------------------------------------------------------
PIC Experience - http://www.picexperience.it
-------------------------------------------------------------
PIC Experience - http://www.picexperience.it
-

Paolino
32,6k 8 12 13 - G.Master EY

- Messaggi: 4226
- Iscritto il: 20 gen 2006, 11:42
- Località: Vigevano (PV)
1
voti
[4] Re: interrupt
Beh, alla voce interrupt del datasheet dovreti trovare un elenco.
Se posso: per quale applicazione? O è uno studio per un esame? O per tesi?
Se posso: per quale applicazione? O è uno studio per un esame? O per tesi?
"Houston, Tranquillity Base here. The Eagle has landed." - Neil A.Armstrong
-------------------------------------------------------------
PIC Experience - http://www.picexperience.it
-------------------------------------------------------------
PIC Experience - http://www.picexperience.it
-

Paolino
32,6k 8 12 13 - G.Master EY

- Messaggi: 4226
- Iscritto il: 20 gen 2006, 11:42
- Località: Vigevano (PV)
1
voti
[7] Re: interrupt
Se usare l'interrupt è una richiesta specifica del problema.... vabbé
In tutti gli altri casi la gestione di pulsanti via interrupt è per lo meno inutile se non addirittura dannosa
Gli interrupt si usano quando si deve reagire "immediatamente" ad un certo evento. Con questo si intende ordine di microsecondi.
Dei pulsanti (o dei finecorsa o praticamente qualsiasi cosa venga dal mondo "reale") è svariati ordini di grandezza più lento.
Inoltre c'è il problema dei rimbalzi dei contatti. Quella che in prima approssimazione sembra una chiusura o apertura è in realtà una successione quasi casuale di svariati fronti, irregolari nel tempo e delle volte anche per ampiezza.
Quindi un interrupt non è proprio la prima scelta.... basta campionare anche ogni, che so ogni 10 ms, e poi gestire in una qualche maniera i rimbalzi.
In tutti gli altri casi la gestione di pulsanti via interrupt è per lo meno inutile se non addirittura dannosa
Gli interrupt si usano quando si deve reagire "immediatamente" ad un certo evento. Con questo si intende ordine di microsecondi.
Dei pulsanti (o dei finecorsa o praticamente qualsiasi cosa venga dal mondo "reale") è svariati ordini di grandezza più lento.
Inoltre c'è il problema dei rimbalzi dei contatti. Quella che in prima approssimazione sembra una chiusura o apertura è in realtà una successione quasi casuale di svariati fronti, irregolari nel tempo e delle volte anche per ampiezza.
Quindi un interrupt non è proprio la prima scelta.... basta campionare anche ogni, che so ogni 10 ms, e poi gestire in una qualche maniera i rimbalzi.
Se ti serve il valore di beta: hai sbagliato il progetto!
0
voti
[8] Re: interrupt
carmen976 ha scritto:creare un applicazione che riesca stare in ascolto con il più numero di pin di input, conteggiando degli impulsi dati da altrettanti button
guarda, se la richiesta è semplicemente questa, puoi anche usare una gestione intelligente dei pulsanti, con un solo PIN di interrupt:
Il debounce lo puoi anche fare da SW, e inoltre così riesci anche a vedere pressioni simultanee.
In questo modo puoi aggiungere quanti interruttori vuoi.
Se poi ti serve davvero gestirne 200, a questo punto li metti "a matrice", e li controlli in modo linea-colonna (come giocare a battaglia navale
ciao!
1
voti
[9] Re: Interrupt
Che fai di lavoro, vendi resistenze
... no dai perdonami la battuta
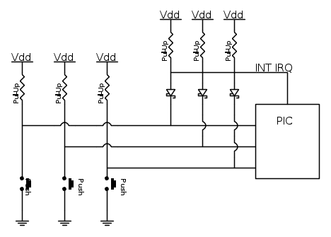
però le tre in parallelo sull'IRQ sono proprio troppe 
(P.S. manca un punto di connessione
) ....
e anche le altre si farebbero con il pullup interno
... no dai perdonami la battuta
però le tre in parallelo sull'IRQ sono proprio troppe (P.S. manca un punto di connessione
e anche le altre si farebbero con il pullup interno
Se ti serve il valore di beta: hai sbagliato il progetto!
0
voti
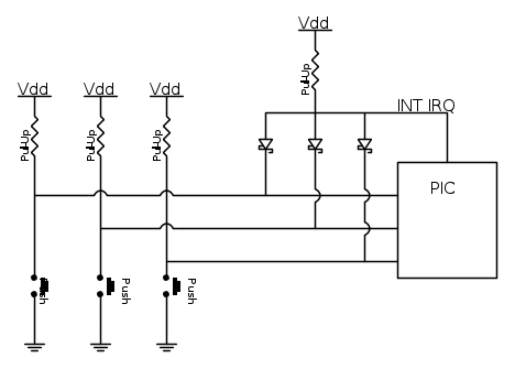
[10] Re: Interrupt
carloc ha scritto:Che fai di lavoro, vendi resistenze![]()
... no dai perdonami la battuta![]()
però le tre in parallelo sull'IRQ sono proprio troppe
(P.S. manca un punto di connessione) ....
e anche le altre si farebbero con il pullup interno
eheh, HAI RAGIONE !! colpa del copia-incolla, non me n'ero accorto!
ecco quello corretto:
e poi, ovvio, se il PIC lo consente, si usano quelle interne.
Non l'avevo menzionato perché non tutti i PIC hanno le resistenze di pull-up integrate e pilotabili per ogni singolo PIN. (e tra l'altro alcuni le hanno solo su port B)
28 messaggi
• Pagina 1 di 3 • 1, 2, 3
Chi c’è in linea
Visitano il forum: Nessuno e 231 ospiti

Elettrotecnica e non solo (admin)
Un gatto tra gli elettroni (IsidoroKZ)
Esperienza e simulazioni (g.schgor)
Moleskine di un idraulico (RenzoDF)
Il Blog di ElectroYou (webmaster)
Idee microcontrollate (TardoFreak)
PICcoli grandi PICMicro (Paolino)
Il blog elettrico di carloc (carloc)
DirtEYblooog (dirtydeeds)
Di tutto... un po' (jordan20)
AK47 (lillo)
Esperienze elettroniche (marco438)
Telecomunicazioni musicali (clavicordo)
Automazione ed Elettronica (gustavo)
Direttive per la sicurezza (ErnestoCappelletti)
EYnfo dall'Alaska (mir)
Apriamo il quadro! (attilio)
H7-25 (asdf)
Passione Elettrica (massimob)
Elettroni a spasso (guidob)
Bloguerra (guerra)





