Sto facendo esercizi con il regime sinusoidale e in particolare mi sono imbattuta in questo.
Utilizzando Thévenin ai terminali della capacità C, determinare l'intensità di corrente
.I valori sono i seguenti:




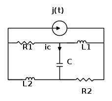
Il circuito è :
Allora, io ho iniziato a svolgerlo in questo modo; Innanzitutto ho trovato la resistenza equivalente di Thévenin:
Ho disegnato il circuito equivalente sostituendo, a seconda del generatore presente, con un corto circuito o un circuito aperto. Nel caso specifico con il cortocircuito. Poi non ho considerato il carico C.
In questo modo mi sono trovata la resistenza equivalente, formata dalla serie delle impedenze R1 ed L1 in parallelo con la serie delle impedenze L2e R2.




Il numero 50 ottenuto nei calcoli non è altro che il calcolo della reattanza induttiva secondo la formula:

Una volta calcolata la resistenza equivalente devo trovarmi la tensione a vuoto

qui però mi sono bloccata e non riesco ad andare più avanti.
Potreste darmi qualche suggerimento per sbloccare questo punto per favore?
Grazie a tutti

Elettrotecnica e non solo (admin)
Un gatto tra gli elettroni (IsidoroKZ)
Esperienza e simulazioni (g.schgor)
Moleskine di un idraulico (RenzoDF)
Il Blog di ElectroYou (webmaster)
Idee microcontrollate (TardoFreak)
PICcoli grandi PICMicro (Paolino)
Il blog elettrico di carloc (carloc)
DirtEYblooog (dirtydeeds)
Di tutto... un po' (jordan20)
AK47 (lillo)
Esperienze elettroniche (marco438)
Telecomunicazioni musicali (clavicordo)
Automazione ed Elettronica (gustavo)
Direttive per la sicurezza (ErnestoCappelletti)
EYnfo dall'Alaska (mir)
Apriamo il quadro! (attilio)
H7-25 (asdf)
Passione Elettrica (massimob)
Elettroni a spasso (guidob)
Bloguerra (guerra)
















