da
RenzoDF » 2 ago 2013, 18:05
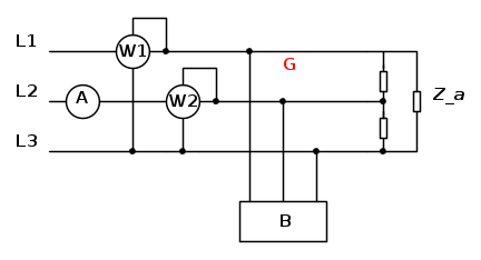
Una volta determinata la IB

l'indicazione del wattmetro W1 risulta particolarmente semplice da calcolare

Potremo poi usare la relazione per la potenza attiva in Aron, valida anche per carichi squilibrati,

per determinare l'indicazione del secondo wattmetro

per quanto riguarda però la corrente nell'amperometro non vedo altro modo che calcolarla per via fasoriale dalla somma delle due correnti in B e in A

Si poteva anche usare una sovrapposizione "in retromarcia"

, ovvero supporre la rete come derivata dalla rete priva di apertura sulla fase 1, ovvero equilibrata, dove sia stato inserito proprio in corrispondenza all'interruzione un GIC ridondante di valore pari alla corrente nella prima fase; in questo modo sarebbe risultato semplice calcolare sia le tre correnti del sistema simmetrico ed equilibrato (tre GIT accesi e GIC spento) sia quelle dovute al solo GIC (con i tre GIT spenti) che andranno sottrarre alle precedenti.