Ciao a tutti :)
Cannibalizzando un vecchio televisore ho recuperato un doppio display a 7 segmenti ad anodo comune. Giusto a scopo formativo, dato che è estate, volevo provare qualche piccolo circuitino che contasse, niente di utile..
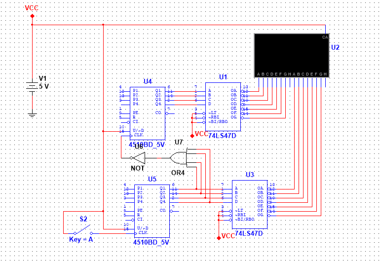
Sto facendo delle simulazioni sul multisim, usando dei 74ls47 e contatori bcd 4510.
Quello che ho provato è di dare un impulso al clock del secondo counter(U4) ogni qual volta l'uscita del primo(U5) è 0000, e ci riesco.
Ma perché il secondo mi parte da 9? Cioè: avviando la simulazione il display da 90, premendo il pulsante poi va avanti normalmente: 90,91,91...00,01,02
Potrei pensare: quando la simulazione parte l'uscita del primo counter è 0000, che fa quindi scattare il clock del secondo, che però dovrebbe arrivare ad 1 e non a 9 giusto?
Spero di essere stato chiaro almeno un po' :)
Circuito display 7 segmenti
Moderatori:
carloc,
g.schgor,
BrunoValente,
IsidoroKZ
14 messaggi
• Pagina 1 di 2 • 1, 2
0
voti
Per questi contatori il numero nove è codificato da 1001 e non 1111. Forse è l'origine di alcuni possibili problemi vista la tua porta and :)
"640K ought to be enough for anybody" Bill Gates (?) 1981
Qualcosa non ha funzionato...
Lo sapete che l'arroganza in informatica si misura in nanodijkstra?
Qualcosa non ha funzionato...
Lo sapete che l'arroganza in informatica si misura in nanodijkstra?
-

fairyvilje
15,0k 4 9 12 - G.Master EY

- Messaggi: 3047
- Iscritto il: 24 gen 2012, 19:23
0
voti
fairyvilje ha scritto:Per questi contatori il numero nove è codificato da 1001 e non 1111. Forse è l'origine di alcuni possibili problemi vista la tua porta and :)
Uhmm la porta è una OR, in modo da avere uno 0 logico in uscita solo quando in entrata ho lo 0000 del counter (che corrisponde allo 0), che viene quindi trasformato in 1 dalla not.
0
voti
Hai ragione, la mia svista è imperdonabile
... non ho letto la descrizione della porta e ho frainteso la forma.
"640K ought to be enough for anybody" Bill Gates (?) 1981
Qualcosa non ha funzionato...
Lo sapete che l'arroganza in informatica si misura in nanodijkstra?
Qualcosa non ha funzionato...
Lo sapete che l'arroganza in informatica si misura in nanodijkstra?
-

fairyvilje
15,0k 4 9 12 - G.Master EY

- Messaggi: 3047
- Iscritto il: 24 gen 2012, 19:23
0
voti
Ad ogni modo se passerai alla realizzazione pratica penso sia necessario un anti-rimbalzo per l'interruttore e delle resistenze limitatrici per i segmenti, essendo la corrente concessa dal controller anche troppo elevata. Per il problema del 9 la butto lì, gli ingressi lasciati liberi e la mancanza di un reset ai contatori inizialmente può essere un problema?
"640K ought to be enough for anybody" Bill Gates (?) 1981
Qualcosa non ha funzionato...
Lo sapete che l'arroganza in informatica si misura in nanodijkstra?
Qualcosa non ha funzionato...
Lo sapete che l'arroganza in informatica si misura in nanodijkstra?
-

fairyvilje
15,0k 4 9 12 - G.Master EY

- Messaggi: 3047
- Iscritto il: 24 gen 2012, 19:23
0
voti
fairyvilje ha scritto:Ad ogni modo se passerai alla realizzazione pratica penso sia necessario un anti-rimbalzo per l'interruttore e delle resistenze limitatrici per i segmenti
Certo, dimenticavo di dire che sul multisim perora è solo per prova, magari non ci sarà neanche una realizzazione pratica :)
fairyvilje ha scritto:Per il problema del 9 la butto lì, gli ingressi lasciati liberi e la mancanza di un reset ai contatori inizialmente può essere un problema?
Gli ingressi credo servano solo per stabilire un valore che si ottiene ponendo HIGH il piedino 1 (LOAD), per avere un valore iniziale leggo, ma che rimane tale fino a che il pin 1 non sia nuovamente basso.
0
voti
Al posto della OR-NOT, perché non colleghi direttamente il carry out del primo contatore al clk del secondo? Prova.
Il fatto che parta da 9 potrebbe essere un errore del simulatore, o meglio lo stato non è definito.
Non lasciare mai i reset "appesi", dagli un potenziale (asincrono attivo alto nel tuo caso); nella realta' potresti aver bisogno di un soft start, ma penso basti un pulldown sul reset.
I datasheet rimangono dei documenti imprescindibili, i simulatori delle bestie da addomesticare
Il fatto che parta da 9 potrebbe essere un errore del simulatore, o meglio lo stato non è definito.
Non lasciare mai i reset "appesi", dagli un potenziale (asincrono attivo alto nel tuo caso); nella realta' potresti aver bisogno di un soft start, ma penso basti un pulldown sul reset.
I datasheet rimangono dei documenti imprescindibili, i simulatori delle bestie da addomesticare

-

rusty
4.075 2 9 11 - Utente disattivato per decisione dell'amministrazione proprietaria del sito
- Messaggi: 1578
- Iscritto il: 25 gen 2009, 13:10
0
voti
Invece di usare la serie TTL userei la 74HC, per esempio il 74HC4511 o simile con le uscite negate (o usare i transistori sulle uscite), come decoder.
Inoltre è bene rimanere con una sola architettura, ossia non mischiare la serie CMOS 4000 con la 74HC se non indispensabile.
Gli ingressi di Parallel Load non vanno lasciati flottanti come anche i Reset.
Il clock così collegato nella realtà non funziona.
Metti via da parte il simulatore. A tutti i segmenti mancano le resistenze.
PS: gli schemi falli con FidoCAD.
Inoltre è bene rimanere con una sola architettura, ossia non mischiare la serie CMOS 4000 con la 74HC se non indispensabile.
Gli ingressi di Parallel Load non vanno lasciati flottanti come anche i Reset.
Il clock così collegato nella realtà non funziona.
Metti via da parte il simulatore. A tutti i segmenti mancano le resistenze.
PS: gli schemi falli con FidoCAD.
0
voti
rusty ha scritto:Al posto della OR-NOT, perché non colleghi direttamente il carry out del primo contatore al clk del secondo? Prova.
Funziona, ma come mai? :) Ovviamente parte da uno però!
0
voti
Io credo che, prima di confonderti le idee con i simulatori, dovresti studiare i datasheet dei componenti che adoperi. Lo schema che hai postato ha diversi difetti e ti sono stati illustrati cosi' come ti e' stato detto che alcuni componenti non sono consoni all'uso che ne vuoi fare.
Se vuoi imparare davvero, lascia perdere i simulatori e traduci in pratica quello che vuoi fare dopo aver capito come funzionano quegli integrati.
Se vuoi imparare davvero, lascia perdere i simulatori e traduci in pratica quello che vuoi fare dopo aver capito come funzionano quegli integrati.
marco
14 messaggi
• Pagina 1 di 2 • 1, 2
Chi c’è in linea
Visitano il forum: Nessuno e 27 ospiti

Elettrotecnica e non solo (admin)
Un gatto tra gli elettroni (IsidoroKZ)
Esperienza e simulazioni (g.schgor)
Moleskine di un idraulico (RenzoDF)
Il Blog di ElectroYou (webmaster)
Idee microcontrollate (TardoFreak)
PICcoli grandi PICMicro (Paolino)
Il blog elettrico di carloc (carloc)
DirtEYblooog (dirtydeeds)
Di tutto... un po' (jordan20)
AK47 (lillo)
Esperienze elettroniche (marco438)
Telecomunicazioni musicali (clavicordo)
Automazione ed Elettronica (gustavo)
Direttive per la sicurezza (ErnestoCappelletti)
EYnfo dall'Alaska (mir)
Apriamo il quadro! (attilio)
H7-25 (asdf)
Passione Elettrica (massimob)
Elettroni a spasso (guidob)
Bloguerra (guerra)

