Scusa se mi dilungo, sarebbe semplice per me dire "non so dimensionare mi aiuti?"
Però voglio capire, io approfitto della tua disponibilità, però quando ti rompi le scatole devi semplicemente dirmi "ora basta".
Dunque, il sensore in uscita mi da una corrente che è proporzionale a quella che circola nel conduttore da monitorare. Bene, in teoria (!!! o meglio, per quanto credevo fino a quando mi hai aperto gli occhi) ci metto una resistenza con alto valore e creo ai suoi capi una caduta di tensione alta così da avere un ampio range da dare al micro.
Invece no, ai capi del TA ci possono arrivare al massimo 50mV, pena la saturazione dello stesso trasformatore.
Ora, qua: http://yhdc.en.alibaba.com/product/443800169-218696501/Split_core_current_transformer.html vedo che con 100A ho in uscita al massimo 50mA. Quindi, 50mA/100= 0.5mA, per ogni ampere ho in uscita 0.5mA.
Considerando che io misurerò correnti al massimo di 20A, l'uscita massima in corrente dal TA sarà: 20x0.5mA=10mA.
Se ai capi del trasformatore posso arrivare al massimo a 50mV potrò utilizzare una resistenza di carico da massimo R=V/I --> R=0.05/0.01=5ohm
Per ora il ragionamento è corretto o sto dicendo solo un mare di cavolate?
Raddrizzare alternata bassissima tensione
Moderatori:
carloc,
g.schgor,
BrunoValente,
IsidoroKZ
19 messaggi
• Pagina 2 di 2 • 1, 2
0
voti
1
voti
Sì direi che ci sei
Ora Rf.... è facile
però ricordati di dirmi che alimentazioni hai disponibili, +5V direi di sicuro, hai o puoi facilmente avere anche -5V?
Ora Rf.... è facile
però ricordati di dirmi che alimentazioni hai disponibili, +5V direi di sicuro, hai o puoi facilmente avere anche -5V?
Se ti serve il valore di beta: hai sbagliato il progetto!
0
voti
mi chiedevo, sul post #10 di
carloc
essendo il TA che deve lavorare in corto sull'uscita, questa corrente me la dovrebbe portare a massa l'uscita dell'op?
o baglio.
fammi pensare, rapporto 1:2000,
quindi 100A diventano 50mA,
allora forse è per questo che l'op può richiudere a massa questa corrente, (anche se mi sembra comunque un po' alta). sbaglio?
essendo il TA che deve lavorare in corto sull'uscita, questa corrente me la dovrebbe portare a massa l'uscita dell'op?
o baglio.
fammi pensare, rapporto 1:2000,
quindi 100A diventano 50mA,
allora forse è per questo che l'op può richiudere a massa questa corrente, (anche se mi sembra comunque un po' alta). sbaglio?
-

lelerelele
4.899 3 7 9 - Master

- Messaggi: 5505
- Iscritto il: 8 giu 2011, 8:57
- Località: Reggio Emilia
1
voti
Sì
lelerelele hai perfettamente ragione
Ma
khriss975 ha detto di volersi limitare a 20A e questo porta la corrente che l'opamp deve fornire/assorbire ad un più consono 10mA
In effetti i era balenata l'idea di dirgli di fare magari due o anche 4 o 5 spire nel primario del TA per "sfruttarlo" meglio ma poi 50mA dall'opamp potrebbero effettivamente essere un problema.
Ma
In effetti i era balenata l'idea di dirgli di fare magari due o anche 4 o 5 spire nel primario del TA per "sfruttarlo" meglio ma poi 50mA dall'opamp potrebbero effettivamente essere un problema.
Se ti serve il valore di beta: hai sbagliato il progetto!
0
voti
Pensavo di avere più tempo da dedicare all'hobby essendo a casa in ferie ed invece tra cose da sistemare in casa, mogliettina da assecondare e cose varie vado davvero a rilento.
Per l'alimentazione preferirei rimanere sui 5V senza andare in duale.
Ora porto la donnina a fare il giretto al lago di Como, oggi pomeriggio appena torno mi calcolo la RF
A presto!
Per l'alimentazione preferirei rimanere sui 5V senza andare in duale.
Ora porto la donnina a fare il giretto al lago di Como, oggi pomeriggio appena torno mi calcolo la RF
A presto!
0
voti
Rieccomi al ritorno dal lago di Como...
Dunque, tornando ai conti... la mia Ri è stata calcolata e "settata" a 5ohm.
Considerando che in ingresso posso avere una tensione massima di 50mV ed in uscita al fine di sfruttare tutto il range del convertitore AD devo arrivare a 5V, devo avere un guadago di 100.
Quindi Av=Rf/Ri
100=Rf/5
Rf=500ohm
Riformulo la domandina magica: sto dicendo giusto o cavolate?
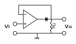
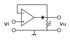
Ora se tutto è corretto dovrei metterci a seguire un raddrizzatore ideale...
Un LM358 alimentato con tensione singola potrebbe andare bene? Se ne ho uno a casa potrei poi vedere sull'oscilloscopio che mi salta fuori.
Dunque, tornando ai conti... la mia Ri è stata calcolata e "settata" a 5ohm.
Considerando che in ingresso posso avere una tensione massima di 50mV ed in uscita al fine di sfruttare tutto il range del convertitore AD devo arrivare a 5V, devo avere un guadago di 100.
Quindi Av=Rf/Ri
100=Rf/5
Rf=500ohmRiformulo la domandina magica: sto dicendo giusto o cavolate?
Ora se tutto è corretto dovrei metterci a seguire un raddrizzatore ideale...
Un LM358 alimentato con tensione singola potrebbe andare bene? Se ne ho uno a casa potrei poi vedere sull'oscilloscopio che mi salta fuori.
2
voti
Premettendo che l'asino che ha scritto quel datasheet andrebbe punito, e severamente,
... quei 50mV non mi convincono proprio; ad occhio la prestazione di quel TA dovrebbe essere superiore a 2.5mVA ... almeno di 10 volte, vedendo i rated burden di trasformatori con simili caratteristiche
http://www.fujielectric.co.jp/fcs/eng/p ... 36_138.pdf
Se fosse vero che la massima tensione in uscita fosse di soli 50mV poi, la resistenza massima in parallelo all'uscita potrebbe essere di 1 solo ohm, non di 5 ohm; il CT si basa come sai sul bilanciamento della forza magnetomotrice primaria con quella secondaria e non si può pensare di ottenere la stessa tensione massima in uscita ovvero lo stesso flusso nel nucleo con una corrente primaria di 5 volte inferiore alla nominale.
Andando a cercare in rete si trovano utilizzati dei valori di burden resistor (resistenze di carico) ben più alti; per esempio un test (anche se discutibile) questo, sullo stesso CT
http://openenergymonitor.org/emon/build ... ransformer
porta a consigliare valori resistivi dell'ordine delle decine di ohm ... per non parlare di altri articoli che usano alcune centinaia di ohm parallelo
http://ewsn12.disi.unitn.it/ewsn2012_po ... edings.pdf
(pagina 14).
BTW potresti misurare la resistenza del secondario del trasformatore?
... quei 50mV non mi convincono proprio; ad occhio la prestazione di quel TA dovrebbe essere superiore a 2.5mVA ... almeno di 10 volte, vedendo i rated burden di trasformatori con simili caratteristiche
http://www.fujielectric.co.jp/fcs/eng/p ... 36_138.pdf
Se fosse vero che la massima tensione in uscita fosse di soli 50mV poi, la resistenza massima in parallelo all'uscita potrebbe essere di 1 solo ohm, non di 5 ohm; il CT si basa come sai sul bilanciamento della forza magnetomotrice primaria con quella secondaria e non si può pensare di ottenere la stessa tensione massima in uscita ovvero lo stesso flusso nel nucleo con una corrente primaria di 5 volte inferiore alla nominale.
Andando a cercare in rete si trovano utilizzati dei valori di burden resistor (resistenze di carico) ben più alti; per esempio un test (anche se discutibile) questo, sullo stesso CT
http://openenergymonitor.org/emon/build ... ransformer
porta a consigliare valori resistivi dell'ordine delle decine di ohm ... per non parlare di altri articoli che usano alcune centinaia di ohm parallelo
http://ewsn12.disi.unitn.it/ewsn2012_po ... edings.pdf
(pagina 14).
BTW potresti misurare la resistenza del secondario del trasformatore?
"Il circuito ha sempre ragione" (Luigi Malesani)
0
voti
se il segnale che devi misurare è sinusoidale allora possono valere le soluzioni proposte per rilevare il picco e poi dividi per radice di 2 per ottenere il valore efficace.
se il segnale contiene piu componenti, le soluzioni proposte non vanno bene perché non misurano il vero valore efficace di tutte le componenti.
per misurare il vero valore efficace di un segnale con più componenti, dovresti usare uno questi:
http://www.analog.com/en/special-linear ... oduct.html
mi è capitato di usarne uno e si trova facilmente in commercio
se il segnale contiene piu componenti, le soluzioni proposte non vanno bene perché non misurano il vero valore efficace di tutte le componenti.
per misurare il vero valore efficace di un segnale con più componenti, dovresti usare uno questi:
http://www.analog.com/en/special-linear ... oduct.html
mi è capitato di usarne uno e si trova facilmente in commercio
0
voti
Mi scuso per il silenzio con tutti voi che mi avete dato supporto ma tornato dalle vacanze ho avuto un problema di salute che non mi ha permesso di tornare operativo... va beh. Ora è ok.
Riprendo il discorso dicendo che ho provato a mettere una resistenza di carico di qualche K (mi pare circa 5kohm) ed ho ottenuto in uscita valori di tensione (sinusoide un po "sporca") nell'ordine dei 3.5V di picco.
Ho messo un 1n4148 ed un condensatore da 10.000 uF per livellare.
Ho poi collegato all'impianto elettrico un misuratore di consumi ed ho annotato i vari valori di consumo e tensione rilevata ai capi dell'accrocchio.
Ho poi eseguito una regressione al fine di trovare la formula matematica che mi permettesse di ricostruire correttamente il grafico.
E' saltata fuori una cosa del genere (tenete presente che il valore "consumo" è il frutto di una conversione A/D con risoluzione 10bit):
dim consumo
consumo =hs.DeviceValue("J99")
if consumo < 46 then
consumoOK =-275.3+(35.68*consumo)-(1.334*consumo^2)+(0.01727*consumo^3)
end if
if consumo >= 46 then
consumoOK =22.53+(4.247*consumo)-(0.002338*consumo^2)+(0.000006*consumo^3)
end if
Sono uscite equazioncine cubiche, per maggior precisione ho "diviso" in due il range in modo da avere misure più precise proprio per bassi consumi dove probabilmente il diodo dà più fastidio.
Beh, che dire con questa cosa riesco ad ottenere risultati abbastanza precisi.
Sono consapevole del fatto che sto solo misurando la potenza apparente, infatti collegando uno stupido alimentatore per caricare il tablet ho un consumo stimato di circa 70W (solo per quell'alimentatore).
Che dire, io posso ritenermi soddisfatto, questo è un risultato:
http://emoncms.org/dashboard/view?id=5215&apikey=fc3897d023c0082affcfc3b4beaf7c72
L'idea di provare anche con l'operazionale però non la vorrei lasciar perdere.
Per ora grazie di cuore per l'aiuto, il supporto ma soprattutto per le mille informazioni che mi avete dato. Ciò che ho imparato vale molto ma molto di più del grafico consumi che ho fatto.
Spero di poter contraccambiare!
Cris
Riprendo il discorso dicendo che ho provato a mettere una resistenza di carico di qualche K (mi pare circa 5kohm) ed ho ottenuto in uscita valori di tensione (sinusoide un po "sporca") nell'ordine dei 3.5V di picco.
Ho messo un 1n4148 ed un condensatore da 10.000 uF per livellare.
Ho poi collegato all'impianto elettrico un misuratore di consumi ed ho annotato i vari valori di consumo e tensione rilevata ai capi dell'accrocchio.
Ho poi eseguito una regressione al fine di trovare la formula matematica che mi permettesse di ricostruire correttamente il grafico.
E' saltata fuori una cosa del genere (tenete presente che il valore "consumo" è il frutto di una conversione A/D con risoluzione 10bit):
dim consumo
consumo =hs.DeviceValue("J99")
if consumo < 46 then
consumoOK =-275.3+(35.68*consumo)-(1.334*consumo^2)+(0.01727*consumo^3)
end if
if consumo >= 46 then
consumoOK =22.53+(4.247*consumo)-(0.002338*consumo^2)+(0.000006*consumo^3)
end if
Sono uscite equazioncine cubiche, per maggior precisione ho "diviso" in due il range in modo da avere misure più precise proprio per bassi consumi dove probabilmente il diodo dà più fastidio.
Beh, che dire con questa cosa riesco ad ottenere risultati abbastanza precisi.
Sono consapevole del fatto che sto solo misurando la potenza apparente, infatti collegando uno stupido alimentatore per caricare il tablet ho un consumo stimato di circa 70W (solo per quell'alimentatore).
Che dire, io posso ritenermi soddisfatto, questo è un risultato:
http://emoncms.org/dashboard/view?id=5215&apikey=fc3897d023c0082affcfc3b4beaf7c72
L'idea di provare anche con l'operazionale però non la vorrei lasciar perdere.
Per ora grazie di cuore per l'aiuto, il supporto ma soprattutto per le mille informazioni che mi avete dato. Ciò che ho imparato vale molto ma molto di più del grafico consumi che ho fatto.
Spero di poter contraccambiare!
Cris
19 messaggi
• Pagina 2 di 2 • 1, 2
Chi c’è in linea
Visitano il forum: Google [Bot] e 60 ospiti

Elettrotecnica e non solo (admin)
Un gatto tra gli elettroni (IsidoroKZ)
Esperienza e simulazioni (g.schgor)
Moleskine di un idraulico (RenzoDF)
Il Blog di ElectroYou (webmaster)
Idee microcontrollate (TardoFreak)
PICcoli grandi PICMicro (Paolino)
Il blog elettrico di carloc (carloc)
DirtEYblooog (dirtydeeds)
Di tutto... un po' (jordan20)
AK47 (lillo)
Esperienze elettroniche (marco438)
Telecomunicazioni musicali (clavicordo)
Automazione ed Elettronica (gustavo)
Direttive per la sicurezza (ErnestoCappelletti)
EYnfo dall'Alaska (mir)
Apriamo il quadro! (attilio)
H7-25 (asdf)
Passione Elettrica (massimob)
Elettroni a spasso (guidob)
Bloguerra (guerra)





