vorrei progettare un alimentatore switching da 3.8V di uscita e 3A con rendimento dell'80% e ripple 0.2. La tensione di ingresso va da 5 a 15 volt. Ho fatto un po di calcoli ma sicuramente ho sbagliato qualche cosa perché il condensatore mi viene da 1 uF. In più non so come calcolare il duty cicle.
1)

2)

3)

4)
Pogo L ad un valore commerciale = 33 uH5)


6)
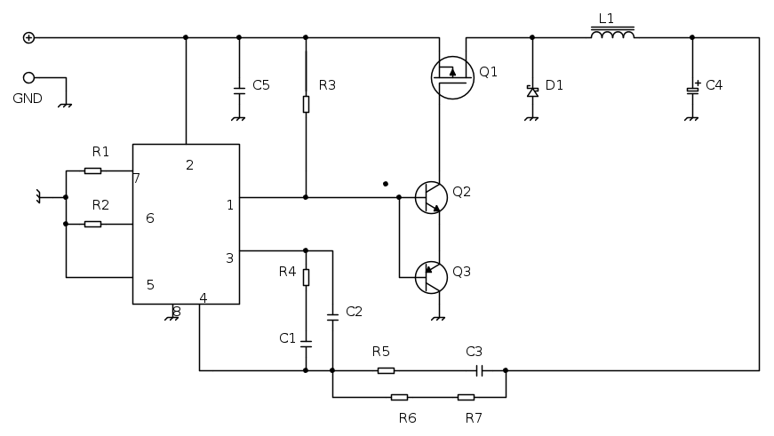
Poiche non esiste scelgo 1 uFDi seguito lo schema dell'alimentatore:
Di seguito le mie domande:
1) E' corretto il calcolo del condensatore?
2) Come scelgo il MOSFET ? In base a quali caratteristiche è da scegliere? Esistono formule in merito?
3) Un segnale PWM oltre la frequenza di 94.9 kHz ha anche bisogno di un duty cicle. Come si calcola il Duty Cicle?
Un grazie in anticipo,
lcua31989

Elettrotecnica e non solo (admin)
Un gatto tra gli elettroni (IsidoroKZ)
Esperienza e simulazioni (g.schgor)
Moleskine di un idraulico (RenzoDF)
Il Blog di ElectroYou (webmaster)
Idee microcontrollate (TardoFreak)
PICcoli grandi PICMicro (Paolino)
Il blog elettrico di carloc (carloc)
DirtEYblooog (dirtydeeds)
Di tutto... un po' (jordan20)
AK47 (lillo)
Esperienze elettroniche (marco438)
Telecomunicazioni musicali (clavicordo)
Automazione ed Elettronica (gustavo)
Direttive per la sicurezza (ErnestoCappelletti)
EYnfo dall'Alaska (mir)
Apriamo il quadro! (attilio)
H7-25 (asdf)
Passione Elettrica (massimob)
Elettroni a spasso (guidob)
Bloguerra (guerra)






