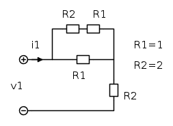
Riguardando meglio questo schema
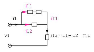
E ripercorrendo il circuito ho ottenuto questo
Ragionando in questo modo ed utilizzando anche una LKC, non vado a finire nel ramo che dicevo prima.
Calcolo termine matrice resistenze
Moderatori:
g.schgor,
IsidoroKZ
45 messaggi
• Pagina 2 di 5 • 1, 2, 3, 4, 5
0
voti
0
voti
Spiegati meglio.
Comunque questo è un dubbio da capitolo 1.
Differenza fra forze conservative e forze non conservative.
Le correnti possono circolare su qualunque percorso, ma alla fine devono richiudersi attraverso il generatore che crea le forze elettriche specifiche che agiscono sulle cariche elettriche stesse.
Comprendi perché non può esistere il percorso da te pensato?
Analogamente lo puoi vedere tramite la legge di Ohm: in quel percorso la d.d.p. è nulla e poiché la resistenza equivalente è diversa da zero, la corrente è nulla.
Comunque questo è un dubbio da capitolo 1.
Differenza fra forze conservative e forze non conservative.
Le correnti possono circolare su qualunque percorso, ma alla fine devono richiudersi attraverso il generatore che crea le forze elettriche specifiche che agiscono sulle cariche elettriche stesse.
Comprendi perché non può esistere il percorso da te pensato?
Analogamente lo puoi vedere tramite la legge di Ohm: in quel percorso la d.d.p. è nulla e poiché la resistenza equivalente è diversa da zero, la corrente è nulla.
Il Conte di Montecristo
Se non studio un giorno, me ne accorgo io. Se non studio due giorni, se ne accorge il pubblico.
Io devo studiare sodo e preparare me stesso perché prima o poi verrà il mio momento.
Abraham Lincoln
Se non studio un giorno, me ne accorgo io. Se non studio due giorni, se ne accorge il pubblico.
Io devo studiare sodo e preparare me stesso perché prima o poi verrà il mio momento.
Abraham Lincoln
-

EdmondDantes
11,9k 8 11 13 - Disattivato su sua richiesta
- Messaggi: 3619
- Iscritto il: 25 lug 2009, 22:18
- Località: Marsiglia
0
voti
Arya89 ha scritto:[..] non vado a finire nel ramo che dicevo prima.
Che significa?
0
voti
Questi sono più dubbi da capitolo 0!
comunque dove la ddp è nulla?
nel senso che da i11 non vado in i12 ma in i13 che poi non è altro che i1 come giustamente mi hai fatto notare admin grazie
admin ha scritto:Arya89 ha scritto:[..] non vado a finire nel ramo che dicevo prima.
Che significa?![]()
nel senso che da i11 non vado in i12 ma in i13 che poi non è altro che i1 come giustamente mi hai fatto notare admin grazie
0
voti
comunque la ddp è nulla nel ramo della corrente i12 giusto? Perché lì non c'è ddp come invece c'è nel percorso in giallo?
0
voti
Arya89 ha scritto: comunque la ddp è nulla nel ramo della corrente i12 giusto?
No. La ddp nel ramo della corrente i12 è identica alla ddp nel ramo della rorrennte i11. E' nulla nel percorso chiuso formato dalle due resistenze. Lungo quel percorso chiuso non incontri alcun generatore.
0
voti
e quindi?
Quanto vale quel termine?
Quanto vale quel termine?
Il Conte di Montecristo
Se non studio un giorno, me ne accorgo io. Se non studio due giorni, se ne accorge il pubblico.
Io devo studiare sodo e preparare me stesso perché prima o poi verrà il mio momento.
Abraham Lincoln
Se non studio un giorno, me ne accorgo io. Se non studio due giorni, se ne accorge il pubblico.
Io devo studiare sodo e preparare me stesso perché prima o poi verrà il mio momento.
Abraham Lincoln
-

EdmondDantes
11,9k 8 11 13 - Disattivato su sua richiesta
- Messaggi: 3619
- Iscritto il: 25 lug 2009, 22:18
- Località: Marsiglia
0
voti
Praticamente ho applicato la lkt alla maglia contenente i12 poi il partitore di corrente per determinare i12 ed ho ottenuto il risultato :)
0
voti
Arya89 ha scritto:Praticamente ho applicato la lkt alla maglia contenente i12 poi il partitore di corrente per determinare i12 ed ho ottenuto il risultato :)
Perché non usare una semplice successione serie-parallelo R1||(R1+R2)+R2 ?
Non ti piace "vincere facile"?
"Il circuito ha sempre ragione" (Luigi Malesani)
45 messaggi
• Pagina 2 di 5 • 1, 2, 3, 4, 5
Torna a Elettrotecnica generale
Chi c’è in linea
Visitano il forum: Nessuno e 121 ospiti

Elettrotecnica e non solo (admin)
Un gatto tra gli elettroni (IsidoroKZ)
Esperienza e simulazioni (g.schgor)
Moleskine di un idraulico (RenzoDF)
Il Blog di ElectroYou (webmaster)
Idee microcontrollate (TardoFreak)
PICcoli grandi PICMicro (Paolino)
Il blog elettrico di carloc (carloc)
DirtEYblooog (dirtydeeds)
Di tutto... un po' (jordan20)
AK47 (lillo)
Esperienze elettroniche (marco438)
Telecomunicazioni musicali (clavicordo)
Automazione ed Elettronica (gustavo)
Direttive per la sicurezza (ErnestoCappelletti)
EYnfo dall'Alaska (mir)
Apriamo il quadro! (attilio)
H7-25 (asdf)
Passione Elettrica (massimob)
Elettroni a spasso (guidob)
Bloguerra (guerra)








