..giusto? Calcolo termine matrice resistenze
Moderatori:
g.schgor,
IsidoroKZ
45 messaggi
• Pagina 3 di 5 • 1, 2, 3, 4, 5
0
voti
Si RenzoDF effettivamente avrei fatto prima
@gotthard anche io mi trovo così!
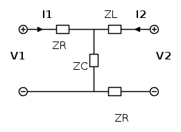
Ora ho un altro problema. Ho un circuito nel tempo di cui devo calcolare la matrice delle impedenze. Sono passata nel dominio dei fasori e al posto dei gdc ho degli aperti per cui il doppio bipolo è il seguente:
Ora sapendo che
,
,
e
, non riesco a calcolarmi
quando
. Io mi trovo
mentre il libro mi dà
. Qualcuno sa dirmi cosa sbaglio?? 
@gotthard anche io mi trovo così!
Ora ho un altro problema. Ho un circuito nel tempo di cui devo calcolare la matrice delle impedenze. Sono passata nel dominio dei fasori e al posto dei gdc ho degli aperti per cui il doppio bipolo è il seguente:
Ora sapendo che
,
,
e
, non riesco a calcolarmi
quando
. Io mi trovo
mentre il libro mi dà
. Qualcuno sa dirmi cosa sbaglio?? 0
voti
Se gdc sta per generatori dipendenti di corrente, non li devi "aprire". Solo i generatori indipendenti vanno cortocircuitati (quello di tensione) o aperti (quello di corrente). Magari posta il circuito intero,che forse si capisce meglio in che situazione ti trovi 
0
voti
Ovviamente, ma sai, con l'età che mi ritrovo, dopo tre secondi già mi ero dimenticato i nomi dei resistori.
Grazie della segnalazione ... ho corretto l'errore.
"Il circuito ha sempre ragione" (Luigi Malesani)
0
voti
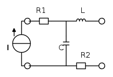
Ecco il circuito da cui parto:
0
voti
Arya89 ha scritto:...Io mi trovomentre il libro mi dà
. Qualcuno sa dirmi cosa sbaglio??
Pensa che a me ne risulta un'altra ancora 2-j2
Sei sicura dei dati forniti?
Quale calcolo ti ha portato al tuo risultato?
Come facciamo a dirti dove sbagli se non ci spieghi che calcoli hai effettuato?
"Il circuito ha sempre ragione" (Luigi Malesani)
2
voti
Comunque
Dal tuo disegno (siccome non c'è nessuna indicazione a riguardo) penso siano indipendenti. Se è così, li puoi aprire. Successivamente devi porre un generatore indipendente di corrente di test alla porta 1, mentre lasci aperta la porta 2.
Quindi, sei in una situazione di questo tipo:
Per cui si ha che in R2 e in L non scorre corrente, e quindi, indicando con V la tensione ai capi del generatore di test, si ha che:

E siccome si ha:

Inserendo i valori si ha:

E quindi:

0
voti
Si i due generatori sono indipendenti. Mi trovo con voi ragazzi. Io ho proceduto esattamente allo stesso modo vostro (essendo l'esercizio alquanto banale) ma il risultato del libro è diverso. Ora vi posto una foto dell'esercizio:
Ultima modifica di
RenzoDF il 9 ago 2013, 14:41, modificato 1 volta in totale.
Motivazione: Usare pulsante "Inserisci in linea con il testo"! Grazie.
Motivazione: Usare pulsante "Inserisci in linea con il testo"! Grazie.
0
voti
gotthard ha scritto:Non si può escludere che anche i risultati del libro, a volte, sono sbagliati
Non è un'affermazione che posso permettermi essendo io non espertissima della materia, per cui mi viene automatico pensare, per quanto i procedimenti da me fatti siano giusti, "dove sbaglio?"

Comunque grazie ancora e mi scuso con renzoDF per non aver premuto quel pulsante
45 messaggi
• Pagina 3 di 5 • 1, 2, 3, 4, 5
Torna a Elettrotecnica generale
Chi c’è in linea
Visitano il forum: Nessuno e 67 ospiti

Elettrotecnica e non solo (admin)
Un gatto tra gli elettroni (IsidoroKZ)
Esperienza e simulazioni (g.schgor)
Moleskine di un idraulico (RenzoDF)
Il Blog di ElectroYou (webmaster)
Idee microcontrollate (TardoFreak)
PICcoli grandi PICMicro (Paolino)
Il blog elettrico di carloc (carloc)
DirtEYblooog (dirtydeeds)
Di tutto... un po' (jordan20)
AK47 (lillo)
Esperienze elettroniche (marco438)
Telecomunicazioni musicali (clavicordo)
Automazione ed Elettronica (gustavo)
Direttive per la sicurezza (ErnestoCappelletti)
EYnfo dall'Alaska (mir)
Apriamo il quadro! (attilio)
H7-25 (asdf)
Passione Elettrica (massimob)
Elettroni a spasso (guidob)
Bloguerra (guerra)








