Ho trovato questo link:
http://www.settorezero.com/wordpress/la ... c24-dspic/
e sembra, qualcuno mi corregga se ho interpretato male,
leggo:
"Apparentemente riuscire a gestire oltre un centinaio di sorgenti di interrupt su questi PIC (ben 126!) potrebbe apparire una cosa molto complicata. In realtà la gestione degli interrupt sui PIC a 16bit è ancora più semplice rispetto a quella dei cugini ad 8 bit; il C30 ci viene in aiuto con una funzione di interrupt per ogni richiesta di interruzione: non avremo più, quindi, un’unica ISR (o due come nel caso dei pic18) all’interno della quale dovremo andare a discernere l’interrupt che si è verificato bensì tante funzioni di interrupt separate. Vedremo tra poco come tutto questo si traduce in codice."
e tra le schedine embedded il PIC 24 è contenuto nel flyport, però nel datasheet del flyport dice poterne gestire solo 3.
Qualcuno mi illumini
Interrupt
Moderatori:
carloc,
g.schgor,
BrunoValente,
IsidoroKZ
28 messaggi
• Pagina 2 di 3 • 1, 2, 3
0
voti
[12] Re: Interrupt
Ti posso aiutare se mi dici che tempo di risposta (massimo) vuoi avere.
"La follia sta nel fare sempre la stessa cosa aspettandosi risultati diversi".
"Parla soltanto quando sei sicuro che quello che dirai è più bello del silenzio".
Rispondere è cortesia, ma lasciare l'ultima parola ai cretini è arte.
"Parla soltanto quando sei sicuro che quello che dirai è più bello del silenzio".
Rispondere è cortesia, ma lasciare l'ultima parola ai cretini è arte.
-

TardoFreak
73,9k 8 12 13 - -EY Legend-

- Messaggi: 15754
- Iscritto il: 16 dic 2009, 11:10
- Località: Torino - 3° pianeta del Sistema Solare
0
voti
[14] Re: Interrupt
Mi spiego meglio: da quando ti arriva la interrupt a quando devi servirla (iniziare la funzione) quanto tempo deve passare al massimo?
La lunghezza dell' impulso interessa relativamente (magari trovando un'altra soluzione) perché le interrupt funzionano sui fronti.
La lunghezza dell' impulso interessa relativamente (magari trovando un'altra soluzione) perché le interrupt funzionano sui fronti.
"La follia sta nel fare sempre la stessa cosa aspettandosi risultati diversi".
"Parla soltanto quando sei sicuro che quello che dirai è più bello del silenzio".
Rispondere è cortesia, ma lasciare l'ultima parola ai cretini è arte.
"Parla soltanto quando sei sicuro che quello che dirai è più bello del silenzio".
Rispondere è cortesia, ma lasciare l'ultima parola ai cretini è arte.
-

TardoFreak
73,9k 8 12 13 - -EY Legend-

- Messaggi: 15754
- Iscritto il: 16 dic 2009, 11:10
- Località: Torino - 3° pianeta del Sistema Solare
0
voti
[15] Re: Interrupt
TardoFreak ha scritto:da quando ti arriva la interrupt a quando devi servirla (iniziare la funzione) quanto tempo deve passare al massimo?
non ho nessun limite posso gestirlo come viene più comodo
0
voti
[16] Re: Interrupt
Il problema non è chiaro perché una cosa esclude l'altra.
Si utilizzano le interrupt per avere risposte veloci a gli eventi.
Se non t' interessa una risposta veloce non hai bisogno di una interrupt perché ti basta fare un polling senza cercarti casini.
O forse il problema e la domanda sono ma posti.
Si utilizzano le interrupt per avere risposte veloci a gli eventi.
Se non t' interessa una risposta veloce non hai bisogno di una interrupt perché ti basta fare un polling senza cercarti casini.
O forse il problema e la domanda sono ma posti.

"La follia sta nel fare sempre la stessa cosa aspettandosi risultati diversi".
"Parla soltanto quando sei sicuro che quello che dirai è più bello del silenzio".
Rispondere è cortesia, ma lasciare l'ultima parola ai cretini è arte.
"Parla soltanto quando sei sicuro che quello che dirai è più bello del silenzio".
Rispondere è cortesia, ma lasciare l'ultima parola ai cretini è arte.
-

TardoFreak
73,9k 8 12 13 - -EY Legend-

- Messaggi: 15754
- Iscritto il: 16 dic 2009, 11:10
- Località: Torino - 3° pianeta del Sistema Solare
0
voti
[17] Re: Interrupt
interessa che:
tutti gli ingressi siano gestiti e possano operare contemporaneamente senza perdere impulsi,
ad esempio 10 o più impulsi provenienti dai pulsanti debbano essere gestiti anche se arrivano allo stesso tempo
tutti gli ingressi siano gestiti e possano operare contemporaneamente senza perdere impulsi,
ad esempio 10 o più impulsi provenienti dai pulsanti debbano essere gestiti anche se arrivano allo stesso tempo
2
voti
[18] Re: Interrupt
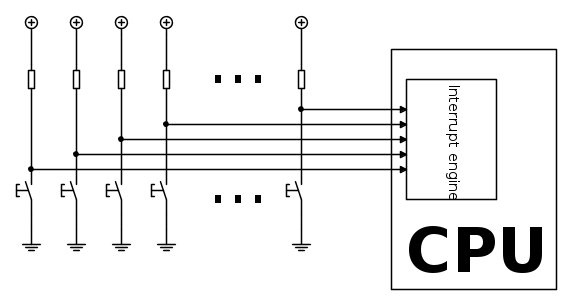
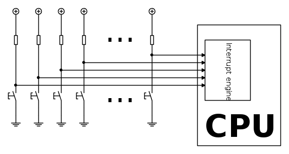
La CPU è unica e un solo engine per interrupt è in grado di gestire i segnali provenienti (in questo caso) dai pulsanti. Ora, con i PIC24 puoi non perdere nemmeno un evento di interrupt. E fino a questo punto ci siamo, giusto? Poi però chiedi di gestire i segnali contemporaneamente.... Qui mi sa che dovrai cambiare architettura, passando a strutture con CPU parallele. Oppure cambi le specifiche del problema...
Ciao.
Paolo.
"Houston, Tranquillity Base here. The Eagle has landed." - Neil A.Armstrong
-------------------------------------------------------------
PIC Experience - http://www.picexperience.it
-------------------------------------------------------------
PIC Experience - http://www.picexperience.it
-

Paolino
32,6k 8 12 13 - G.Master EY

- Messaggi: 4226
- Iscritto il: 20 gen 2006, 11:42
- Località: Vigevano (PV)
0
voti
[19] Re: Interrupt
carmen976 ha scritto:Gli impulsi che arrivano sui pin dove ci sta in ascolto un interrupt
hanno una durata (mi riferisco al valore alto) di 1 ms, la frequenza 1 Hz (per fissare le idee).
Le specifiche sono sempre queste.
Su di ogni linea di ingresso l'impulso quando arriva dura 1ms.
Fatemi capire come ragionare.
Paolino ha scritto:Ora, con i PIC24 puoi non perdere nemmeno un evento di interrupt. E fino a questo punto ci siamo, giusto? Poi però chiedi di gestire i segnali contemporaneamente.... Qui mi sa che dovrai cambiare architettura, passando a strutture con CPU parallele. Oppure cambi le specifiche del problema...
Se con PIC24 non perdo eventi di interrupt, perché cambiare architettura?
Avrò di certo un numero massimo di ingressi con interrupt da poter usare.
2
voti
[20] Re: Interrupt
Visto che l' impulso dura 1ms io implementarei un' interrupt ciclica che ogni 500 us mi va a leggere tutti gli ingressi e me li mette in una serie di bytes e mi verifichi già la commutazie.
Per ogni ingresso bastano tre bit: lo stato appena letto, lo stato precedente, l' avvenuta commutazione.
E lo potrei fare benissimo con un PIC18.
Per ogni ingresso bastano tre bit: lo stato appena letto, lo stato precedente, l' avvenuta commutazione.
E lo potrei fare benissimo con un PIC18.
"La follia sta nel fare sempre la stessa cosa aspettandosi risultati diversi".
"Parla soltanto quando sei sicuro che quello che dirai è più bello del silenzio".
Rispondere è cortesia, ma lasciare l'ultima parola ai cretini è arte.
"Parla soltanto quando sei sicuro che quello che dirai è più bello del silenzio".
Rispondere è cortesia, ma lasciare l'ultima parola ai cretini è arte.
-

TardoFreak
73,9k 8 12 13 - -EY Legend-

- Messaggi: 15754
- Iscritto il: 16 dic 2009, 11:10
- Località: Torino - 3° pianeta del Sistema Solare
28 messaggi
• Pagina 2 di 3 • 1, 2, 3
Chi c’è in linea
Visitano il forum: Nessuno e 139 ospiti

Elettrotecnica e non solo (admin)
Un gatto tra gli elettroni (IsidoroKZ)
Esperienza e simulazioni (g.schgor)
Moleskine di un idraulico (RenzoDF)
Il Blog di ElectroYou (webmaster)
Idee microcontrollate (TardoFreak)
PICcoli grandi PICMicro (Paolino)
Il blog elettrico di carloc (carloc)
DirtEYblooog (dirtydeeds)
Di tutto... un po' (jordan20)
AK47 (lillo)
Esperienze elettroniche (marco438)
Telecomunicazioni musicali (clavicordo)
Automazione ed Elettronica (gustavo)
Direttive per la sicurezza (ErnestoCappelletti)
EYnfo dall'Alaska (mir)
Apriamo il quadro! (attilio)
H7-25 (asdf)
Passione Elettrica (massimob)
Elettroni a spasso (guidob)
Bloguerra (guerra)

