Caricabatteria / Alimentatore / Corrente di ricarica !!?
Moderatori:
g.schgor,
IsidoroKZ
33 messaggi
• Pagina 2 di 4 • 1, 2, 3, 4
0
voti
Se il circuito è quello del topic viewtopic.php?f=2&t=46659&hilit=batterie+ricaricabili&start=10 messaggio n.17 dovrei avere il tempo di modificarlo per le nuove esigenze, ma ora sono un po' indaffarato anch'io, un po' di pazienza 
-

FedericoSibona
5.022 3 5 8 - Master

- Messaggi: 3951
- Iscritto il: 19 mar 2013, 11:43
0
voti
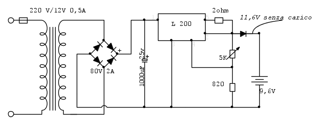
Se, nella fretta, non ho dimenticato/sbagliato qualcosa il circuito dovrebbe essere questo
Il circuito va bene se le batterie le ricarichi in serie, ed in tal caso la corrente di carica è la stessa che con una sola batteria. Ricordati di sorvegliare le batterie in carica e toglierle quando diventano più che tiepide. È normale che scaldino quando sono cariche
Il circuito va bene se le batterie le ricarichi in serie, ed in tal caso la corrente di carica è la stessa che con una sola batteria. Ricordati di sorvegliare le batterie in carica e toglierle quando diventano più che tiepide. È normale che scaldino quando sono cariche
-

FedericoSibona
5.022 3 5 8 - Master

- Messaggi: 3951
- Iscritto il: 19 mar 2013, 11:43
1
voti
Solo una cosa; visto che il caricatore deve erogare 250/300 mA, un trasformatore da 500mA nominali mi pare molto risicato. Lo metterei da 1A nominali che poi, dopo il ponte, si riducono a 6/700mA.
marco
0
voti
Grazie 1000 ragazzi! Siete fantastici! Senza fretta tranquilli...è solo un hobby per me :) noente di vitale 
Grazie per lo schema Federico, e per le delucidazioni marco438,
Perô avrei qualche domanda se possibile:
L200 in che versione lo acquisto? Integrato?
E a che piedini mi connetto?
Avete un sito fidato per acquisti di componenti?
Per il ponte vanno bene anche 4 diodi 1N4001 (che dovrei già avere)?
Grazie ancora!
Grazie per lo schema Federico, e per le delucidazioni marco438,
Perô avrei qualche domanda se possibile:
L200 in che versione lo acquisto? Integrato?
E a che piedini mi connetto?
Avete un sito fidato per acquisti di componenti?
Per il ponte vanno bene anche 4 diodi 1N4001 (che dovrei già avere)?
Grazie ancora!
-

matematiko
0 3 - Messaggi: 16
- Iscritto il: 16 ago 2013, 11:04
0
voti
Quei diodi sarebbero sottodimensionati rispetto allo schema proposto
"640K ought to be enough for anybody" Bill Gates (?) 1981
Qualcosa non ha funzionato...
Lo sapete che l'arroganza in informatica si misura in nanodijkstra?
Qualcosa non ha funzionato...
Lo sapete che l'arroganza in informatica si misura in nanodijkstra?
-

fairyvilje
15,0k 4 9 12 - G.Master EY

- Messaggi: 3047
- Iscritto il: 24 gen 2012, 19:23
0
voti
matematiko ha scritto: L200 in che versione lo acquisto? Integrato?
L200 e' un regolatore integrato e ormai e' reperibile solo nella versione Pentawatt.
Su Ebay puoi prenderlo qui.
matematiko ha scritto:E a che piedini mi connetto?
Questo lo puoi vedere dallo schema di
matematiko ha scritto:Per il ponte vanno bene anche 4 diodi 1N4001 (che dovrei già avere)?
I diodi 1N4001 supportano fino ad 1A di corrente; il tuo schema prevede un ponte da 2A; quindi diodi o ponte da 2 o piu' ampere.

marco
1
voti
Sono d'accordo che un trasformatore da 6VA costa circa lo stesso di uno da 12VA, però con Rsc=2ohm la corrente teorica in uscita è di 225mA e 0,5A è già più del doppio, pensavo che bastasse. Ammetto però che con il trasformatore da 1A non ci si preclude la possibilità, in caso di necessità futura, di caricare batterie di maggior capacità, basterà sostituire il resistore Rsc con uno di valore ohmico minore.
Per lo stesso motivo è bene non ridurre le caratteristiche del ponte di diodi, si può usare questo https://www.distrelec.it/raddrizzatore- ... pbf/605508 o uno di caratteristiche simili.
Per lo stesso motivo è bene non ridurre le caratteristiche del ponte di diodi, si può usare questo https://www.distrelec.it/raddrizzatore- ... pbf/605508 o uno di caratteristiche simili.
-

FedericoSibona
5.022 3 5 8 - Master

- Messaggi: 3951
- Iscritto il: 19 mar 2013, 11:43
1
voti
FedericoSibona ha scritto:....... però con Rsc=2ohm la corrente teorica in uscita è di 225mA e 0,5A è già più del doppio.....
0.5 A nominali, dopo ponte e condensatore diventano poco piu' di 300mA; penso che in tale condizione e per lunghi periodi (una ricarica richiede una dozzina di ore) il trasformatore potrebbe..... arrabbiarsi
marco
0
voti
Grazie ancora ragazzi....ma, un'altra cosa;
il potenziometro da 5K a che serve?
E soprattutto, dove vedo il risultato di quello che mi regola, in numeri?
Grazie ancora
il potenziometro da 5K a che serve?
E soprattutto, dove vedo il risultato di quello che mi regola, in numeri?
Grazie ancora
-

matematiko
0 3 - Messaggi: 16
- Iscritto il: 16 ago 2013, 11:04
1
voti
fairyvilje ha scritto:Quei diodi sarebbero sottodimensionati rispetto allo schema proposto
Ma non rispetto all'applicazione: se il caricatore eroga 300mA (anche un po' di meno, visti gli accumulatori da 2500mAh), la corrente media attraverso ogni diodo e` di 150mA. Gli 1n4001 sono componenti da 1A, direi che ce ne sia piu` che a sufficienza. Anche per la tensione inversa vanno bene: con un secondario a 12V per male che vada ci sono 20V di picco, i diodi sono da 50V, siamo a posto.
Per la corrente di picco ripetitiva (10A sopportabili) non ci sono problemi: i trasformatori piccoli hanno una impedenza interna relativamente elevata e il picco di corrente viene anche limitato da questa impedenza (oltre che da tutte le altre).
Per usare proficuamente un simulatore, bisogna sapere molta più elettronica di lui
Plug it in - it works better!
Il 555 sta all'elettronica come Arduino all'informatica! (entrambi loro malgrado)
Se volete risposte rispondete a tutte le mie domande
Plug it in - it works better!
Il 555 sta all'elettronica come Arduino all'informatica! (entrambi loro malgrado)
Se volete risposte rispondete a tutte le mie domande
33 messaggi
• Pagina 2 di 4 • 1, 2, 3, 4
Torna a Elettrotecnica generale
Chi c’è in linea
Visitano il forum: Nessuno e 68 ospiti

Elettrotecnica e non solo (admin)
Un gatto tra gli elettroni (IsidoroKZ)
Esperienza e simulazioni (g.schgor)
Moleskine di un idraulico (RenzoDF)
Il Blog di ElectroYou (webmaster)
Idee microcontrollate (TardoFreak)
PICcoli grandi PICMicro (Paolino)
Il blog elettrico di carloc (carloc)
DirtEYblooog (dirtydeeds)
Di tutto... un po' (jordan20)
AK47 (lillo)
Esperienze elettroniche (marco438)
Telecomunicazioni musicali (clavicordo)
Automazione ed Elettronica (gustavo)
Direttive per la sicurezza (ErnestoCappelletti)
EYnfo dall'Alaska (mir)
Apriamo il quadro! (attilio)
H7-25 (asdf)
Passione Elettrica (massimob)
Elettroni a spasso (guidob)
Bloguerra (guerra)

