Cos'è ElectroYou | Login Iscriviti

ElectroYou - la comunità dei professionisti del mondo elettrico

Batteria 9 V Ni-Mh in tampone?

Elettronica lineare e digitale: didattica ed applicazioni

Moderatori: Foto Utentecarloc, Foto Utenteg.schgor, Foto UtenteBrunoValente, Foto UtenteIsidoroKZ

0
voti

[1] Batteria 9 V Ni-Mh in tampone?

Messaggioda Foto Utentesebasera » 21 ago 2013, 10:39

Ciao a tutti O_/
Sto realizzando una piccola lampada di emergenza a led e avendo a disposizione una batteria da 9V Ni-Mh 200mAh ho pensato di utilizzare quella. Chiedo a voi esperti se questa cosa può funzionare. In tal caso a che tensione massima la posso alimentare? 9,5V?
Grazie
Avatar utente
Foto Utentesebasera
53 1 1 7
Frequentatore
Frequentatore
 
Messaggi: 153
Iscritto il: 22 ago 2010, 9:44

0
voti

[2] Re: Batteria 9 V Ni-Mh in tampone?

Messaggioda Foto UtenteCandy » 21 ago 2013, 11:13

Per quello che hai scritto, è impossibile dire se possa funzionare o meno. Hai solo scritto i dati di una batteria. Perché non dovrebbe funzionare? Perché dovrebbe funzionare?
Se hai un progetto da analizzare, sottoponilo. Altrimenti :?:
Avatar utente
Foto UtenteCandy
32,5k 7 10 13
CRU - Account cancellato su Richiesta utente
 
Messaggi: 10123
Iscritto il: 14 giu 2010, 22:54

0
voti

[3] Re: Batteria 9 V Ni-Mh in tampone?

Messaggioda Foto Utentesebasera » 21 ago 2013, 11:31

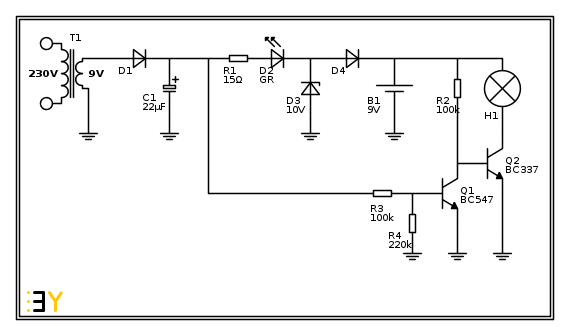
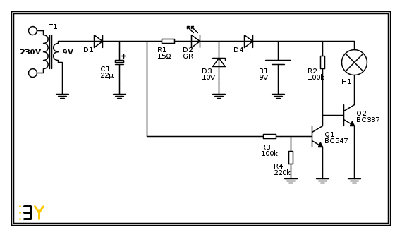
Il progetto è questo :D

In caso di presenza della rete 230V, la batteria viene mantenuta carica. Nel caso inizialmente fosse scarica, la resistenza da 100ohm ne limita la corrente iniziale, mentre il diodo zener la tensione massima. Quindi la batteria è utilizzata come fosse un condensatore.
La mia domanda è se questo tipo di batteria ricaricabile è adatto al mio scopo :-), oppure se rischio di danneggiarla o risentire dell'effetto memoria con questa modalità di carica?
Avatar utente
Foto Utentesebasera
53 1 1 7
Frequentatore
Frequentatore
 
Messaggi: 153
Iscritto il: 22 ago 2010, 9:44

0
voti

[4] Re: Batteria 9 V Ni-Mh in tampone?

Messaggioda Foto UtenteCandy » 21 ago 2013, 11:47

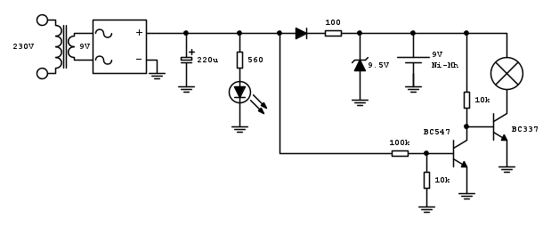
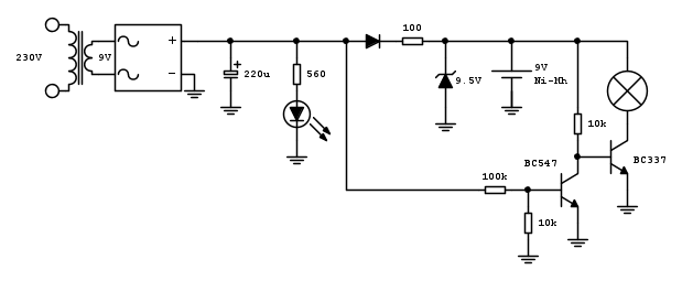
Il diodo zener in parallelo alla batteria mi convince pochissimo. Rischi che la batteria sia in grado di innescare l'effetto valanga e la sua resistenza bassissima te la scaricherebbe in pochi secondi.
L'elettrolitico da 220 microfarad è inutile. Risultando grosso spropositato. Per caricare una batteria ed evitare che i transistor lampeggino ti basta un 10 microfarad e dintorni. Anche il ponte raddrizzatore lo trovo sprecato. Basta un diodo.
Come tensione di mantenimento alla batteria mi avvicinerei a 10V. Caricarla "solo" a 9,5 V, (ammesso che esista come valore), è limitante della sua capacità di carica.

Per il resto, quasi tutti i circuiti funzionano in un modo simile. L'effetto memoria lo riduci portando ogni tanto a scarica la batteria. Piuttosto prevedi un selettore per tale funzione.
Avatar utente
Foto UtenteCandy
32,5k 7 10 13
CRU - Account cancellato su Richiesta utente
 
Messaggi: 10123
Iscritto il: 14 giu 2010, 22:54

0
voti

[5] Re: Batteria 9 V Ni-Mh in tampone?

Messaggioda Foto UtenteFedericoSibona » 21 ago 2013, 14:05

Le batterie Ni-MHhanno tensione nominale 1,2V per cella, quindi se ne metti 7 saranno 8,4V nominali e se 8, 9,6V. Le batterie NiMH da 9V nominali si trovano sia da 8,4V che da 9,6V, leggi sulla tua che tensione nominale ha.
Se consideriamo una tensione di carica in tampone di 1,35V per cella avremo che dovrai fornire una tensione di 9,45V per 7 celle e 10,8V per 8 celle e la corrente di carica dovrà essere limitata a circa 20mA.

Ma le lampade di emergenza sono in genere fatte in modo da accendersi solo in mancanza di tensione di rete, quella corrispondente al tuo circuito sembra invece, sempre se non sbaglio, che sia sempre accesa sia in presenza di tensione di rete che in sua assenza, è così che vuoi che funzioni?

Nelle batterie Ni-MH l'effetto memoria è abbastanza limitato rispetto alle Ni-Cd, penso che nel tuo impiego potresti anche non tenerne conto.

La lampada a LED da quanti LED è costituita e con che caratteristiche? E che autonomia desideri con alimentazione a batteria?
Avatar utente
Foto UtenteFedericoSibona
5.022 3 5 8
Master
Master
 
Messaggi: 3951
Iscritto il: 19 mar 2013, 11:43

0
voti

[6] Re: Batteria 9 V Ni-Mh in tampone?

Messaggioda Foto Utentesebasera » 21 ago 2013, 14:27

se guardi lo schema la lampada è accesa solo in mancanza di tensione di rete. Se questa è presente, il primo BJT conduce portando a massa la base di quello che controlla la lampada. In caso di assenza di rete, il primo BJT non conduce e di conseguenza il secondo si, accendendo la lampada alimentandola da batteria.

L'autonomia dipende dalla lampada collegata di cui devo decidere quanti led metterci, poi farò il calcolo :-)
Ho appena assemblato il circuito su breadboard e funziona senza problemi
Avatar utente
Foto Utentesebasera
53 1 1 7
Frequentatore
Frequentatore
 
Messaggi: 153
Iscritto il: 22 ago 2010, 9:44

0
voti

[7] Re: Batteria 9 V Ni-Mh in tampone?

Messaggioda Foto UtenteFedericoSibona » 21 ago 2013, 15:56

Troppa fretta, mi è sfuggita la tipologia di collegamento tra i due BJT :oops:
Avatar utente
Foto UtenteFedericoSibona
5.022 3 5 8
Master
Master
 
Messaggi: 3951
Iscritto il: 19 mar 2013, 11:43

0
voti

[8] Re: Batteria 9 V Ni-Mh in tampone?

Messaggioda Foto UtenteCandy » 21 ago 2013, 18:48

Se lo hai fatto e dai test vedrai che funziona bene, inutile rompersi la testa di più. Per completezza al precedente post, illustro cosa intendevo dire:
Avatar utente
Foto UtenteCandy
32,5k 7 10 13
CRU - Account cancellato su Richiesta utente
 
Messaggi: 10123
Iscritto il: 14 giu 2010, 22:54

0
voti

[9] Re: Batteria 9 V Ni-Mh in tampone?

Messaggioda Foto Utentestefanob70 » 21 ago 2013, 19:45

Ti consiglio di abbassare il valore di R2 e portarlo a 68K,in questo modo aumenti Ic di "Q2" da "13mA" a "20mA" se vuoi alimentare un striscia da 16"led".
Avatar utente
Foto Utentestefanob70
14,1k 5 11 13
Master EY
Master EY
 
Messaggi: 3190
Iscritto il: 14 lug 2012, 13:14
Località: Roma


Torna a Elettronica generale

Chi c’è in linea

Visitano il forum: Nessuno e 148 ospiti