Ampli da stereo a mono collegamento a ponte
Moderatore:
IsidoroKZ
19 messaggi
• Pagina 2 di 2 • 1, 2
0
voti
Grazie, ma non non ce l'ho a portata di mano, domani lo faccio, in caso cosa dovrò dedurre a seconda del risultato?
0
voti
grab ha scritto:Non ho fidocad,
Lo scarichi, non richiede installazione, gira su qualunque piattaforma, e` gratuito e fai lo schema in modo da capire che cosa stai dicendo.
Ho l'impressione che ti sia fissato con il voler fare una cosa che non ha molto senso, perche' vuoi usare qualcosa che hai gia` che non c'entra molto con quello che vuoi fare.
Fino a quando non arriva uno schema evito di dire altre cose perche' non so se ho capito quello che vuoi fare.
Per usare proficuamente un simulatore, bisogna sapere molta più elettronica di lui
Plug it in - it works better!
Il 555 sta all'elettronica come Arduino all'informatica! (entrambi loro malgrado)
Se volete risposte rispondete a tutte le mie domande
Plug it in - it works better!
Il 555 sta all'elettronica come Arduino all'informatica! (entrambi loro malgrado)
Se volete risposte rispondete a tutte le mie domande
0
voti
grab ha scritto: solo su Ebay e non la vedo così importante da acquistarlo.
Beh, per una decina di euro.......preferisci correre il rischio di rovinare l'amplificatore?
Fossi in te terrei quell'oggetto vintage piuttosto pregevole integro oppure lo venderei e prenderei uno dei tanti ampli mono cinesi che si trovano su ebay.
Ultima modifica di
FedericoSibona il 23 ago 2013, 23:27, modificato 2 volte in totale.
-

FedericoSibona
5.022 3 5 8 - Master

- Messaggi: 3951
- Iscritto il: 19 mar 2013, 11:43
0
voti
Mamma mia è dura... è una questione di giocare con aggeggi che li guardi e non sai che farne, sta a vedere che il problema sono i dieci euri...
Fidocad lo scarico, poi imparo a usarlo e rimane il problema che non ho il service dell'ampli quindi la faccenda la chiudo percé non ne vengo a capo... grazie comunque.
Mettiamola così:s'è capito bene quello che voglio fare e che fanno già in tanti e non è detto che sia inutile... raddoppio la parzialmente la potenza dell'ampli, uso una cassa abbandonata, un convertitore desueto e mi diverto perché il tempo non mi manca, e neanche i preziosi oggetti vintage.
Si replica la storia dei nuclei e così la soluzione me la trovo da solo.
Saluti.
Fidocad lo scarico, poi imparo a usarlo e rimane il problema che non ho il service dell'ampli quindi la faccenda la chiudo percé non ne vengo a capo... grazie comunque.
Mettiamola così:s'è capito bene quello che voglio fare e che fanno già in tanti e non è detto che sia inutile... raddoppio la parzialmente la potenza dell'ampli, uso una cassa abbandonata, un convertitore desueto e mi diverto perché il tempo non mi manca, e neanche i preziosi oggetti vintage.
Si replica la storia dei nuclei e così la soluzione me la trovo da solo.
Saluti.
0
voti
Mettendolo a ponte guadagni 6 dB, non è poca roba 
0
voti
Appunto
Ma quello sarebbe il meno, nel senso che non voglio cannibalizzare un ampli solo per avere i 6 db in più, altro materiale provvede a questo, e comunque senza cannibalizzarlo m'informavo sulla possibilità di fare collegamenti alla bisogna reversibili... era solo per sapere se bisogna intervenire sull'ampli o cos'altro e se un convertitore con in/out bilanciati era idoneo a mettere in controfase i canali con limitati interventi, considerando poi che rimangono sfruttabili gli stadi pre e comandi.
Pacifico che l'ampli non è predisposto, vecchia maniera e semplice circuitazione, sbirciando: il finale porta due B686 e due D716, poi un A1184 e un C2824... null'altro, il resto è resistori e condensatori.
Ma quello sarebbe il meno, nel senso che non voglio cannibalizzare un ampli solo per avere i 6 db in più, altro materiale provvede a questo, e comunque senza cannibalizzarlo m'informavo sulla possibilità di fare collegamenti alla bisogna reversibili... era solo per sapere se bisogna intervenire sull'ampli o cos'altro e se un convertitore con in/out bilanciati era idoneo a mettere in controfase i canali con limitati interventi, considerando poi che rimangono sfruttabili gli stadi pre e comandi.
Pacifico che l'ampli non è predisposto, vecchia maniera e semplice circuitazione, sbirciando: il finale porta due B686 e due D716, poi un A1184 e un C2824... null'altro, il resto è resistori e condensatori.
0
voti
grab ha scritto:Mamma mia è dura... è una questione di giocare con aggeggi che li guardi e non sai che farne, sta a vedere che il problema sono i dieci euri...
Fidocad lo scarico, poi imparo a usarlo e rimane il problema che non ho il service dell'ampli quindi la faccenda la chiudo percé non ne vengo a capo... grazie comunque.
Mettiamola così:s'è capito bene quello che voglio fare e che fanno già in tanti e non è detto che sia inutile... raddoppio la parzialmente la potenza dell'ampli, uso una cassa abbandonata, un convertitore desueto e mi diverto perché il tempo non mi manca, e neanche i preziosi oggetti vintage.
Mi dispiace che te la sia presa così per un semplice consiglio.
grab ha scritto:Si replica la storia dei nuclei e così la soluzione me la trovo da solo.
Sì, si ripete perché tu dimostri una spiccata idiosincrasia a fornire dati indispensabili per consigliare a distanza
-

FedericoSibona
5.022 3 5 8 - Master

- Messaggi: 3951
- Iscritto il: 19 mar 2013, 11:43
0
voti
Sì vabbé... allora è evidente che non ci capiano.
Consiglirmi di comprare un finalino cinese è un consiglio? Verrei qui a scomodare gli esperti per una cosa del genre?
A me sembra un modo di snobbare gli inesperti che amano divertirsi e sperimentare senza infognarsi a prendersi un master in scienze elettrotecniche... tutta colpa del web, giri e rigiri e vedi che c'intrugliano parecchi con queste cose.
E poi i DATI non ce li ho, già detto, e per quanto riguarda i nuclei è andata a finire come dicevo io: questione di assemblaggio degli stessi indipendentemente dalle formule scientifiche o dai bisogni dei valori finali.
Sarò ignorante ma so distinguere una sezione meccanica da una elettronica.
Per il caso attuale si tratta di una via a metà: se la posso fare la faccio, altrimenti ciccia, e senza polemiche.
Ritornando ai nuclei dicevo che mi ci applicavo perché m'ero costruito una bobinatrice, un accrocco per vedre le cose come andavano, e sicomme vanno l'ho assemblata a dovere e fra un paio di giorni ti mando pure le foto, e funziona una meraviglia, controllata dal PC con un softwarino fatto da me... tié!!!
Dai che scherzo, mi dispiace si fraintendano certe cose... un saluto, e non me la prendo dai... i DATI non li ho
Consiglirmi di comprare un finalino cinese è un consiglio? Verrei qui a scomodare gli esperti per una cosa del genre?
A me sembra un modo di snobbare gli inesperti che amano divertirsi e sperimentare senza infognarsi a prendersi un master in scienze elettrotecniche... tutta colpa del web, giri e rigiri e vedi che c'intrugliano parecchi con queste cose.
E poi i DATI non ce li ho, già detto, e per quanto riguarda i nuclei è andata a finire come dicevo io: questione di assemblaggio degli stessi indipendentemente dalle formule scientifiche o dai bisogni dei valori finali.
Sarò ignorante ma so distinguere una sezione meccanica da una elettronica.
Per il caso attuale si tratta di una via a metà: se la posso fare la faccio, altrimenti ciccia, e senza polemiche.
Ritornando ai nuclei dicevo che mi ci applicavo perché m'ero costruito una bobinatrice, un accrocco per vedre le cose come andavano, e sicomme vanno l'ho assemblata a dovere e fra un paio di giorni ti mando pure le foto, e funziona una meraviglia, controllata dal PC con un softwarino fatto da me... tié!!!
Dai che scherzo, mi dispiace si fraintendano certe cose... un saluto, e non me la prendo dai... i DATI non li ho
0
voti
Cerco dati ma non li trovo, però qualcosa che gli somiglia l'ho pescata
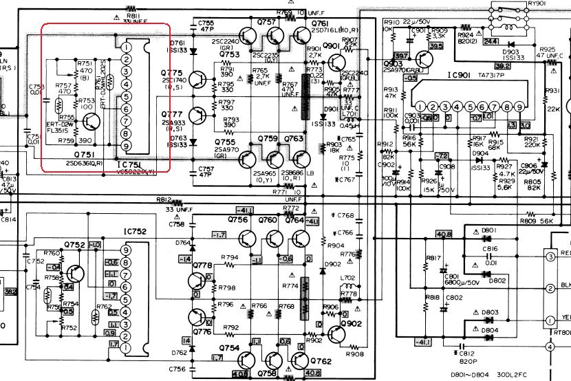
Su un forum ho trovato questa su un JVC, foto e diagramma, purtroppo non è specificato il modello (e te pareva)
http://www.maritv.net/forumtv/topic.asp?TOPIC_ID=63467
comunque a occhio sembrano quasi identici, giusto per i diodi d'alimentazione, il resto mi pare uguale o quasi, presumo quindi che abbiano medesime carattaristiche, so che all'epoca le due case producevano similari apparecchi, parliamo dell'80...
La prima foto che allego è quella de JVC, la seconda il mio TOSHIBA, la terza il diagramma del JVC.
Il service non l'ho trovato, ma si può capire dal diagramma come viaggiano questi due?
Su un forum ho trovato questa su un JVC, foto e diagramma, purtroppo non è specificato il modello (e te pareva)
http://www.maritv.net/forumtv/topic.asp?TOPIC_ID=63467
comunque a occhio sembrano quasi identici, giusto per i diodi d'alimentazione, il resto mi pare uguale o quasi, presumo quindi che abbiano medesime carattaristiche, so che all'epoca le due case producevano similari apparecchi, parliamo dell'80...
La prima foto che allego è quella de JVC, la seconda il mio TOSHIBA, la terza il diagramma del JVC.
Il service non l'ho trovato, ma si può capire dal diagramma come viaggiano questi due?
- Allegati
-
- TOSHIBA SB-M2
- TOSHIBA.jpg (282.9 KiB) Osservato 4480 volte
-
- Diagramma JVC
- diagramma JVC.jpg (128.92 KiB) Osservato 4480 volte
19 messaggi
• Pagina 2 di 2 • 1, 2
Torna a Elettronica e spettacolo
Chi c’è in linea
Visitano il forum: Nessuno e 9 ospiti

Elettrotecnica e non solo (admin)
Un gatto tra gli elettroni (IsidoroKZ)
Esperienza e simulazioni (g.schgor)
Moleskine di un idraulico (RenzoDF)
Il Blog di ElectroYou (webmaster)
Idee microcontrollate (TardoFreak)
PICcoli grandi PICMicro (Paolino)
Il blog elettrico di carloc (carloc)
DirtEYblooog (dirtydeeds)
Di tutto... un po' (jordan20)
AK47 (lillo)
Esperienze elettroniche (marco438)
Telecomunicazioni musicali (clavicordo)
Automazione ed Elettronica (gustavo)
Direttive per la sicurezza (ErnestoCappelletti)
EYnfo dall'Alaska (mir)
Apriamo il quadro! (attilio)
H7-25 (asdf)
Passione Elettrica (massimob)
Elettroni a spasso (guidob)
Bloguerra (guerra)




