La i1 dei circuiti su dovrebbe essere
.In questo cicuito come impostereste la LKT e perché?
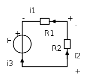
Io ho fatto così (riferito al circuito in basso con maglia presa in senso orario) ma non mi trovo perché mi esce i1 negativa:




Ovviamente so che

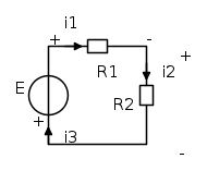
Il circuito con una nuova configurazione è il seguente
E' il generatore di tensione, che dovrebbe non arrecare problemi, a darmene. Mi confonde la sua tensione la corrente che vi passa e la maglia. E' una stupidaggine per chiunque ma a me sta avvilendo

Elettrotecnica e non solo (admin)
Un gatto tra gli elettroni (IsidoroKZ)
Esperienza e simulazioni (g.schgor)
Moleskine di un idraulico (RenzoDF)
Il Blog di ElectroYou (webmaster)
Idee microcontrollate (TardoFreak)
PICcoli grandi PICMicro (Paolino)
Il blog elettrico di carloc (carloc)
DirtEYblooog (dirtydeeds)
Di tutto... un po' (jordan20)
AK47 (lillo)
Esperienze elettroniche (marco438)
Telecomunicazioni musicali (clavicordo)
Automazione ed Elettronica (gustavo)
Direttive per la sicurezza (ErnestoCappelletti)
EYnfo dall'Alaska (mir)
Apriamo il quadro! (attilio)
H7-25 (asdf)
Passione Elettrica (massimob)
Elettroni a spasso (guidob)
Bloguerra (guerra)







?


