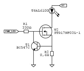
Quando il segnale PWM_LED sta alto (3V) abbiamo il MOS che lavora in regione attiva, la tensione sul gate sarebbe sufficiente a far passare una corrente superiore ad 1A ma quando questo accade la caduta su
è abbastanza elevata da far passare una corrente nella base del BJT, portarlo in saturazione e scaricare a massa quindi la tensione di gate. In realtà la cosa non avviene così ciclicamente ma si raggiunge un punto di equilibrio in cui la corrente nel LED sta nell'intorno dell'ampere.Quanto il segnale sta basso abbiamo invece che entrambi i diodi sono interdetti e nel LED la corrente è nulla.
Innanzitutto correggetemi se questa mia interpretazione è sbagliata. Andiamo avanti.
Lo scopo è pilotare il LED con un'onda quadra a 40kHz tra 0V e 3V. Quali parametri dovrei tenere in considerazione per capire se l'onda di corrente si riesca ad avvicinare abbastanza a un'onda quadra piuttosto che a una triangolare? Basta tener conto della capacità di ingresso del MOS(oltre che della resistenza
ovviamente)?Ho montato il circuito ed effettivamente funziona, nel senso che il ricevitore che accetta solo frequenze nell'intorno dei 40kHz riceve correttamente, però avendo spedito l'oscilloscopio a tarare non posso verificare la forma dell'onda. Inoltre questo circuito è un pezzo di uno più ampio che consiste nella mia tesi, dovrei quindi riuscire a motivare abbastanza bene il funzionamento del circuito (non serve entrare troppo nel dettaglio in quanto si parla di laurea triennale mentre il corso di elettronica alle altre frequenze lo farò alla specialistica).
Grazie in anticipo per le eventuali risposte

Elettrotecnica e non solo (admin)
Un gatto tra gli elettroni (IsidoroKZ)
Esperienza e simulazioni (g.schgor)
Moleskine di un idraulico (RenzoDF)
Il Blog di ElectroYou (webmaster)
Idee microcontrollate (TardoFreak)
PICcoli grandi PICMicro (Paolino)
Il blog elettrico di carloc (carloc)
DirtEYblooog (dirtydeeds)
Di tutto... un po' (jordan20)
AK47 (lillo)
Esperienze elettroniche (marco438)
Telecomunicazioni musicali (clavicordo)
Automazione ed Elettronica (gustavo)
Direttive per la sicurezza (ErnestoCappelletti)
EYnfo dall'Alaska (mir)
Apriamo il quadro! (attilio)
H7-25 (asdf)
Passione Elettrica (massimob)
Elettroni a spasso (guidob)
Bloguerra (guerra)





(anche se come da titolo dovrebbe essere specificato)?
, poi invece la caduta è 3V e ottengo solo 830mA.