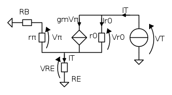
L'impedenza che si vede guardando nel collettore di un transistore vale circa
dove

e` la transconduttanza del transistore,

la resistenza di emettitore e

la resistenza dell'effetto Early. In totale viene qualcosa dalle parti di

cioe` resistenza di uscita moltiplicata per il rapporto fra la tensione di Early (decine di volt) diviso per la tensione termica (25mV circa).
Una relazione un po' piu` precisa, che considera la base collegata a ground e considera la resistensa

molto grande, in pratica un MOS o un jfet, da` questo risultato

Se si considera anche la

del transistor, sempre con base a ground viene qualcosa del tipo

L'ipotesi di base a ground e` abbastanza vera perche' i due diodi sono polarizzati con una corrente molto maggiore di quella di base e quindi la loro resistenza differenziale e` abbastanza piu` bassa di

Consideriamo un transistore bipolare con

, polarizzato con

,

e che abbia

e

, da cui risulta

,

e

.
Con la prima formula, per calcoli "a occhio" si ha una resistenza di collettore pari a

Se vogliamo fare i conti meno a spanne, usiamo la seconda formula:

Se infine vogliamo anche considerare la

usiamo la terza formula e abbiamo

La versione semplificata della terza formula invece da`

Vale la pena fare tutti questi conti?
NO!Basta la prima approssimazione fornita per dire che l'impedenza e` dalle parti di uno o due megaohm. Non ha nessun senso andare nel dettaglio perche'

e

sono abbastanza incerti, hanno forti tolleranze. Addirittura la tensione di Early non la si trova piu` sui datasheet.