
resistenza equivalente di rumore
Moderatori:
carloc,
g.schgor,
BrunoValente,
IsidoroKZ
32 messaggi
• Pagina 1 di 4 • 1, 2, 3, 4
0
voti
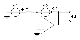
Salve vorrei sapere il motivo per cui nell'amplificatore invertente riportato in figura la resistenza equivalente di rumore dovuta ai soli resistori R1 ed R2 è il parallelo di R1 ed R2,potete darmi una spiegazione?Grazie


-

elettronica2013
-13 5 - Messaggi: 25
- Iscritto il: 17 giu 2013, 8:53
12
voti
Non puoi fare una domanda alle 10 e alle 16 chiedere di nuovo. Le persone rispondono quando hanno tempo, soprattutto, e voglia. E la voglia passa un po' quando non vengono rispettate le regole del forum: i disegni dei circuiti vanno fatti in FidocadJ. Se tu l'avessi fatto, io adesso avrei potuto modificarlo per darti la spiegazione. Aspetterò che tu faccia il disegno in FidocadJ.
It's a sin to write
instead of
(Anonimo).
...'cos you know that
ain't
, right?
You won't get a sexy tan if you write
in lieu of
.
Take a log for a fireplace, but don't take
for
arithm.
instead of
(Anonimo)....'cos you know that
ain't
, right?You won't get a sexy tan if you write
in lieu of
.Take a log for a fireplace, but don't take
for
arithm.-

DirtyDeeds
55,9k 7 11 13 - G.Master EY

- Messaggi: 7012
- Iscritto il: 13 apr 2010, 16:13
- Località: Somewhere in nowhere
13
voti
Ci provo, ti dico come farei io a dimostrarlo, magari c'è qualche altro modo più "canonico" per farlo.
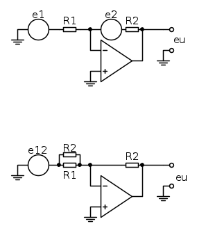
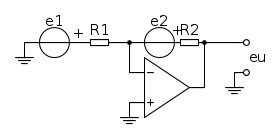
Credo si debba dimostrare che i due circuiti che seguono abbiano in uscita la stessa tensione di rumore.
Quello in alto è il tuo circuito con evidenziati i due generatori di rumore associati ai due resistori.
Quello in basso, che per quanto riguarda il rumore in uscita dovrebbe essere equivalente a quello in alto, ha R2 non rumorosa e in ingresso, al posto di R1, una resistenza rumorosa di valore pari a quello del parallelo di R1 e R2.
Siamo in regime lineare, quindi vale la sovrapposizione degli effetti che possiamo sfruttare per calcolare la tensione di rumore in uscita come somma (rms) dei contributi dei due generatori considerandoli uno alla volta.
Nel circuito in alto la quota di tensione di rumore in uscita dovuta al contributo di
è pari a
![\[e_{u1}=-e_{1}\frac{R_{2}}{R_{1}}\] \[e_{u1}=-e_{1}\frac{R_{2}}{R_{1}}\]](/forum/latexrender/pictures/3fd63a8147924b603fc689889022d98c.png)
e quella dovuta al contributo di
è pari a
![\[e_{u2}=-e_{2}\] \[e_{u2}=-e_{2}\]](/forum/latexrender/pictures/f4045fe48c112cbd9830e0a84416abeb.png)
ed essendo
![\[e_{1}=2\sqrt{kTR_{1}}\] \[e_{1}=2\sqrt{kTR_{1}}\]](/forum/latexrender/pictures/189ec838c660ceab0cc5565e679abb7c.png)
![\[e_{2}=2\sqrt{kTR_{2}}\] \[e_{2}=2\sqrt{kTR_{2}}\]](/forum/latexrender/pictures/21e17441078f5efe805e484e0ab073ca.png)
la tensione di rumore in uscita è pari a
![\[e_{u}= \sqrt{e_{u1}^{2} +e_{u2}^{2}}=\sqrt{\left (e_{1}\frac{R_{2}}{R_{1}} \right )^{2}+e_{2}^{2}}\] \[e_{u}= \sqrt{e_{u1}^{2} +e_{u2}^{2}}=\sqrt{\left (e_{1}\frac{R_{2}}{R_{1}} \right )^{2}+e_{2}^{2}}\]](/forum/latexrender/pictures/57f73fada7b56d8dbfee29aa95820fbb.png)
![\[e_{u}=2\sqrt{kT}\sqrt{\frac{R_{2}^{2}}{R_{1}}+R_{2}}= 2\sqrt{kT}\sqrt{R_{2}^{2}\left (\frac{1}{R_{1}}+\frac{1}{R_{2}} } \right )\] \[e_{u}=2\sqrt{kT}\sqrt{\frac{R_{2}^{2}}{R_{1}}+R_{2}}= 2\sqrt{kT}\sqrt{R_{2}^{2}\left (\frac{1}{R_{1}}+\frac{1}{R_{2}} } \right )\]](/forum/latexrender/pictures/1524542f7cf7f9033142490347a1cec1.png)

Nel circuito in basso la tensione di rumore in uscita vale
![\[e_{u}=-e_{12}\frac{R_{2}}{R_{1}\parallel R_{2}}\] \[e_{u}=-e_{12}\frac{R_{2}}{R_{1}\parallel R_{2}}\]](/forum/latexrender/pictures/d76df04009025456c1cca104ac60c778.png)
![\[e_{u}=2\sqrt{kT} \sqrt{R_{1}\parallel R_{2}}\frac{R_{2}}{R_{1}\parallel R_{2}}\] \[e_{u}=2\sqrt{kT} \sqrt{R_{1}\parallel R_{2}}\frac{R_{2}}{R_{1}\parallel R_{2}}\]](/forum/latexrender/pictures/f9872dc1d059b3de8bdfc1ca1bb29fd8.png)

Che è uguale all'altra
Credo si debba dimostrare che i due circuiti che seguono abbiano in uscita la stessa tensione di rumore.
Quello in alto è il tuo circuito con evidenziati i due generatori di rumore associati ai due resistori.
Quello in basso, che per quanto riguarda il rumore in uscita dovrebbe essere equivalente a quello in alto, ha R2 non rumorosa e in ingresso, al posto di R1, una resistenza rumorosa di valore pari a quello del parallelo di R1 e R2.
Siamo in regime lineare, quindi vale la sovrapposizione degli effetti che possiamo sfruttare per calcolare la tensione di rumore in uscita come somma (rms) dei contributi dei due generatori considerandoli uno alla volta.
Nel circuito in alto la quota di tensione di rumore in uscita dovuta al contributo di
è pari a![\[e_{u1}=-e_{1}\frac{R_{2}}{R_{1}}\] \[e_{u1}=-e_{1}\frac{R_{2}}{R_{1}}\]](/forum/latexrender/pictures/3fd63a8147924b603fc689889022d98c.png)
e quella dovuta al contributo di
è pari a![\[e_{u2}=-e_{2}\] \[e_{u2}=-e_{2}\]](/forum/latexrender/pictures/f4045fe48c112cbd9830e0a84416abeb.png)
ed essendo
![\[e_{1}=2\sqrt{kTR_{1}}\] \[e_{1}=2\sqrt{kTR_{1}}\]](/forum/latexrender/pictures/189ec838c660ceab0cc5565e679abb7c.png)
![\[e_{2}=2\sqrt{kTR_{2}}\] \[e_{2}=2\sqrt{kTR_{2}}\]](/forum/latexrender/pictures/21e17441078f5efe805e484e0ab073ca.png)
la tensione di rumore in uscita è pari a
![\[e_{u}= \sqrt{e_{u1}^{2} +e_{u2}^{2}}=\sqrt{\left (e_{1}\frac{R_{2}}{R_{1}} \right )^{2}+e_{2}^{2}}\] \[e_{u}= \sqrt{e_{u1}^{2} +e_{u2}^{2}}=\sqrt{\left (e_{1}\frac{R_{2}}{R_{1}} \right )^{2}+e_{2}^{2}}\]](/forum/latexrender/pictures/57f73fada7b56d8dbfee29aa95820fbb.png)
![\[e_{u}=2\sqrt{kT}\sqrt{\frac{R_{2}^{2}}{R_{1}}+R_{2}}= 2\sqrt{kT}\sqrt{R_{2}^{2}\left (\frac{1}{R_{1}}+\frac{1}{R_{2}} } \right )\] \[e_{u}=2\sqrt{kT}\sqrt{\frac{R_{2}^{2}}{R_{1}}+R_{2}}= 2\sqrt{kT}\sqrt{R_{2}^{2}\left (\frac{1}{R_{1}}+\frac{1}{R_{2}} } \right )\]](/forum/latexrender/pictures/1524542f7cf7f9033142490347a1cec1.png)

Nel circuito in basso la tensione di rumore in uscita vale
![\[e_{u}=-e_{12}\frac{R_{2}}{R_{1}\parallel R_{2}}\] \[e_{u}=-e_{12}\frac{R_{2}}{R_{1}\parallel R_{2}}\]](/forum/latexrender/pictures/d76df04009025456c1cca104ac60c778.png)
![\[e_{u}=2\sqrt{kT} \sqrt{R_{1}\parallel R_{2}}\frac{R_{2}}{R_{1}\parallel R_{2}}\] \[e_{u}=2\sqrt{kT} \sqrt{R_{1}\parallel R_{2}}\frac{R_{2}}{R_{1}\parallel R_{2}}\]](/forum/latexrender/pictures/f9872dc1d059b3de8bdfc1ca1bb29fd8.png)

Che è uguale all'altra
-

BrunoValente
39,6k 7 11 13 - G.Master EY

- Messaggi: 7796
- Iscritto il: 8 mag 2007, 14:48
-4
voti
DirtyDeeds ha scritto:Non puoi fare una domanda alle 10 e alle 16 chiedere di nuovo. Le persone rispondono quando hanno tempo, soprattutto, e voglia. E la voglia passa un po' quando non vengono rispettate le regole del forum: i disegni dei circuiti vanno fatti in FidocadJ. Se tu l'avessi fatto, io adesso avrei potuto modificarlo per darti la spiegazione. Aspetterò che tu faccia il disegno in FidocadJ.
Vediamo che spiegazione riesci a fornirmi
Grazie ciao
-

elettronica2013
-13 5 - Messaggi: 25
- Iscritto il: 17 giu 2013, 8:53
17
voti
La spiegazione di
BrunoValente è sulla strada giusta, ma contiene un problema: il secondo amplificatore ha guadagno diverso dal primo. L'equivalente va fatto con lo stesso guadagno: nel circuito equivalente, si sostituiscono tutti i generatori di rumore dell'amplificatore originale con un unico generatore di rumore tale che il valor medio quadratico della tensione di rumore all'uscita dell'amplificatore equivalente abbia lo stesso valore dell'amplificatore originale.
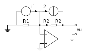
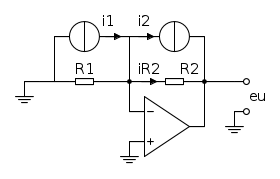
Lo schema di riferimento è il primo disegnato da Bruno, che qui riporto:
Rispetto all'originale ho fatto una modifica: ai generatori ho assegnato un verso convenzionale. Potrebbe sembrare una cosa inutile, perché con i rumori si sommano i valori quadratici medi, e quindi i segni non contano, ma nel caso in cui ci fossero delle correlazioni il segno diventerebbe significativo. Non è questo il caso, ma meglio abituarsi a metterlo sempre. Per quanto ricavato in [4] a partire dal circuito equivalente sopra, la densità spettrale del valor medio quadratico della tensione di rumore all'uscita vale

La stessa espressione la si potrebbe potuta ricavare considerendo un equivalente Norton per i resistori rumorosi:
Dove
e
hanno densità spettrali (sempre per la relazione di Johnson-Nyquist)


Infatti, dalla figura sopra, poiché il terminale invertente è mantenuto a potenziale zero dall'opamp, che supponiamo ideale, in
non scorre corrente e tutta la corrente di rumore scorre in
:

con densità spettrale

e poiché
si ha

(to be continued...)
Lo schema di riferimento è il primo disegnato da Bruno, che qui riporto:
Rispetto all'originale ho fatto una modifica: ai generatori ho assegnato un verso convenzionale. Potrebbe sembrare una cosa inutile, perché con i rumori si sommano i valori quadratici medi, e quindi i segni non contano, ma nel caso in cui ci fossero delle correlazioni il segno diventerebbe significativo. Non è questo il caso, ma meglio abituarsi a metterlo sempre. Per quanto ricavato in [4] a partire dal circuito equivalente sopra, la densità spettrale del valor medio quadratico della tensione di rumore all'uscita vale

La stessa espressione la si potrebbe potuta ricavare considerendo un equivalente Norton per i resistori rumorosi:
Dove
e
hanno densità spettrali (sempre per la relazione di Johnson-Nyquist)

Infatti, dalla figura sopra, poiché il terminale invertente è mantenuto a potenziale zero dall'opamp, che supponiamo ideale, in
non scorre corrente e tutta la corrente di rumore scorre in
:
con densità spettrale

e poiché
si ha
(to be continued...)
It's a sin to write
instead of
(Anonimo).
...'cos you know that
ain't
, right?
You won't get a sexy tan if you write
in lieu of
.
Take a log for a fireplace, but don't take
for
arithm.
instead of
(Anonimo)....'cos you know that
ain't
, right?You won't get a sexy tan if you write
in lieu of
.Take a log for a fireplace, but don't take
for
arithm.-

DirtyDeeds
55,9k 7 11 13 - G.Master EY

- Messaggi: 7012
- Iscritto il: 13 apr 2010, 16:13
- Località: Somewhere in nowhere
16
voti
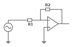
Riprendiamo l'espressione della densità spettrale della corrente di rumore che scorre in
:

Questa densità è uguale a quella generata da una resistenza
tale che

ovvero tale che
. Il rumore generato dalla rete di retroazione è quindi uguale a quello generato da una resistenza uguale al parallelo delle resistenze della rete e i due generatori di rumore possono allora essere sostituiti da un unico generatore
con densità spettrale

come nello schema qui sotto:
Questo non è l'unico equivalente possibile, ma il discorso non cambia. Per esempio, avremmo potuto fare un equivalente con un generatore di tensione di rumore, così:
Quanto dovrebbe valere la densità spettrale di
? Poiché, in questo circuito,
, si ha

da cui

ma questa espressione deve essere uguale al risultato già trovato

da cui

Anche il rumore di tensione generato dalla rete è equivalente a quello delle due resistenze in parallelo.
Commenti:
1) Il generatore di tensione di rumore si può anche mettere in serie all'ingresso non invertente. Il guadagno per cui viene moltiplicata la tensione
non è nient'altro che il guadagno dell'amplificatore non invertente: per tale motivo, tale guadagno, quando si parla di rumore, è anche chiamato noise gain.
2) Il fatto che il rumore generato dalla rete di retroazione sia equivalente a quello delle due resistenze in parallelo ha anche una risposta più, diciamo così, fondamentale, ovvero l'avremmo potuto affermare anche senza fare tutti i conti riportati sopra: qualcuno vuole provare a spiegare il perché?
:
Questa densità è uguale a quella generata da una resistenza
tale che
ovvero tale che
. Il rumore generato dalla rete di retroazione è quindi uguale a quello generato da una resistenza uguale al parallelo delle resistenze della rete e i due generatori di rumore possono allora essere sostituiti da un unico generatore
con densità spettrale
come nello schema qui sotto:
Questo non è l'unico equivalente possibile, ma il discorso non cambia. Per esempio, avremmo potuto fare un equivalente con un generatore di tensione di rumore, così:
Quanto dovrebbe valere la densità spettrale di
? Poiché, in questo circuito,
, si ha
da cui

ma questa espressione deve essere uguale al risultato già trovato

da cui

Anche il rumore di tensione generato dalla rete è equivalente a quello delle due resistenze in parallelo.
Commenti:
1) Il generatore di tensione di rumore si può anche mettere in serie all'ingresso non invertente. Il guadagno per cui viene moltiplicata la tensione
non è nient'altro che il guadagno dell'amplificatore non invertente: per tale motivo, tale guadagno, quando si parla di rumore, è anche chiamato noise gain.2) Il fatto che il rumore generato dalla rete di retroazione sia equivalente a quello delle due resistenze in parallelo ha anche una risposta più, diciamo così, fondamentale, ovvero l'avremmo potuto affermare anche senza fare tutti i conti riportati sopra: qualcuno vuole provare a spiegare il perché?
It's a sin to write
instead of
(Anonimo).
...'cos you know that
ain't
, right?
You won't get a sexy tan if you write
in lieu of
.
Take a log for a fireplace, but don't take
for
arithm.
instead of
(Anonimo)....'cos you know that
ain't
, right?You won't get a sexy tan if you write
in lieu of
.Take a log for a fireplace, but don't take
for
arithm.-

DirtyDeeds
55,9k 7 11 13 - G.Master EY

- Messaggi: 7012
- Iscritto il: 13 apr 2010, 16:13
- Località: Somewhere in nowhere
32 messaggi
• Pagina 1 di 4 • 1, 2, 3, 4
Chi c’è in linea
Visitano il forum: Nessuno e 252 ospiti

Elettrotecnica e non solo (admin)
Un gatto tra gli elettroni (IsidoroKZ)
Esperienza e simulazioni (g.schgor)
Moleskine di un idraulico (RenzoDF)
Il Blog di ElectroYou (webmaster)
Idee microcontrollate (TardoFreak)
PICcoli grandi PICMicro (Paolino)
Il blog elettrico di carloc (carloc)
DirtEYblooog (dirtydeeds)
Di tutto... un po' (jordan20)
AK47 (lillo)
Esperienze elettroniche (marco438)
Telecomunicazioni musicali (clavicordo)
Automazione ed Elettronica (gustavo)
Direttive per la sicurezza (ErnestoCappelletti)
EYnfo dall'Alaska (mir)
Apriamo il quadro! (attilio)
H7-25 (asdf)
Passione Elettrica (massimob)
Elettroni a spasso (guidob)
Bloguerra (guerra)






