mi trovo davanti ad un esercizio con un trasformatore e volevo un vostro suggerimento se è possibile.
Allora premetto che sul mio libro ci sono due sputi di parole sul trasformatore e un esercizietto buttato li così.
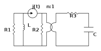
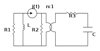
Vi posto il circuito uscito in una prova di esame, tra l'altro l'unica volta che è uscito ma che ha attirato la mia attenzione e curiosità.
Devo calcolare la potenza complessa erogata dal generatore di corrente.
i valori:






Mi pare di aver capito che posso applicare una proprietà del trasformatore e cioè quella del trasporto al primario ed arrivo a studiare il seguente circuito di impedenze :
con i valori seguenti:



fatto questo,come devo intendere il circuito? Cioè lo svolgo come farei normalmente? E poi come entra in gioco la n nella risoluzione del circuito?
Cosa devo tenere a mente del trasformatore? Ho applicato la proprietà meccanicamente
grazie a tutti!


Elettrotecnica e non solo (admin)
Un gatto tra gli elettroni (IsidoroKZ)
Esperienza e simulazioni (g.schgor)
Moleskine di un idraulico (RenzoDF)
Il Blog di ElectroYou (webmaster)
Idee microcontrollate (TardoFreak)
PICcoli grandi PICMicro (Paolino)
Il blog elettrico di carloc (carloc)
DirtEYblooog (dirtydeeds)
Di tutto... un po' (jordan20)
AK47 (lillo)
Esperienze elettroniche (marco438)
Telecomunicazioni musicali (clavicordo)
Automazione ed Elettronica (gustavo)
Direttive per la sicurezza (ErnestoCappelletti)
EYnfo dall'Alaska (mir)
Apriamo il quadro! (attilio)
H7-25 (asdf)
Passione Elettrica (massimob)
Elettroni a spasso (guidob)
Bloguerra (guerra)




