Cos'è ElectroYou | Login Iscriviti

ElectroYou - la comunità dei professionisti del mondo elettrico

Pilotare un relè tramite un fototransistor ed un led rosso

Elettronica lineare e digitale: didattica ed applicazioni

Moderatori: Foto Utentecarloc, Foto Utenteg.schgor, Foto UtenteBrunoValente, Foto UtenteIsidoroKZ

1
voti

[1] Pilotare un relè tramite un fototransistor ed un led rosso

Messaggioda Foto Utentepaspar » 4 set 2013, 15:44

Salve,

come sempre ho bisogno del Vostro aiuto… :-)

Ho l’esigenza di controllare un relè ( bobina 12V.) prendendo il segnale da un led “Rosso“ posto su un’altra apparecchiatura.
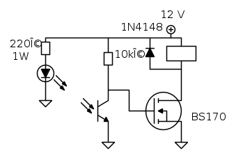
Guardando un po’ sul sito ho visto questo schema che mi sembra molto semplice


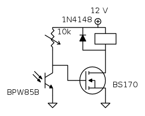
e desideravo modificarlo inserendo al posto del fototransistor a forcella, un BPW85B ( 830 nm) ; visto che se non sbaglio i led rossi dovrebbero avere una lunghezza d’onda di 700 nm.



Leggendo le caratteristiche del fototransistor mi sembra di aver capito che non dovrebbe essere inoltre sensibile alla luce ambiente, è giusto ?!
Una cosa che non ho capito è la tensione del Fototransistor ( per il BPW85B si parla di 70 V. ma non ho capito se questa è quella massima supportata dallo stesso in qualità di “interruttore” e quindi quali calcoli fare per farlo lavorare nel modo giusto all’interno del circuito.
(…una conferma: quando il FT è illuminato è in conduzione vero ?!!...)
Un grazie in anticipo per ciò che potrete suggerirmi.
Avatar utente
Foto Utentepaspar
45 2
New entry
New entry
 
Messaggi: 52
Iscritto il: 13 feb 2013, 12:04

2
voti

[2] Re: Pilotare un relè tramite un fototransistor ed un led ro

Messaggioda Foto UtenteCandy » 4 set 2013, 21:44

Dove hai letto che il fototransistor non è sensibile alla luce ambiente? 830 nm sei veramente al limite dello spettro del visibile, 780 nm. Lo spettro solare dell'infrarosso va fino oltre a 1500 nm e nell'ambiente è ben presente. Alla luce diurna è semplicissimo saturare il fototransistor.

spettroambiente.png
spettroambiente.png (143.25 KiB) Osservato 9579 volte


Come minimo devi costruire degli schemi con filtri che limitino la luce ambiente ed una modulazione di frequenza del segnale che permetta di evitare la commutazione per via del sottfondo di luce ambiente.
Avatar utente
Foto UtenteCandy
32,5k 7 10 13
CRU - Account cancellato su Richiesta utente
 
Messaggi: 10123
Iscritto il: 14 giu 2010, 22:54

0
voti

[3] Re: Pilotare un relè tramite un fototransistor ed un led ro

Messaggioda Foto Utentestefanob70 » 5 set 2013, 0:19

Fototransistor BPW85B:
La massima corrente che puoi far scorrere tra Ic e' 50mA
La massima tensione applicabile Tra VCE e' di 70V
il consiglio e' quello di non far lavorare il fototransistor al limite dei valori massimi.
e soprattutto pilotarlo sempre con un secondo stadio...
ƎlectroYou
Avatar utente
Foto Utentestefanob70
14,1k 5 11 13
Master EY
Master EY
 
Messaggi: 3190
Iscritto il: 14 lug 2012, 13:14
Località: Roma

0
voti

[4] Re: Pilotare un relè tramite un fototransistor ed un led ro

Messaggioda Foto Utentepaspar » 5 set 2013, 12:46

Grazie per le Vs. risposte…

…insensibilità…
avevo letto questo sul datasheet , probabilmente ho frainteso…
“…L'angolo di visualizzazione di ± 25° Lo rende insensibile alla luce esterna ambiente….”

Comunque posso risolvere questo posizionando il FT a diretto contatto con il Led da “controllare”
e fissarlo in posizione con colla calda o silicone –nero- così che non sia influenzato da fonti esterne di luce (?!).

(Vi chiedo scusa per le domande da profano…)

- VCE 70V. questa è la tensione limite nel collegamento - come da schema - giusto ?!
-Nel datasheet è indicata anche la Veco = 5 V. - A cosa si riferisce ?

- Vista la mia inesperienza in materia, potreste gentilmente confermarmi se lo schema riportato ( ed i relativi valori) possono essere utilizzati così come sono ; ho provato a leggere diverse cose in rete ma ho molta confusione.

- Pensavo eventualmente di inserire al posto della resistenza fissa da 10K un trimmer dello stesso valore così da provare in via sperimentale come si comporta “nella pratica” e come e se cambiano i punti di intervento.

- Ultima cosa: ho valutato questo tipo di fototransistor in quanto il più vicino all’emissione del led rosso che devo controllare, se però pensate che per l’uso che devo farne sia meglio utilizzarne un altro, accetterei il Vostro consiglio con piacere.

Ancora Grazie a tutti Voi.
Avatar utente
Foto Utentepaspar
45 2
New entry
New entry
 
Messaggi: 52
Iscritto il: 13 feb 2013, 12:04

0
voti

[5] Re: Pilotare un relè tramite un fototransistor ed un led ro

Messaggioda Foto Utentestefanob70 » 5 set 2013, 13:14

La VECO si tratta della tensione inversa che puo' sopportare il dispositivo in questo caso MAX 5V
ƎlectroYou
Avatar utente
Foto Utentestefanob70
14,1k 5 11 13
Master EY
Master EY
 
Messaggi: 3190
Iscritto il: 14 lug 2012, 13:14
Località: Roma

1
voti

[6] Re: Pilotare un relè tramite un fototransistor ed un led ro

Messaggioda Foto UtenteCandy » 5 set 2013, 15:46

Per mettere il fototransistor a diretto contatto col LED, tanto vale utilizzare un 4N35 e fine del trambusto.
Avatar utente
Foto UtenteCandy
32,5k 7 10 13
CRU - Account cancellato su Richiesta utente
 
Messaggi: 10123
Iscritto il: 14 giu 2010, 22:54

0
voti

[7] Re: Pilotare un relè tramite un fototransistor ed un led ro

Messaggioda Foto Utentepaspar » 5 set 2013, 19:07

...grazie per i consigli...

la mia esigenza però è questa:

Ho un'apparecchiatura già esistente che voglio controllare e, il modo a cui ho pensato,
è quello di "catturarne" la luce del Led rosso, già presente su quest'ultima ed inviarla, tramite il circuito
che avevo indicato, al relè .

La mia domanda quindi, al di la di capirne il funzionamento... è se, secondo Voi, il circuito con i componenti indicati funzionerebbe o se devo invece considerare altri aspetti a me sconosciuti...( al momento non ho in casa i componenti e non avendo un negozio di elettronnica vicino, devo ordinarli via Web...)

Grazie ancora e ...scusatemi per la perdita di tempo...
Avatar utente
Foto Utentepaspar
45 2
New entry
New entry
 
Messaggi: 52
Iscritto il: 13 feb 2013, 12:04

1
voti

[8] Re: Pilotare un relè tramite un fototransistor ed un led ro

Messaggioda Foto Utentepaspar » 6 set 2013, 15:41

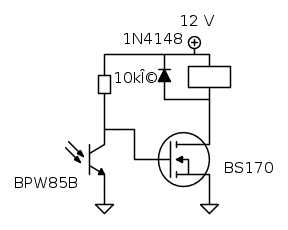
...grazie ai Vostri consigli, input e ricerche , ho trovato questa soluzione ( anche se dovrò aprire l'apparecchiatura esistente), la segnalo se dovesse servire anche ad altri.
Ancora Grazie a tutti
Allegati
Eccitare relè con ingresso led.png
Eccitare relè con ingresso led.png (31.04 KiB) Osservato 9483 volte
Avatar utente
Foto Utentepaspar
45 2
New entry
New entry
 
Messaggi: 52
Iscritto il: 13 feb 2013, 12:04

0
voti

[9] Re: Pilotare un relè tramite un fototransistor ed un led ro

Messaggioda Foto Utentepaspar » 23 set 2013, 13:22

Ciao,
ho ancora bisogno del Vostro aiuto se potete.

In riferimento al circuito di cui sopra tutto funziona perfettamente se utilizzato un led di riferimento ecc...
se invece lo collego al circuito da cui devo prendere "il segnale" il relè vibra, come se il led del circuito principale vibrasse ad una certa frequenza.
Ho provato ad inserire un condensatore tra la base del transistor e la massa, ma smette si di "vibrare" ma non si eccita più.
( ho anche sostituito il 4N35 con un fototransistor, ma il comportamento è analogo)

Sapreste gentilmente indicarmi una strada di uscita ?!

Grazie ancora
Avatar utente
Foto Utentepaspar
45 2
New entry
New entry
 
Messaggi: 52
Iscritto il: 13 feb 2013, 12:04

0
voti

[10] Re: Pilotare un relè tramite un fototransistor ed un led ro

Messaggioda Foto Utentestefanob70 » 23 set 2013, 13:57

Il circuito cosi montato hai detto che funziona.

-La sorgente di alimentazione dell'optoisolatore che caratteristiche ha?
-perché hai messo il condensatore sulla base? c'e' un motivo ben preciso?
ƎlectroYou
Avatar utente
Foto Utentestefanob70
14,1k 5 11 13
Master EY
Master EY
 
Messaggi: 3190
Iscritto il: 14 lug 2012, 13:14
Località: Roma

Prossimo

Torna a Elettronica generale

Chi c’è in linea

Visitano il forum: Nessuno e 386 ospiti