Cos'è ElectroYou | Login Iscriviti

ElectroYou - la comunità dei professionisti del mondo elettrico

Amplificatore PP6550

hi-fi, luci, suoni, effetti speciali, palcoscenici...

Moderatore: Foto UtenteIsidoroKZ

0
voti

[1] Amplificatore PP6550

Messaggioda Foto UtenteHammondx » 6 set 2013, 11:31

Apro questo topic perché nell'altro andrei troppo OT per continuare.
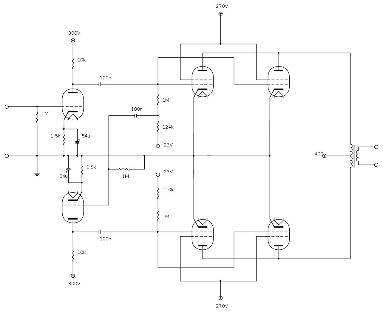
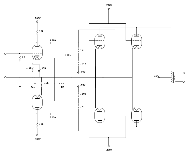
Ho ultimato lo schema dell'amplificatore valvolare che utilizza le 6550 di cui ho parlato in questa discussione (http://www.electroyou.it/forum/viewtopic.php?t=46824) alla fine ho stravolto tutto optando per un Parallel Push-Pull capace di ergoare 120W (per la polarizzazione delle finali, il carico ecc. ho consultato il datasheet della 6550A).

La resistenza di carico delle 12au7 è volutamente bassa perché devo avere un guadagno di tensione piuttosto basso (in questo caso amplifica di 9 volte) dato che l'ingresso arriverà da un pre che ho già costruito tempo fa e che mi da circa 9Vpp massimi in uscita (dovrò in ogni caso limitare il volume della tastiera per non far saturare troppo le finali).
Lo stadio finale è costituito da due push-pull capaci di 60W ognuno (così da ottenere i 120W voluti).
Che ne dite?
A breve posto anche l'alimentatore per il quale ho deciso di utilizzare un filtro a pi-greco con ingresso capacitivo :D
Avatar utente
Foto UtenteHammondx
478 2 11
Frequentatore
Frequentatore
 
Messaggi: 200
Iscritto il: 25 ago 2011, 14:36

0
voti

[2] Re: Amplificatore PP6550

Messaggioda Foto Utenteclaudiocedrone » 6 set 2013, 13:25

:-) Criticone presente ! :mrgreen: ... Noto con piacere che hai accorciato l'anguilla ridimensionando le pretese di potenza da un push-pull singolo e che hai scoperto i datasheet delle valvole :ok: ; ora però (chiaramente , data la mia ignoranza, non sono in grado di fare calcoli riguardo carichi e polarizzazioni e mi baso solo sull'esperienza pratica e quello che ho visto negli ampli "commerciali", sia schematicamente che "dal vivo") due considerazioni: la prima è che con il bias fisso devi necessariamente prevedere una controreazione "globale" dal secondario del TU alla polarizzazione dei piloti, la seconda è più una domanda che volevo farti anche nell'altro thread e cioè, da dove prendi la polarizzazione degli schermi ? Nei tuoi schemi indichi solo una tensione ma non da dove viene... generalmente negli ampli per strumenti viene derivata dalle anodiche tramite resistenze mentre in quelli per HI-FI da prese intermedie del primario del TU (configurazione ultralineare). O_/
P.s. Vedo due piloti ma nessuno sfasatore... :?
"Non farei mai parte di un club che accettasse la mia iscrizione" (G. Marx)
Avatar utente
Foto Utenteclaudiocedrone
21,3k 4 7 9
Master EY
Master EY
 
Messaggi: 15302
Iscritto il: 18 gen 2012, 13:36

0
voti

[3] Re: Amplificatore PP6550

Messaggioda Foto UtenteHammondx » 6 set 2013, 16:09

La tensione per gli schermi viene generata appositamente con l'alimentatore (non devo collegare lo schermo all'anodo altrimenti ottengo la configurazione a triodo).
Lo sfasatore è fatto con idue triodi pilota: l'uscita del primo triodo viene attenuata con un partitore e mandata all'ingresso del secondo, se tutto è stato fatto correttamente mi ritrovo in uscita due segnali sfasati di 180° fra loro, in particolare il segnalein uscita dal secondo triodo è in fase con il segnale di ingresso, ho utilizzato questa configurazione per risparmiare una valvola.
Per la controreazione rimane il problema che io non ho idea di come vada usata, nel senso che non saprei che tasso applicare (e poi è davvero necessaria?).

PS: i datasheet li conoscevo già e li utilizzavo già per scegliere le rette di carico,ecc. solo che scelgo sempre dei carichi troppo alti e quindi ho deciso di usare una configurazione già "pronta" per essere sicuro di non fare danni :D
Avatar utente
Foto UtenteHammondx
478 2 11
Frequentatore
Frequentatore
 
Messaggi: 200
Iscritto il: 25 ago 2011, 14:36

0
voti

[4] Re: Amplificatore PP6550

Messaggioda Foto Utenteclaudiocedrone » 6 set 2013, 16:45

:-) Scusa se insisto e mi ripeto... fatti una scorpacciata di schemi degli ampli commerciali !
Ora si trova tutto in rete, ai miei tempi invece era un "disastro", approfittane !
Chi ha parlato di collegare direttamente gli schermi alle placche ? Ho detto tramite resistenze (a proposito, nei Marshall dai JCM900 in poi, e anche in altri ampli, p. es. Cicognani, c'è appunto un deviatore per bypassarle e ottenere la configurazione a triodo ;-) ), le controreazioni poi (lascia stare cosa dicono certi audiofili :twisted: ) sono indispensabili, altrimenti ottieni delle instabilità che oltre a compromettere il regolare funzionamento possono perfino provocare serissimi danni ! O_/
"Non farei mai parte di un club che accettasse la mia iscrizione" (G. Marx)
Avatar utente
Foto Utenteclaudiocedrone
21,3k 4 7 9
Master EY
Master EY
 
Messaggi: 15302
Iscritto il: 18 gen 2012, 13:36

2
voti

[5] Re: Amplificatore PP6550

Messaggioda Foto UtenteIsidoroKZ » 6 set 2013, 17:32

Le finali proprio cosi` di brutto in parallelo? Nessun sistema per equilbrare il carico? Nessuna precauzione contro le autoscillazioni?
Per usare proficuamente un simulatore, bisogna sapere molta più elettronica di lui
Plug it in - it works better!
Il 555 sta all'elettronica come Arduino all'informatica! (entrambi loro malgrado)
Se volete risposte rispondete a tutte le mie domande
Avatar utente
Foto UtenteIsidoroKZ
121,2k 1 3 8
G.Master EY
G.Master EY
 
Messaggi: 21059
Iscritto il: 17 ott 2009, 0:00

0
voti

[6] Re: Amplificatore PP6550

Messaggioda Foto UtenteHammondx » 6 set 2013, 17:38

Per claudiocedrone:
ecco un esempio di quello che dico io (alimentazione dello schermo):
leslie147.gif
leslie147.gif (79.04 KiB) Osservato 14638 volte


Non posso collegarla alla tensione anodica, neanche con resistori perché ho bisongo di uno schermo a tensione fissa mentre l'anodica varia con il segnale (che poi in realtà varierà lo stesso anche quella dello schermo per via dell'alimentatore non ideale) :-)

Per IsidoroKZ:
questo è il mio primo amplificatore in parallelo non le spaevo nemmeno ste cose :oops: come devo aggiungere al circuito?

PS: non l'ho detto all'inzio ma questo amplificatore non è per hi-fi, devo utilizzarlo per suonarci con l'Hammond quindi non ho bisogno di grandissima qualità.
Avatar utente
Foto UtenteHammondx
478 2 11
Frequentatore
Frequentatore
 
Messaggi: 200
Iscritto il: 25 ago 2011, 14:36

1
voti

[7] Re: Amplificatore PP6550

Messaggioda Foto Utenteclaudiocedrone » 7 set 2013, 1:49

:-) Foto UtenteHammondx, a me pare che comunque la polarizzazione di quelli schermi derivi dall'alimentazione anodica tramite OC3 e il resistore da 470 Ω... Foto UtenteIsidoroKZ, le finali sono "così di brutto in parallelo", almeno apparentemente, in tutti gli schemi Marshall, Vox, Fender, Hiwatt etc. salvo il fatto che questi hanno sempre resistori in serie alle griglie di controllo, gli schermi polarizzati tramite resistori dall'anodica e controreazione dal secondario del TU alle polarizzazioni delle valvole pilota (tranne qualche modello di minore potenza con PP di EL84 in cui le finali hanno la polarizzazione automatica ed è assente la controreazione "globale"); qualcuno di questi potrebbe essere uno degli accorgimenti da te citati ? O_/
"Non farei mai parte di un club che accettasse la mia iscrizione" (G. Marx)
Avatar utente
Foto Utenteclaudiocedrone
21,3k 4 7 9
Master EY
Master EY
 
Messaggi: 15302
Iscritto il: 18 gen 2012, 13:36

0
voti

[8] Re: Amplificatore PP6550

Messaggioda Foto UtenteHammondx » 7 set 2013, 9:02

Ah! Allora ho frainteso io: come anodica io pensavo alle tensione sull'anodo non a quella di alimentazione :D per quello mi pareva strano, in realtà io farei esattamente quello che hai detto tu ovvero ottengo prima la tensione Vcc ("anodica") e poi da quella ottengo con un "partitore" (che in realtà non è proprio un partitore) la tensione per lo schermo e anche quella per gli stadi pilota (appena posto lo schema sarà tutto più chiaro, io non sono molto bravo a spiegarmi). :D
Avatar utente
Foto UtenteHammondx
478 2 11
Frequentatore
Frequentatore
 
Messaggi: 200
Iscritto il: 25 ago 2011, 14:36

0
voti

[9] Re: Amplificatore PP6550

Messaggioda Foto UtenteHammondx » 8 set 2013, 14:59

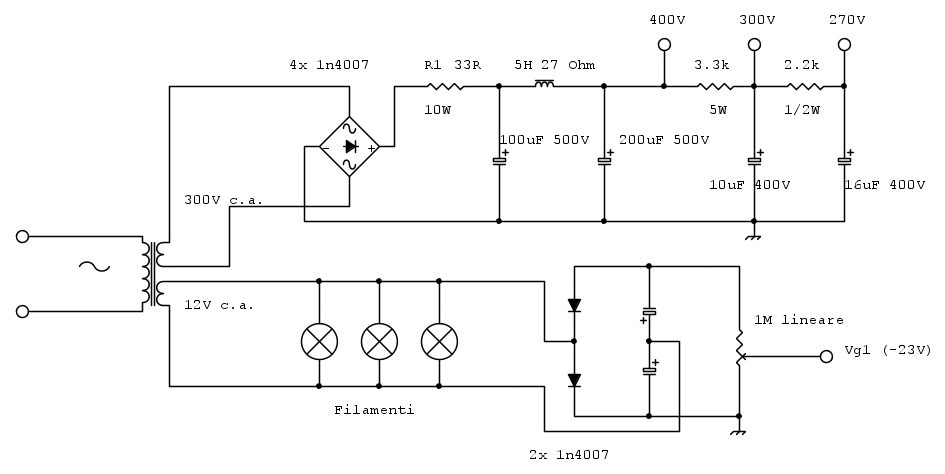
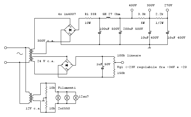
Ecco lo schema dell'alimentatore (utilizzo gli 1n4007 perché a casa ne ho a bizzeffe):


Mi manca ancora di calcolare le capacità per il duplicatore di tensione ma sul mio libro di elettronica non trovo niente... :( li fanno sempre peggio
Avatar utente
Foto UtenteHammondx
478 2 11
Frequentatore
Frequentatore
 
Messaggi: 200
Iscritto il: 25 ago 2011, 14:36

1
voti

[10] Re: Amplificatore PP6550

Messaggioda Foto UtenteHammondx » 3 gen 2014, 12:05

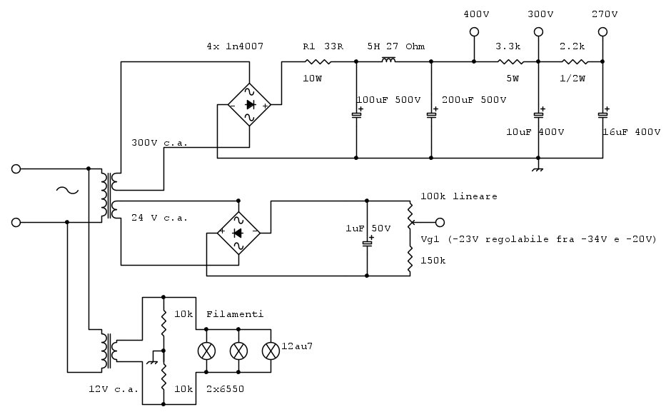
Finalmente posso riprendere questo progetto che ho lasciato in sospeso questi mesi a causa di numerosi impegni.
Ho rivisto il circuito di alimentazione e ho aggiustato le mancanze e gli errori che avevo commesso.
Credo che ormai si possa dire che è in forma definitiva (a meno che non ci siano altri errori che mi sono sfuggiti, dopo 3 mesi non mi ricordo molto di come avevo progettato :mrgreen: ).
Avatar utente
Foto UtenteHammondx
478 2 11
Frequentatore
Frequentatore
 
Messaggi: 200
Iscritto il: 25 ago 2011, 14:36


Torna a Elettronica e spettacolo

Chi c’è in linea

Visitano il forum: Nessuno e 19 ospiti