Salve, vorrei sapere se la risoluzione del mio esercizio è corretta e, eventualmente, in caso di errori, avere dei chiarimenti a riguardo.
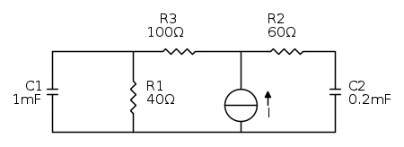
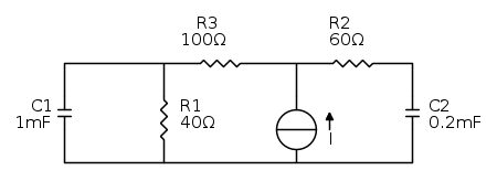
L'esercizio in questione è questo:
I è 0.9A per t<0 e 0A per t>0
Il generatore si spegne all'istante t=0.
Determinare la tensione ai capi del condensatore C2, in ogni istante di tempo.
Risoluzione:
per t<0
Req= R1+R2 =140
V= Req*I=140*0.9=126
Vc1=V*[R1/(R1+R3)]=36
Vc2=Vc1=36
per t>0:
LKT:
V3 + V2 + Vc2 - V1=0;
V1 = Vc1;
LKC:
i3 + i1 + ic1 =0;
i3 = i2 = ic2;
R.C.:
V1= R1 * i1;
V2= R2 * ic2;
V3 = R3 * ic2;
ic1= C1 * dVc1/dt
ic2= C2 * dVc2/dt
Combinando le varie relazioni e sostituendo i valori arrivo alla seguente equazione:
1.28*10^-3 d^2 Vc2/dt + 0.08 d Vc2/dt + Vc2 =0
L'equazione omogenea, allora è:
1.28*10^-3 λ^2 + 0.08 λ + 1 =0
da cui le due radici sono λ1= -45.22 ; λ2 = -17.27
quindi
Vc2(t)= K1 * e^-45.22 + K2 * e^-17.27 + Vc2p(t) ; **Vc2p=soluzione particolare
Vc2p= A
vc2p'= 0
Vc2p"=0
sostituendo ottengo A=0 --- > Vc2p=0
quindi
Vc2(t)= K1*e^-45.22 + K2 * e^-17.27
Vc2'(t)= - 45.22 K1 * e^-45.22 - 17.27 K2 * e^-17.27
Ora so che Vc2(0-)=36 (ho scritto 0- ma non ho ancora capito la differenza tra 0- e 0+, non sono gli stessi valori??) e mi devo calcolare la derivata di Vc2, solo che da quanto ho capito me la devo ricavare per sostituzione...ehmmm..cioè..non so!! Help!
Come dovrei continuare?
Finora è tutto corretto??
Risoluzione circuito
Moderatori:
g.schgor,
IsidoroKZ
11 messaggi
• Pagina 1 di 2 • 1, 2
0
voti
Ciao
isaai.
Per avere una maggiore chiarezza, leggibilità e per evitare fraintendimenti; ti consiglio di scrivere le espsressioni matematiche usando LATEX.
Al seguente link, trovi una piccola guida all' uso:
http://www.electroyou.it/mrc/wiki/intro ... o-di-latex
Per avere una maggiore chiarezza, leggibilità e per evitare fraintendimenti; ti consiglio di scrivere le espsressioni matematiche usando LATEX.
Al seguente link, trovi una piccola guida all' uso:
http://www.electroyou.it/mrc/wiki/intro ... o-di-latex
0
voti

Edit: postato contemporaneamente a

"Non farei mai parte di un club che accettasse la mia iscrizione" (G. Marx)
-

claudiocedrone
21,3k 4 7 9 - Master EY

- Messaggi: 15302
- Iscritto il: 18 gen 2012, 13:36
0
voti
mrc ha scritto:Ciaoisaai.
Per avere una maggiore chiarezza, leggibilità e per evitare fraintendimenti; ti consiglio di scrivere le espsressioni matematiche usando LATEX.
Al seguente link, trovi una piccola guida all' uso:
http://www.electroyou.it/mrc/wiki/intro ... o-di-latex
Sì, scusami ma non sono pratica..ho visto il link ma mi sembra difficile :S
4
voti
isaai ha scritto: ... Vc2=Vc1=36
Eccolo qua un primo errore.
------------- Edit ----------------
... da cui le due radici sono λ1= -45.22 ; λ2 = -17.27
queste sono esatte, ma sarei curioso di sapere con quante righe di calcoli sei arrivata a quella equazione differenziale; io ti suggerisco di usare la strada degli autovalori, via circuito resistivo associatodal quale "sovrapponendo"

Vc2(t)= K1 * e^-45.22 + K2 * e^-17.27 + Vc2p(t) ; **Vc2p=soluzione particolare
Vc2p= A
Per quanto riguarda la soluzione particolare, non serve supporla costante; qui si vede subito che entrambi i condensatori, a causa di R1 che permette la circolazione di una corrente di scarica per entrambi, saranno scarichi e di conseguenza soluzione particolare a regime nulla.
... Ora so che Vc2(0-)=36 ... e mi devo calcolare la derivata di Vc2, solo che da quanto ho capito me la devo ricavare per sostituzione
Premesso che come ti è già stato fatto notare (nel successivo post) vc2(0+)=vc2(0-)=126 volt, qui siamo alle solite, ovvero al problema del calcolo della condizione iniziale per la derivata vc2'(0+) che purtroppo, non essendo vincolata alla continuità, potrà tranquillamente essere diversa da vc2'(0-).
La suddetta condizione iniziale può però essere ricavata dal circuito resistivo associato, sostituendo ai condensatori due GIT di valore pari alla loro condizione iniziale, vc1(0+) e vc2(0+) che, grazie alla continuità saranno pari alle corrispondenti vc1(0-)=36V e vc2(0-)=126V
Dalla suddetta rete con i GIT che sostituiscono C1 e C2, potrai ricavarti ic1 e ic2 che sono proporzionali secondo 1/C1 e 1/C2 alle suddette derivate delle tensioni; seguendo il consiglio di seguire la strada della equazioni di stato, le avresti già disponibili e basterebbe una semplice sostituzione.

... non ho ancora capito la differenza tra 0- e 0+, non sono gli stessi valori?
Sono gli stessi per le tensioni sui condensatori e per le correnti negli induttori che, nelle reti non degeneri, non possono presentare discontinuità; possono invece essere diversi per altre grandezze, per esempio per le correnti nei condensatori o per le tensioni sugli induttori, che possono assumere due valori diversi per t=0- e per t=0+.
Diciamo che con t=0- e t=0+ si intendono i valori assunti dai limiti sinistro e destro delle grandezze, nel punto assunto origine dei tempi t=0, istante nel quale può presentarsi una discontinuità negli ingressi o nella topologia della rete, causata per esempio dalla forma d'onda dei generatori, ovvero da gradini o "accensioni" o "spegnimenti" degli stessi o ancora da aperture o chiusure di interruttori.
"Il circuito ha sempre ragione" (Luigi Malesani)
4
voti
Allora, provo a darti una mano...
La corrente su
non ci scorre, essendo il ramo aperto, per cui la tensione
è uguale a quella ai capi del generatore indipendente di corrente.


Quindi, per la KVL:

La corrente su
non ci scorre, essendo il ramo aperto, per cui la tensione
è uguale a quella ai capi del generatore indipendente di corrente.

Quindi, per la KVL:

0
voti
isaai ha scritto:Sì, scusami ma non sono pratica..ho visto il link ma mi sembra difficile :S
E' comunque una questione di chiarezza.
0
voti
gotthard ha scritto:Allora, provo a darti una mano...
Ma...ma...il prof non me l'ha dato come errore!!

0
voti
RenzoDF ha scritto:sarei curioso di sapere con quante righe di calcoli sei arrivata a quella equazione differenziale; io ti suggerisco di usare la strada degli autovalori, via circuito resistivo associato
Bè..ci sono arrivata dopo 11 righe di calcoli!
RenzoDF ha scritto:Diciamo che con t=0- e t=0+ si intendono i valori assunti dai limiti sinistro e destro delle grandezze, nel punto assunto origine dei tempi t=0, istante nel quale può presentarsi una discontinuità negli ingressi o nella topologia della rete, causata per esempio dalla forma d'onda dei generatori, ovvero da gradini o "accensioni" o "spegnimenti" degli stessi o ancora da aperture o chiusure di interruttori.
Ok, ma quando analizzo il comportamento del circuito per t<0 e trovo che Vc2=126, quel Vc2 è al tempo 0-? E' sempre così?
perché il prof, quando ci fece fare delle esercitazioni in aula, in un esercizio scrisse Vc(0+) e in un altro Vc(0-)...mah!
1
voti
isaai ha scritto:...Ma...ma...il prof non me l'ha dato come errore!!Vi spiego..quest'esercizio fa parte di una prova d'esame che ho fatto non molto tempo fa e che non ho superato. Io l'ho fatto fin dove vi ho mostrato ed il prof non mi ha segnalato nessun errore fino a quel punto!
Lascia perdere cosa t'ha detto il tuo professore, che non è per forza "vangelo", dimmi solo cosa ne pensi tu, ora che
Porta ad ogni modo i miei "complimenti" al tuo professore; se andiamo avanti così, la prova d'esame potrebbe tranquillamente essere sostituita con l'estrazione del voto dal sacchetto della tombola.
BTW possiamo sapere cosa, dove, e con che professore stai studiando?
"Il circuito ha sempre ragione" (Luigi Malesani)
11 messaggi
• Pagina 1 di 2 • 1, 2
Torna a Elettrotecnica generale
Chi c’è in linea
Visitano il forum: Nessuno e 21 ospiti

Elettrotecnica e non solo (admin)
Un gatto tra gli elettroni (IsidoroKZ)
Esperienza e simulazioni (g.schgor)
Moleskine di un idraulico (RenzoDF)
Il Blog di ElectroYou (webmaster)
Idee microcontrollate (TardoFreak)
PICcoli grandi PICMicro (Paolino)
Il blog elettrico di carloc (carloc)
DirtEYblooog (dirtydeeds)
Di tutto... un po' (jordan20)
AK47 (lillo)
Esperienze elettroniche (marco438)
Telecomunicazioni musicali (clavicordo)
Automazione ed Elettronica (gustavo)
Direttive per la sicurezza (ErnestoCappelletti)
EYnfo dall'Alaska (mir)
Apriamo il quadro! (attilio)
H7-25 (asdf)
Passione Elettrica (massimob)
Elettroni a spasso (guidob)
Bloguerra (guerra)









