Quindi per iniziare a farti un'idea puoi cercare i siti internet degli istituti tecnici, e vedere i libri che fanno acquistare relativamente alle materie di elettronica.
Io così ci ho ricavato un libro di grammatica inglese per una bella "ripassata"

Moderatori:
carloc,
g.schgor,
BrunoValente,
IsidoroKZ



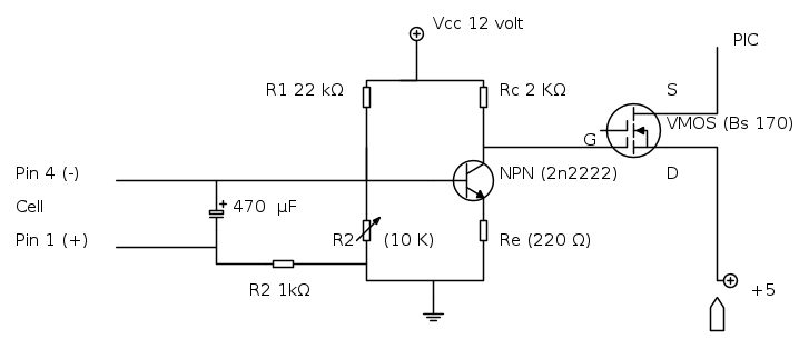
L'esempio riportato in quel link te l' ho suggerito nel mio post n° 5.
Avevi detto che lo avevi già considerato e non ne avevi ricavato nessuna conclusione positiva.
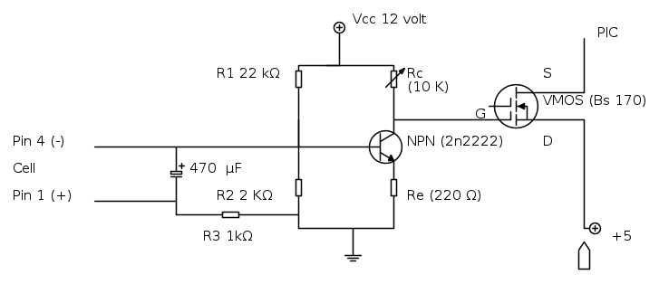
Lo so ho gia letto quegli appunti e quell' esercizio, questo era il mio primo esercizio da me fatto per la polarizzazione ..
ma mi sa che non ho capito comunque la logica ... volevo capire pero cosa sbagliavo cosi magari
mi toglievo un po di dubbi ,,, ma se chiedo troppo scusate nel seso che li avevo letti ma facendo il mio primo esercizio mi trovavo comunque in difficolta

in primis isidoro
...) ti funziona... occhio però che se azzeri la resistenza di emettitore non hai controreazione alla deriva termica. 


... proviamo a fare un po' di ordine; in primis in volt e suoi multipli e sottomultipli si misurano le tensioni quindi non puoi dire una corrente di x mV come hai più volte ripetuto; in secundis la misura di corrente che hai effettuato è insensata, l'amperometro va inserito in serie a un carico, quindi casomai dovresti collegare un resistore di valore noto tra il puntale del tester e il pin di ground per vedere che corrente riesce a erogare su quel carico il pin che vuoi "misurare" (collegato all'altro puntale); in tertiis non puoi stabilire a priori la "forma d'onda" di una tensione variabile senza visualizzarla su un oscilloscopio o un oscillografo (il fatto che la tensione vari tra un massimo e un minimo non ti dice se è un onda sinusoidale, a dente di sega, quadra, tonda ( 


), e in più ho qualcosa che incomingia a funzionare 
*Magari chiedo ai mod di eliminare il post precedente .. per non generare confusioneVisitano il forum: Nessuno e 137 ospiti