Ciao a tutti, vorrei un attimo approfondire un argomento, in quanto faccio un po' di fatica a calcolare alcune resistenze che trovo nei circuiti, e di tanto in tanto mi sovviene il dubbio di non capire a cosa servono.
Questo è uno schema che ho trovato:
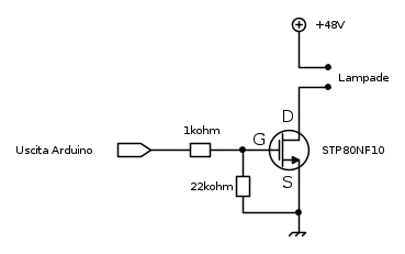
Nello schema si nota che tramite un uscita di arduino andiamo a pilotare un mosfet che permette di accendere una lampadina;
In linea teorica in questo caso, quando l'uscita di arduino è a livello basso il mosfet non conduce, mentre quando la portiamo a livello alto il mosfet inizia a condurre e la lampada si accende.
Da quello che posso intuire la resistenza da 1 kohm è una resistenza di pull up che impedisce che il gate del mosfet venga azionato da qualche disturbo o sfarfallamento.
La resistenza da 22 khom invece è una resistenza che elimina il pericolo di un cortocircuito quando l'uscita di arduino è a livello alto?
L'uso delle resistenze.
Moderatori:
carloc,
g.schgor,
BrunoValente,
IsidoroKZ
12 messaggi
• Pagina 1 di 2 • 1, 2
0
voti
Se l'uscita di arduino va in floating, la resistenza da 22k fa da "pull-down" è fa si che il mosfet non si inneschi (scarica lacapacitá tra gate e source)
"Scrivere la propria storia come si scrive la Storia: con la veemenza di un conquistatore di imperi."
-

Matteo1991
406 2 4 12 - Frequentatore

- Messaggi: 280
- Iscritto il: 28 giu 2012, 16:38
0
voti
quella da 1 K tende a limitare la corrente(anche se il mosfet viene pilotato praticamente in tensione avendo una elevatissima impedenza) quella da 22 K mette a massa il gate e serve a non farlo innescare (condurre) involontariamente. (per me). ciao
1
voti
Ciao.
In attesa di altre risposte propongo la lettura del seguente thread:
viewtopic.php?f=1&t=14414
in particolare del post n° 3, proposto da
brabus.
In attesa di altre risposte propongo la lettura del seguente thread:
viewtopic.php?f=1&t=14414
in particolare del post n° 3, proposto da
0
voti

"Non farei mai parte di un club che accettasse la mia iscrizione" (G. Marx)
-

claudiocedrone
21,3k 4 7 9 - Master EY

- Messaggi: 15299
- Iscritto il: 18 gen 2012, 13:36
7
voti
La resistenza in serie al gate ha due funzioni: nei circuiti dove si usa un MOS driver per pilotare il MOS, serve a prevenire l'insorgenza di oscillazioni fra capacita` di gate e induttanza dei collegamenti, oscillazioni che capiterebbero all'accensione e spegnimento, facendo aumentare la potenza media dissipata e generando disturbi elettromagnetici. Come side effect si ha anche la limitazione della corrente di accensione.
La seconda funzione di quella resistenza, quasi mai voluta, e` il rallentamento della commutazione. In questo caso si puo` stimare che la commutazione, a causa della resistenza da 1kohm, sia dalle parti di svariate decine di microsecondi. Visto che i circuiti fatti intorno ad Arduino di solito sono fatti a caso, provando finche' non va ma senza nessun criterio di progetto, un valore elevato di resistenza rallentando i fronti di commutazione fa si` che il MOS non disturbi troppo il circuito.
Anche se non la si mettesse la piccola corrente disponibile all'uscita del microcontrollore darebbe comunque una commutazione molto lenta.
La resistenza fra gate e source serve a tenere il MOS sicuramente spento se il piedino di uscita del micro e` in alta impedenza.
Infine il MOS scelto non e` proprio dei piu` adatti per quella applicazione. A parte non dire quanta corrente puo` assorbire il carico, quel MOS richiede 10V di tensione gate source per essere completamente acceso secondo le specifiche indicate nel data sheet. Il micro riesce solo a dare 5V in uscita, e questo forse spiega perche' e` stato messo un MOS enorme per accendere delle lampade.
Esistono dei MOS chiamati logic level che sono fatti apposta per accendersi correttamente con soli 5V fra gate e source. Tipicamente chi accrocchia circuiti hobbistici intorno ad un microcontrollore mette la prima cosa che trova, senza preoccuparsi troppo che sia il componente giusto o inadatto.
La seconda funzione di quella resistenza, quasi mai voluta, e` il rallentamento della commutazione. In questo caso si puo` stimare che la commutazione, a causa della resistenza da 1kohm, sia dalle parti di svariate decine di microsecondi. Visto che i circuiti fatti intorno ad Arduino di solito sono fatti a caso, provando finche' non va ma senza nessun criterio di progetto, un valore elevato di resistenza rallentando i fronti di commutazione fa si` che il MOS non disturbi troppo il circuito.
Anche se non la si mettesse la piccola corrente disponibile all'uscita del microcontrollore darebbe comunque una commutazione molto lenta.
La resistenza fra gate e source serve a tenere il MOS sicuramente spento se il piedino di uscita del micro e` in alta impedenza.
Infine il MOS scelto non e` proprio dei piu` adatti per quella applicazione. A parte non dire quanta corrente puo` assorbire il carico, quel MOS richiede 10V di tensione gate source per essere completamente acceso secondo le specifiche indicate nel data sheet. Il micro riesce solo a dare 5V in uscita, e questo forse spiega perche' e` stato messo un MOS enorme per accendere delle lampade.
Esistono dei MOS chiamati logic level che sono fatti apposta per accendersi correttamente con soli 5V fra gate e source. Tipicamente chi accrocchia circuiti hobbistici intorno ad un microcontrollore mette la prima cosa che trova, senza preoccuparsi troppo che sia il componente giusto o inadatto.
Per usare proficuamente un simulatore, bisogna sapere molta più elettronica di lui
Plug it in - it works better!
Il 555 sta all'elettronica come Arduino all'informatica! (entrambi loro malgrado)
Se volete risposte rispondete a tutte le mie domande
Plug it in - it works better!
Il 555 sta all'elettronica come Arduino all'informatica! (entrambi loro malgrado)
Se volete risposte rispondete a tutte le mie domande
0
voti
Ringrazio gli utenti per le risposte fornitemi, molto chiare ed esaurienti.
Per
IsidoroKZ il circuito che ho postato era un esempio che ho trovato in una discussione, Ho voluto prenderlo come circuito di prova.
Nella stessa discussione, che è questa, l'utente
g.schgor, aveva proposto un totorial dal quale ho tratto spunto per il "mio" circuito; mio è tra virgolette perché a me servirebbe solo per fare pratica nel dimensionamento dei particolari.
Qui è il circuito che avevo in mente:
Come potete notare, il gate viene comandato da +12V, vi è un diodo di protezione, poiché nel mio caso vi è un carico induttivo e non resistivo (nel tutorial viene indicato come indispensabile per non far danni al mosfet).
Come potete notare altresi mancano i valori, delle resistenze, che non so come calcolarle, non conosco il valore del diodo, ma quello penso di poter riuscire a fare da solo, quello che non capisco però, ed è la cosa grave, non capisco come funziona quel diodo di protezione collegato in quel modo.
Per
Nella stessa discussione, che è questa, l'utente
Qui è il circuito che avevo in mente:
Come potete notare, il gate viene comandato da +12V, vi è un diodo di protezione, poiché nel mio caso vi è un carico induttivo e non resistivo (nel tutorial viene indicato come indispensabile per non far danni al mosfet).
Come potete notare altresi mancano i valori, delle resistenze, che non so come calcolarle, non conosco il valore del diodo, ma quello penso di poter riuscire a fare da solo, quello che non capisco però, ed è la cosa grave, non capisco come funziona quel diodo di protezione collegato in quel modo.
-

bladeblaze
503 5 11 - Frequentatore

- Messaggi: 248
- Iscritto il: 1 dic 2011, 0:42
- Località: Trento
1
voti
Quel diodo messo così a cosa serve? Dovrebbe essere messo tra i capi della bobina credo, per evitare che picchi di tensione si scarichino altrove.
"640K ought to be enough for anybody" Bill Gates (?) 1981
Qualcosa non ha funzionato...
Lo sapete che l'arroganza in informatica si misura in nanodijkstra?
Qualcosa non ha funzionato...
Lo sapete che l'arroganza in informatica si misura in nanodijkstra?
-

fairyvilje
15,0k 4 9 12 - G.Master EY

- Messaggi: 3047
- Iscritto il: 24 gen 2012, 19:23
2
voti
marco
0
voti

"Non farei mai parte di un club che accettasse la mia iscrizione" (G. Marx)
-

claudiocedrone
21,3k 4 7 9 - Master EY

- Messaggi: 15299
- Iscritto il: 18 gen 2012, 13:36
12 messaggi
• Pagina 1 di 2 • 1, 2
Chi c’è in linea
Visitano il forum: Nessuno e 56 ospiti

Elettrotecnica e non solo (admin)
Un gatto tra gli elettroni (IsidoroKZ)
Esperienza e simulazioni (g.schgor)
Moleskine di un idraulico (RenzoDF)
Il Blog di ElectroYou (webmaster)
Idee microcontrollate (TardoFreak)
PICcoli grandi PICMicro (Paolino)
Il blog elettrico di carloc (carloc)
DirtEYblooog (dirtydeeds)
Di tutto... un po' (jordan20)
AK47 (lillo)
Esperienze elettroniche (marco438)
Telecomunicazioni musicali (clavicordo)
Automazione ed Elettronica (gustavo)
Direttive per la sicurezza (ErnestoCappelletti)
EYnfo dall'Alaska (mir)
Apriamo il quadro! (attilio)
H7-25 (asdf)
Passione Elettrica (massimob)
Elettroni a spasso (guidob)
Bloguerra (guerra)







