Link900 ha scritto:...Ho ridisegnato il circuito in questo modo perché mi sembra più chiaro, ...
Direi proprio di no, in questo modo scompare "il pilota".
Link900 ha scritto:... in tutti e due i metodi che proponi tu la Zeq la devo trovare se ho capito bene con la formula

...
Proprio così, uso sempre Ohm.
Link900 ha scritto:Per calcolare la iAB posso usare la LKI?
E quindi ottenere

Certo che si, ma bisogna andare avanti ...
Link900 ha scritto: ... e in questo caso il valore che ottengo non è oggettivo, ma dipende dal valore che ho deciso di dare a iR giusto?
Quale valore?
Suppongo che tu stia facendo riferimento al secondo metodo, ovvero alla falsa posizione; la posizione arbitraria per iR porta sia ad una VAB che a una iAB in ingresso che dipendono entrambe da questa posizione, ma non così il loro rapporto, che dipende solo dai parametri della rete.
Link900 ha scritto:... Potrebbe pure capitare un risultato diverso da quello che si trova nella soluzioni giusto?
Assolutamente no, come spiegato sopra, a seconda della posizione per iR, cambieranno sia la corrente che la tensione in ingresso ma entrambi in modo proporzionale e di conseguenza il loro rapporto sarà invariante rispetto alla scelta di iR.
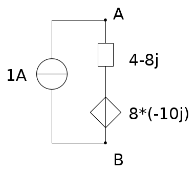
Tanto per chiarire comunque ti posto lo schema della rete, dove ho scelto (arbitrariamente) un GIC forzante unitario,
nella quale le KCL sono già state usate per ricavare le diverse correnti di ramo a partire dalla corrente pilota x.
Le KVL che possono servire per la risoluzione sono, di conseguenza esprimibili come segue

che particolarizzate diventano

ed infine

e infine

Quanto sopra si riferisce al primo metodo, ovvero a un normale Kirchhoff ; per quanto riguarda il secondo, si parte da una posizione arbitraria "computazionalmente comoda" per la corrente pilota, diciamo 2 ampere, che porta a ricavarsi sia la corrente che la tensione di ingresso in un paio di passaggi (da 2A in R -> VAO=10V -> IL=-j ... ecc.)
e di conseguenza ancora

Come ovvio tensione e corrente ai morsetti in questo secondo caso sono entrambe diverse da quelle del primo metodo, ma così sarebbe anche se il generatore forzante fosse di diverso valore o si fosse usato un GIT unitario o meno, ... ma
il rapporto fra tensione e corrente ai morsetti risulterebbe in ogni condizione immutato 
Potenza della
LINEARITA' , ... costanza del rapporto fra "causa" ed "effetto" .... Amen.
