Cos'è ElectroYou | Login Iscriviti

ElectroYou - la comunità dei professionisti del mondo elettrico

Esercizio esame

Circuiti, campi elettromagnetici e teoria delle linee di trasmissione e distribuzione dell’energia elettrica

Moderatori: Foto Utenteg.schgor, Foto UtenteIsidoroKZ

0
voti

[1] Esercizio esame

Messaggioda Foto UtenteMischaViolett » 11 set 2013, 13:19

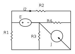
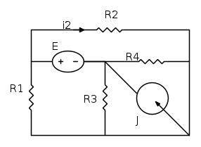
Ragazzi vi volevo chiedere un aiuto per la risoluzione di un esercizio dato a un esame di introduzione ai circuiti. L'esercizio diceva: verificare la padronanza degli elementi fondamentali per l'analisi di circuiti in regime stazionario.



$R1= 100\Omega ; R2= 50\Omega ; R3= 100\Omega ; R4= 50\Omega ; E= 50V; J= 2A;$

Il circuito è in regime stazionario. Determinare a) la corrente del resistore R2; b) la potenza erogata dal generatore di corrente J.

La prima cosa che vi chiedo è se conviene utilizzare Thévenin oppure utilizzare il principio di sovrapposizione degli effetti? e se utilizzo ad esempio Thévenin devo comunque utilizzare poi il proncipio di sovrapposizione degli effetti essendoci due generatori??

Io ho utilizzato il principio di sovrapposizione e ho svolto in questo modo:

1) Spengo E: e ottengo:
\[R_{1eq}= R_{1}\left | \right |R_{3}= 50\Omega; \; R_{2eq}=R_{1eq}\left | \right |R_{4}=25\Omega ;\; R_{3eq}= R_{2eq}\left | \right |R_{2}=16.68\Omega\]

quindi ottengo \[V_{j}=R_{3eq}J=33.36V\]
applico il partitore di corrente e ottengo \[i_{2}^{'}=J\ast \frac{R_{2eq}}{R_{2eq}+R_{2}}=0,67 A\]
mentre per calcolare la potenza del generatore di corrente faccio: \[P_{j}^{'}=V_{j}\ast J=66,72 W\]

Ora fin qui ho svolto bene??

2) Spengo J ottengo:

\[R_{1eq}= R_{3}\left | \right |R_{4}=33,34\Omega ;\; R_{2eq}=R_{1eq}+R_{1}=133,34\Omega ;\; R_{3eq}=R_{2eq}\left | \right |R_{2}=36,36\Omega\]

poi mi calcolo la corrente \[i_{E}=\frac{E}{R_{3eq}}=1,37A\]

applico il partitore di corrente e ottengo \[i_{2}^{"}=i_{E}\ast \frac{R_{2eq}}{R_{2eq}+R_{2}}=0,99A\]

a tal punto non so più come proseguire e calcolare la potenza \[P_{j}^{"}\] :oops: :oops:

Ora chiedo il vostro aiuto, chiedendovi se ho ragionato bene oppure ho sbagliato?? e come calcolo la potenza di \[P_{j}^{"}\] ??

Grazie!! :-)
Avatar utente
Foto UtenteMischaViolett
15 1 6
New entry
New entry
 
Messaggi: 61
Iscritto il: 7 set 2013, 13:13

1
voti

[2] Re: Esercizio esame

Messaggioda Foto Utentespud » 11 set 2013, 13:36

Non vorrei dire cavolate, ma ricordo che per le potenze non è lecito applicare la sovrapposizione degli effetti, sbaglio?
Atlant.

Behind every great man is a woman rolling her eyes.
Avatar utente
Foto Utentespud
3.767 3 10 12
free expert
 
Messaggi: 1601
Iscritto il: 1 feb 2012, 14:26
Località: Udine

8
voti

[3] Re: Esercizio esame

Messaggioda Foto UtenteDirtyDeeds » 11 set 2013, 13:44

La sovrapposizione degli effetti si può usare per determinare la grandezza totale per poi calcolare la potenza, ma non si possono sommare le potenze parziali. Per esempio, se uno considera un ramo di un circuito con una resistenza R e due contributi di corrente I_1 e I_2 dovuti a due generatori, si ha

P = R(I_1+I_2)^2 \neq RI_1^2+RI_2^2
It's a sin to write sin instead of \sin (Anonimo).
...'cos you know that cos ain't \cos, right?
You won't get a sexy tan if you write tan in lieu of \tan.
Take a log for a fireplace, but don't take log for \logarithm.
Avatar utente
Foto UtenteDirtyDeeds
55,9k 7 11 13
G.Master EY
G.Master EY
 
Messaggi: 7012
Iscritto il: 13 apr 2010, 16:13
Località: Somewhere in nowhere

0
voti

[4] Re: Esercizio esame

Messaggioda Foto UtenteChiodo » 11 set 2013, 13:54

MischaViolett ha scritto:La prima cosa che vi chiedo è se conviene utilizzare Thévenin oppure utilizzare il principio di sovrapposizione degli effetti? e se utilizzo ad esempio Thévenin devo comunque utilizzare poi il proncipio di sovrapposizione degli effetti essendoci due generatori??

Ciao!
Solitamente il teorema di Thèvenin è un concorrente, come metodo di risoluzione, al principio di sovrapposizione degli effetti. Sta tutto alla tua scelta. In questo caso è molto più semplice utilizzare la sovrapposizione degli effetti dato che la rete è semplice ed è dotata di due soli generatori.
spud ha scritto:Non vorrei dire cavolate, ma ricordo che per le potenze non è lecito applicare la sovrapposizione degli effetti, sbaglio?

Concordo.

Detto questo credo che il modo più semplice sia calcolare la tensione ai capi del generatore di corrente con la sovrapposizione degli effetti....Try.. :ok:
Avatar utente
Foto UtenteChiodo
545 3 8
 
Messaggi: 29
Iscritto il: 30 set 2012, 15:16

1
voti

[5] Re: Esercizio esame

Messaggioda Foto UtenteDirtyDeeds » 11 set 2013, 13:57

Chiodo ha scritto:Solitamente il teorema di Thèvenin è un concorrente, come metodo di risoluzione, al principio di sovrapposizione degli effetti.


In realtà, no: non ci sono veramente metodi concorrenti. Per esempio, in qualche caso potrebbe essere conveniente sostituire a una parte di circuito il suo equivalente Thévenin, per poi applicare sovrapposizione degli effetti o un altro metodo al circuito con una parte così trasformata. Non bisogna inscatolare i metodi in compartimenti stagni ;-)
It's a sin to write sin instead of \sin (Anonimo).
...'cos you know that cos ain't \cos, right?
You won't get a sexy tan if you write tan in lieu of \tan.
Take a log for a fireplace, but don't take log for \logarithm.
Avatar utente
Foto UtenteDirtyDeeds
55,9k 7 11 13
G.Master EY
G.Master EY
 
Messaggi: 7012
Iscritto il: 13 apr 2010, 16:13
Località: Somewhere in nowhere

0
voti

[6] Re: Esercizio esame

Messaggioda Foto UtenteChiodo » 11 set 2013, 14:02

DirtyDeeds ha scritto: Non bisogna inscatolare i metodi in compartimenti stagni ;-)


Giusto, troppo spesso ricado in questo errore #-o . Pardon
Avatar utente
Foto UtenteChiodo
545 3 8
 
Messaggi: 29
Iscritto il: 30 set 2012, 15:16

0
voti

[7] Re: Esercizio esame

Messaggioda Foto UtenteRenzoDF » 11 set 2013, 14:20

Io direi che il metodo migliore potrebbe essere Millman, applicato fra i nodi sui quali insiste il GIC; in questo modo abbiamo direttamente la tensione utile per la seconda domanda e con una semplice sottrazione quella su R2 per rispondere alla prima.

Lascio a Foto UtenteMischaViolett sviluppare questo metodo, sempre che gli vada di farlo e sempre che Millman non sia all'indice nel suo ateneo. :-)
"Il circuito ha sempre ragione" (Luigi Malesani)
Avatar utente
Foto UtenteRenzoDF
55,9k 8 12 13
G.Master EY
G.Master EY
 
Messaggi: 13189
Iscritto il: 4 ott 2008, 9:55

0
voti

[8] Re: Esercizio esame

Messaggioda Foto UtenteMischaViolett » 11 set 2013, 14:52

Quindi per calcolare la potenza totale del generatore di corrente devo fare: \[P_{j}=J\ast (V_{j}^{'}+V_{j}^{"})\]

ora la mia \[V_{j}^{'}=33,36V\] 0ssia quando ho il generatore di corrente J acceso e il generatore di tensione E spento.
Mentre come calcolo V_{j}^{"}??

Millman non era nel mio programma di studio, quindi non so come si applica! :oops:
Avatar utente
Foto UtenteMischaViolett
15 1 6
New entry
New entry
 
Messaggi: 61
Iscritto il: 7 set 2013, 13:13

2
voti

[9] Re: Esercizio esame

Messaggioda Foto UtenteRenzoDF » 11 set 2013, 14:55

MischaViolett ha scritto:Millman non era nel mio programma di studio, quindi non so come si applica! :oops:

Lo immaginavo, ad ogni modo Millman non è che un modo "compatto" per usare il metodo dei potenziali nodali, quando si sia in presenza di una sola coppia di nodi, e suppongo che quest'ultimo sia a te ben noto. :-)

Tanto per farla breve comunque, per i soli curiosi, via Millman (ma equivalentemente via PN) avremo che usando il nodo inferiore come riferimento a zero, "duplicando" il GIT (o usando G1+G2), possiamo scrivere il potenziale del morsetto superiore del GIC come

{{V}_{J}}=\frac{-E{{G}_{1}}-E{{G}_{2}}+J}{{{G}_{1}}+{{G}_{2}}+{{G}_{3}}+{{G}_{4}}}=\frac{25}{3}\,\,\text{V}

e quindi per via direttissima rispondere alle due richieste del problema

\begin{align}
  & {{I}_{{{R}_{2}}}}=\frac{{{V}_{J}}+E}{{{R}_{4}}}=\frac{7}{6}\,\,\text{A} \\ 
 & {{P}_{J}}=J{{V}_{J}}=2\times \frac{25}{3}=\frac{50}{3}\,\,\text{W} \\ 
\end{align}
"Il circuito ha sempre ragione" (Luigi Malesani)
Avatar utente
Foto UtenteRenzoDF
55,9k 8 12 13
G.Master EY
G.Master EY
 
Messaggi: 13189
Iscritto il: 4 ott 2008, 9:55

0
voti

[10] Re: Esercizio esame

Messaggioda Foto Utentespud » 11 set 2013, 14:59

Spegni il generatore di corrente e accendi il generatore di tensione, a questo punto devi calcolare la tensione ai capi del parallelo tra R3 e R4, io farei

R_{12} = R_1 || R_2
R_{34} = R_3 || R_4

poi applichi la formula del partitore di tensione.

Ho visto un po' al volo l'esercizio quindi aspettiamo che qualcuno confermi :D
Atlant.

Behind every great man is a woman rolling her eyes.
Avatar utente
Foto Utentespud
3.767 3 10 12
free expert
 
Messaggi: 1601
Iscritto il: 1 feb 2012, 14:26
Località: Udine

Prossimo

Torna a Elettrotecnica generale

Chi c’è in linea

Visitano il forum: Nessuno e 12 ospiti